小度生活
首页
美食营养
手工爱好
生活家居
返回
小度生活
首页
美食营养
游戏数码
手工爱好
生活家居
健康养生
运动户外
职场理财
情感交际
母婴教育
时尚美容
知识问答
生活知识
搜索
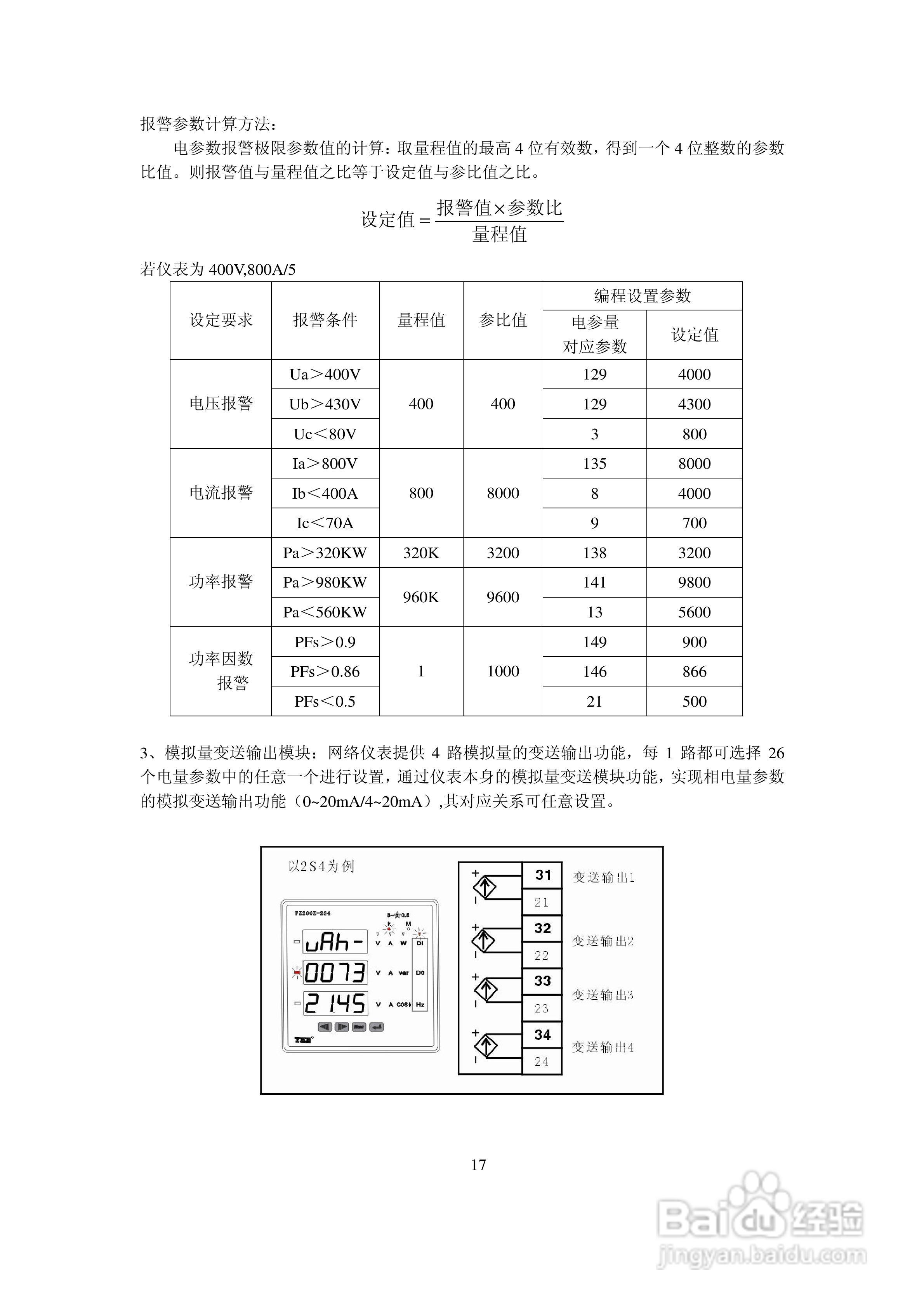
PZ200Z-9S4多功能网络电力仪表使用说明书:[2]
2026-01-22 08:50:49
本篇为《PZ200Z-9S4多功能网络电力仪表使用说明书》,主要介绍该产品的使用方法以及常见故障解决方案。
(共篇)
上一篇:
|
下一篇:
声明:
本网站引用、摘录或转载内容仅供网站访问者交流或参考,不代表本站立场,如存在版权或非法内容,请联系站长删除,联系邮箱:site.kefu@qq.com。
相关推荐
PZ200Z-9S4多功能网络电力仪表使用说明书:[1]
阅读量:131
PZ200Z-SY 系列多功能网络电力仪表(液晶版)使用手册:[2]
阅读量:53
PZ200Z-SY 系列多功能网络电力仪表(液晶版)使用手册:[1]
阅读量:122
中仪电子 ZYC-Z系列多功能网络电力仪表使用说明书:[2]
阅读量:56
ZYC-Z-2S4多功能网络电力仪表使用说明书:[2]
阅读量:80
猜你喜欢
healthy是什么意思
宫保鸡丁中的宫保是指什么
什么品牌轮胎好
梦到蛇是什么意思
清明的意思
配眼镜什么镜片好
清平乐村居古诗的意思
白驹过隙的意思
呈报的意思
劳资是什么意思
猜你喜欢
嫦娥奔月的意思
出柜是什么意思
主宰的意思
ots是什么意思
cosplay是什么意思
o2o是什么意思
故的意思
乐此不彼的意思
秋葵不适宜什么人吃
什么事便秘