小度生活
首页
美食营养
手工爱好
生活家居
返回
小度生活
首页
美食营养
游戏数码
手工爱好
生活家居
健康养生
运动户外
职场理财
情感交际
母婴教育
时尚美容
知识问答
生活知识
生活百科
搜索
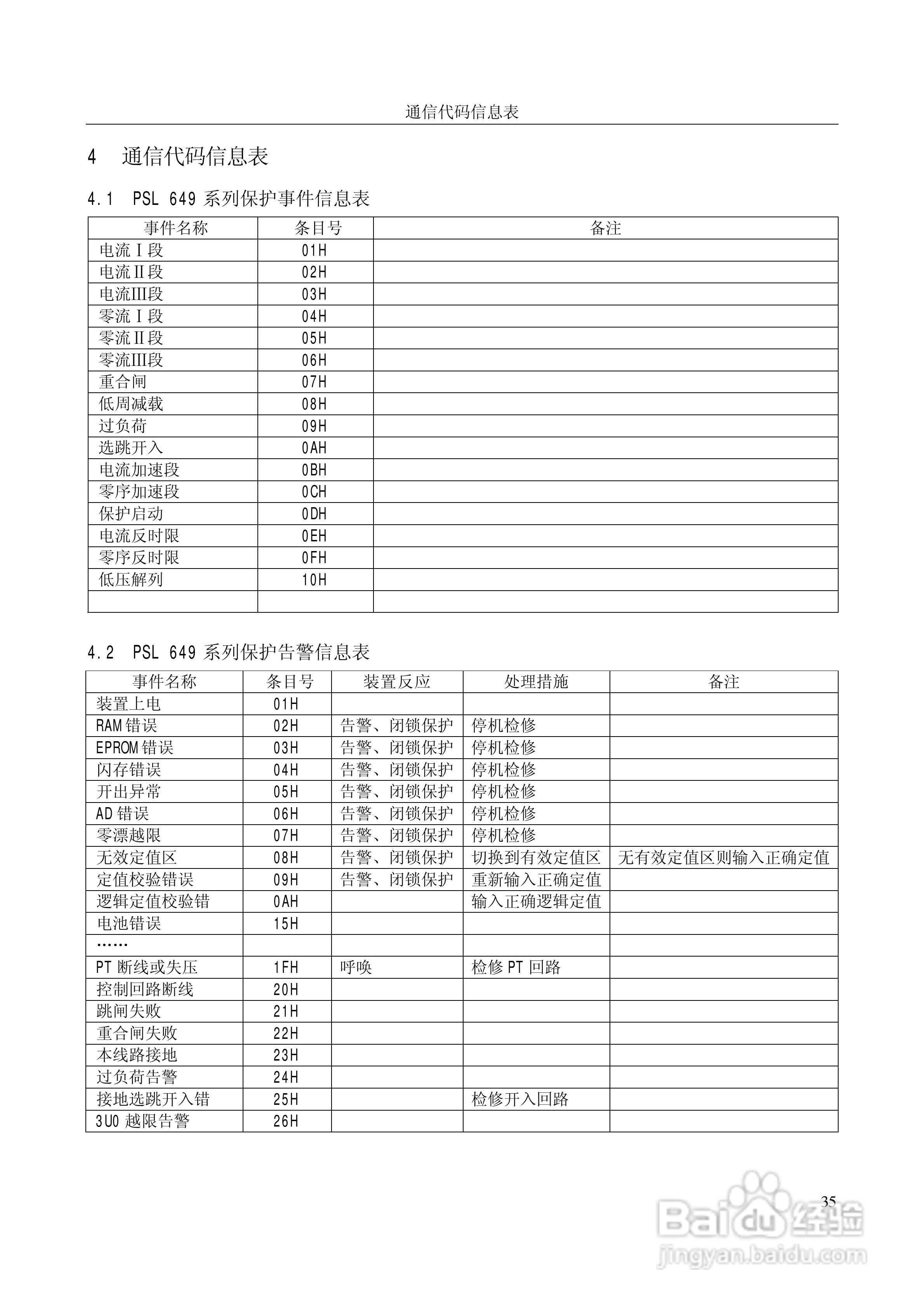
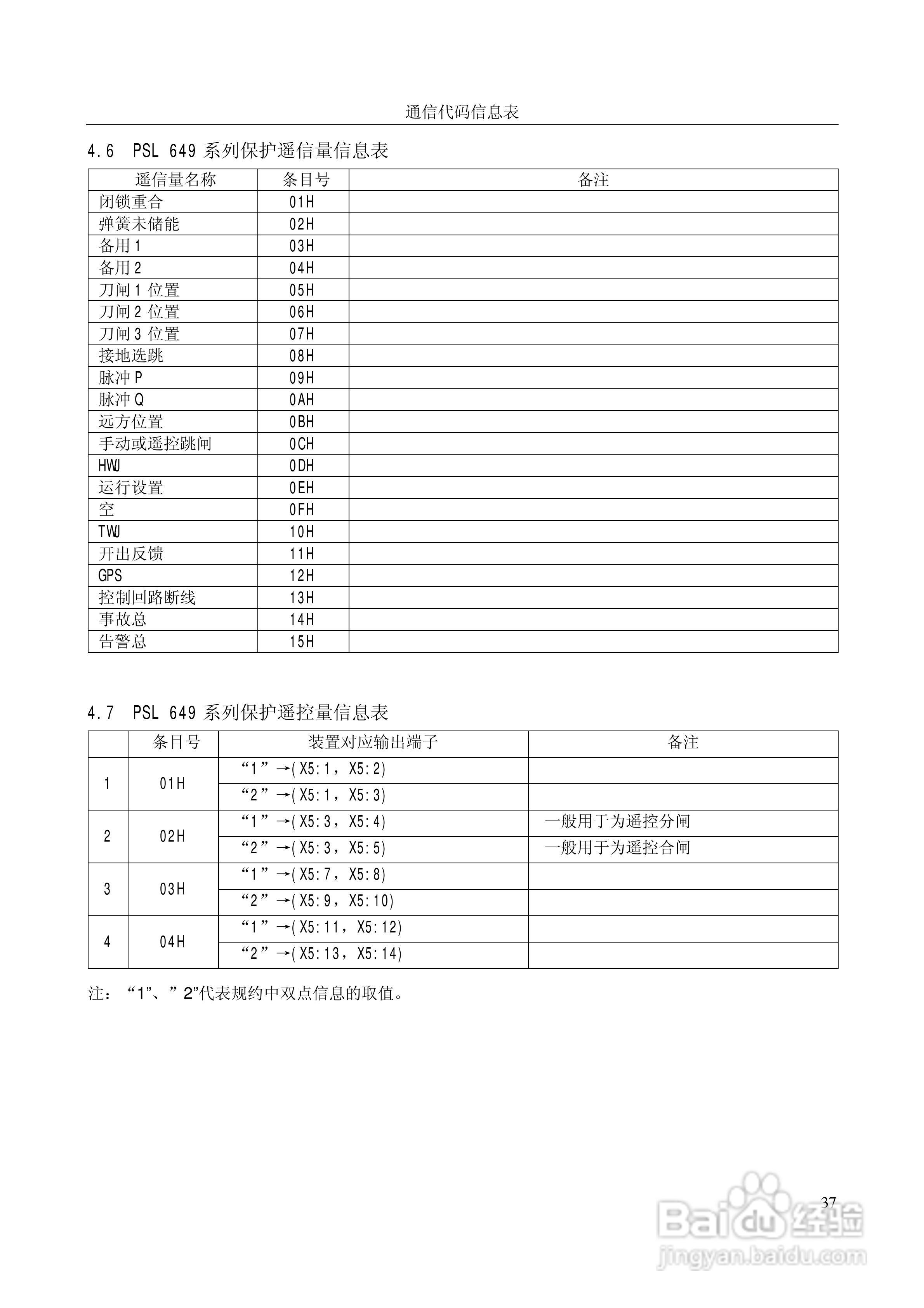
国电南自PSL649数字式线路保护装置使用说明书:[4]
2026-03-25 04:52:22
本篇为《国电南自PSL649数字式线路保护装置使用说明书》,主要介绍该产品的使用方法以及常见故障解决方案。
(共篇)
上一篇:
|
下一篇:
声明:
本网站引用、摘录或转载内容仅供网站访问者交流或参考,不代表本站立场,如存在版权或非法内容,请联系站长删除,联系邮箱:site.kefu@qq.com。
相关推荐
南自NDX326数字式线路保护装置说明书:[4]
阅读量:119
国电南自PSL626C数字式线路保护装置技术说明书:[8]
阅读量:59
国电南自PSL626C数字式线路保护装置技术说明书:[1]
阅读量:163
国电南自PSL626C数字式线路保护装置技术说明书:[2]
阅读量:181
国电南自PSL626C数字式线路保护装置技术说明书:[3]
阅读量:144
猜你喜欢
诺亚方舟是什么意思
炒米泡水喝有什么功效
buff是什么意思
淡奶油是什么
pdf是什么意思
电脑经常死机是什么原因
bathroom是什么意思
中出什么意思
嗲是什么意思
大大咧咧是什么意思
猜你喜欢
照例的近义词是什么
chf是什么货币
路由器是什么
st股票什么意思
月经是什么
什么快递最便宜
包浆是什么意思
农历七月十五是什么节
会意字是什么意思
stars是什么意思