小度生活
首页
美食营养
手工爱好
生活家居
返回
小度生活
首页
美食营养
游戏数码
手工爱好
生活家居
健康养生
运动户外
职场理财
情感交际
母婴教育
时尚美容
知识问答
生活知识
搜索
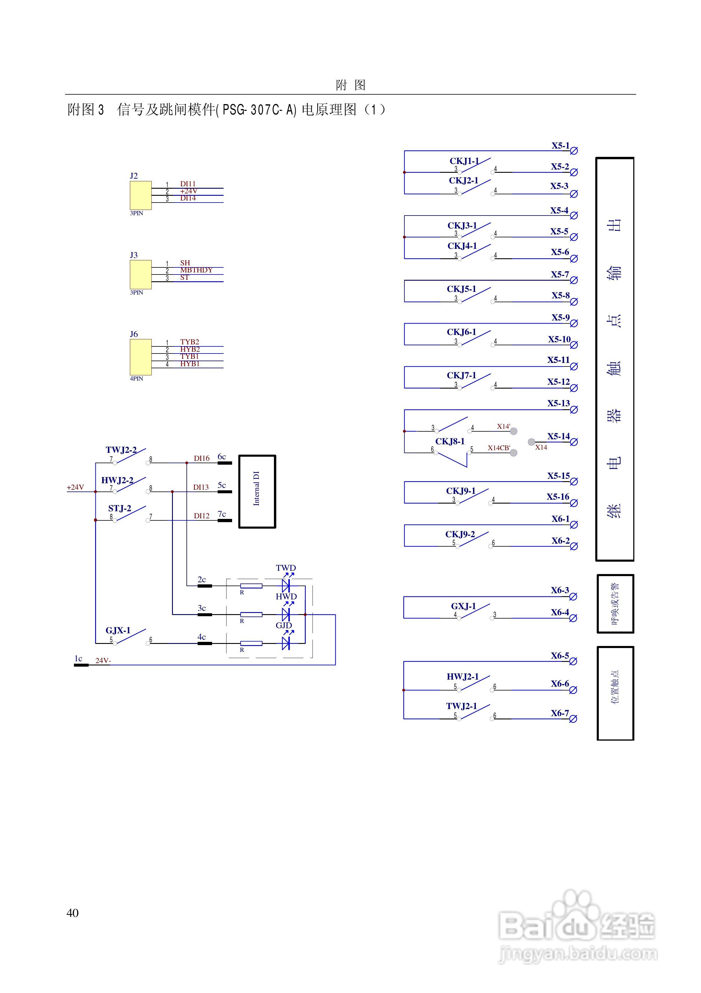
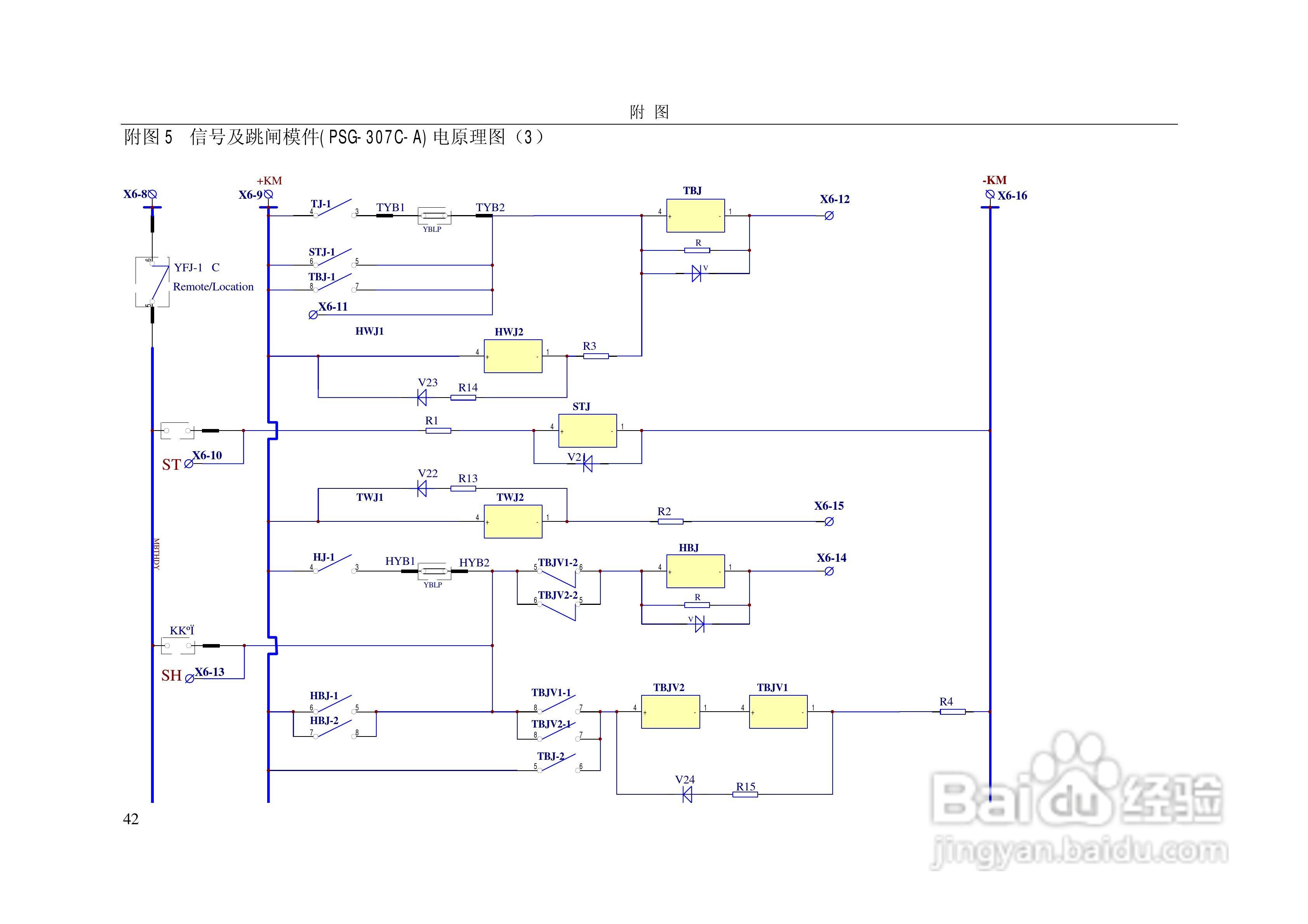
国电南自PSL649数字式线路保护装置使用说明书:[5]
2025-10-18 21:14:55
本篇为《国电南自PSL649数字式线路保护装置使用说明书》,主要介绍该产品的使用方法以及常见故障解决方案。
(共篇)
上一篇:
声明:
本网站引用、摘录或转载内容仅供网站访问者交流或参考,不代表本站立场,如存在版权或非法内容,请联系站长删除,联系邮箱:site.kefu@qq.com。
相关推荐
南自NDX326数字式线路保护装置说明书:[5]
阅读量:147
国电南自PSL626C数字式线路保护装置技术说明书:[8]
阅读量:63
国电南自PSL626C数字式线路保护装置技术说明书:[1]
阅读量:59
国电南自PSL626C数字式线路保护装置技术说明书:[2]
阅读量:135
国电南自PSL626C数字式线路保护装置技术说明书:[3]
阅读量:42
猜你喜欢
桂花加茶叶有什么功效
隽永是什么意思
魂牵梦绕是什么意思
三眼一板的意思
什么是可用性测试
8024什么意思
回眸一笑的意思
毫无违和感是什么意思
凤凰涅磐是什么意思
南柯一梦的意思
猜你喜欢
5到6万买什么车好
长高喝什么牛奶
remove是什么意思
春夜喜雨意思
鸵鸟政策是什么意思
浑浑噩噩是什么意思
猝不及防是什么意思
什么是soap
微胖的女生穿什么好看
权利是什么意思