小度生活
首页
美食营养
手工爱好
生活家居
返回
小度生活
首页
美食营养
游戏数码
手工爱好
生活家居
健康养生
运动户外
职场理财
情感交际
母婴教育
时尚美容
知识问答
生活知识
搜索
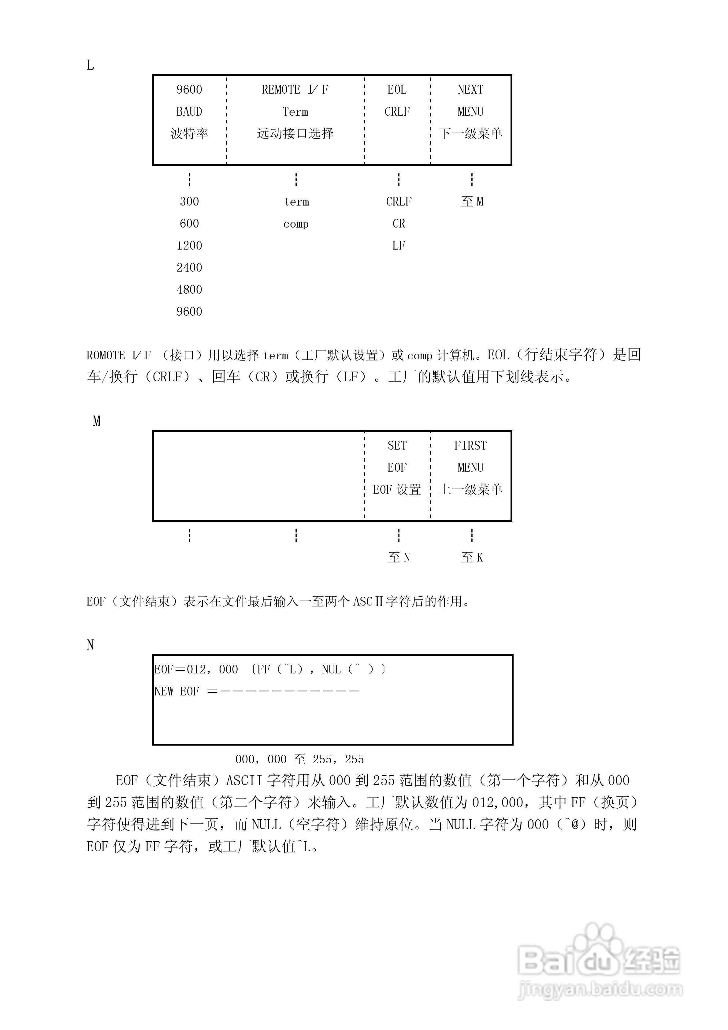
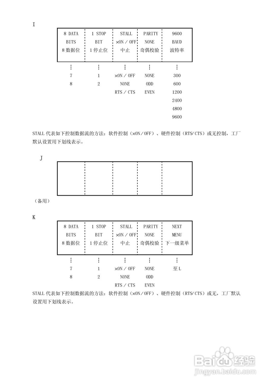
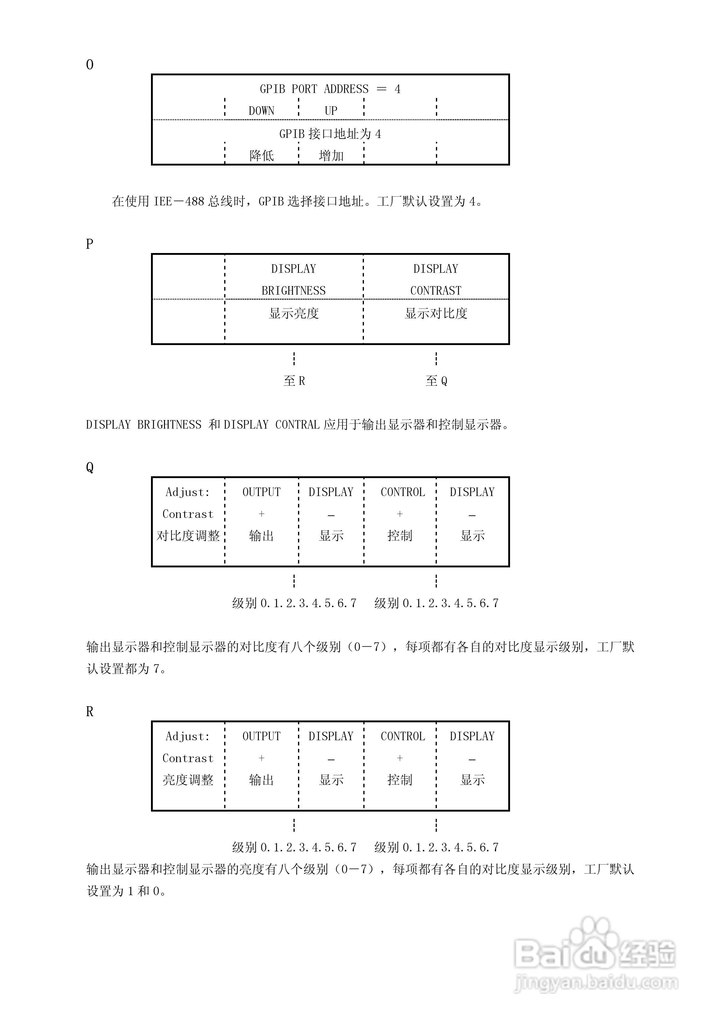
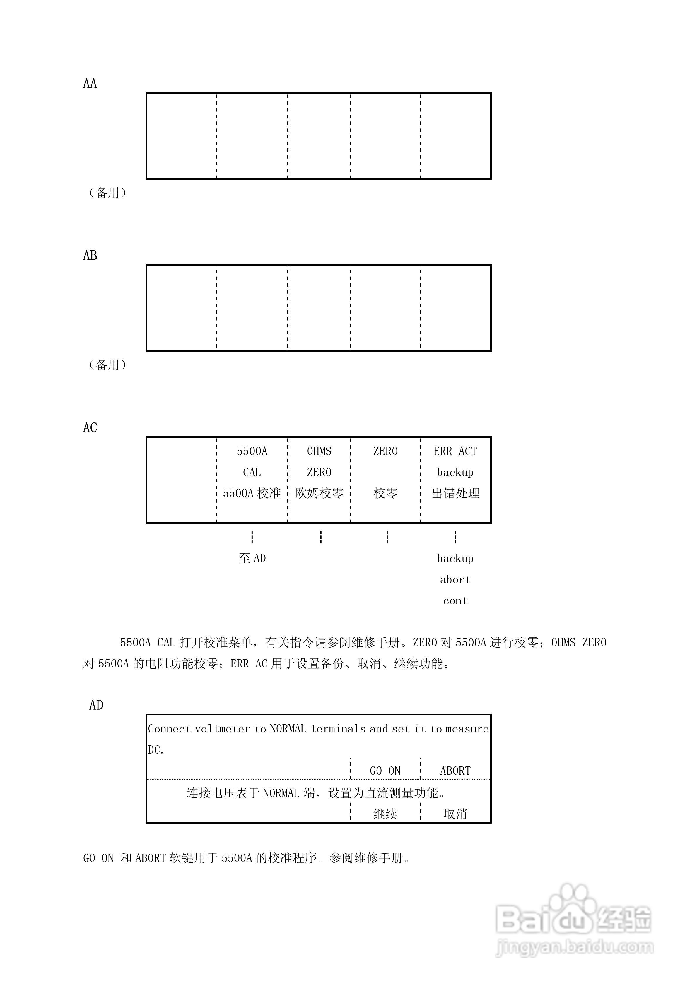
福禄克5500A校准器使用手册:[8]
2025-10-22 04:33:26
本篇为《福禄克5500A校准器使用手册》,主要介绍该产品的使用方法以及常见故障解决方案。
(共篇)
上一篇:
|
下一篇:
声明:
本网站引用、摘录或转载内容仅供网站访问者交流或参考,不代表本站立场,如存在版权或非法内容,请联系站长删除,联系邮箱:site.kefu@qq.com。
相关推荐
福禄克5500A校准器使用手册:[16]
阅读量:152
福禄克万用表使用时的6大注意事项
阅读量:65
福禄克红外热像仪使用方法和技巧
阅读量:181
福禄克红外热像仪实用宝典
阅读量:161
福禄克5500A校准器使用手册:[22]
阅读量:50
猜你喜欢
眼见为实耳听为虚是什么意思
院士是什么级别的干部
什么是脑卒中
85年属什么生肖
增添的反义词是什么
英特纳雄耐尔是什么意思
通货膨胀是什么意思
2月16日是什么星座
opp是什么意思
lpr什么意思
猜你喜欢
开业送什么
雄黄是什么
cfr是什么意思
2k屏幕是什么意思
手办是什么
脸大适合什么发型
心跳慢是什么原因
erp系统是什么
属猴和什么属相最配
宝宝什么时候长牙