小度生活
首页
美食营养
手工爱好
生活家居
返回
小度生活
首页
美食营养
游戏数码
手工爱好
生活家居
健康养生
运动户外
职场理财
情感交际
母婴教育
时尚美容
知识问答
生活知识
搜索
凯士CI-5500A称重控制器使用说明书:[2]
2026-01-13 20:06:36
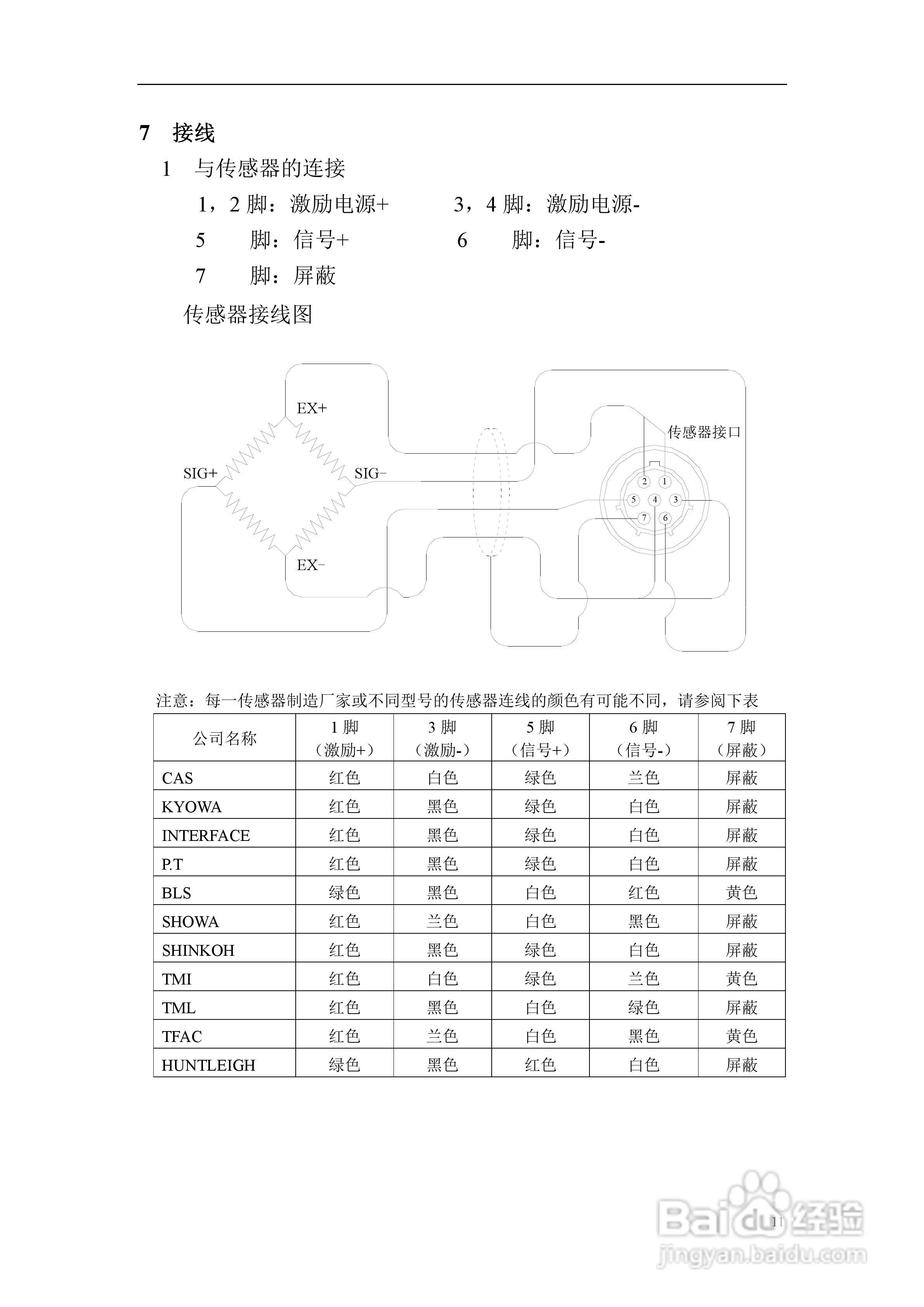
本篇为《凯士CI-5500A称重控制器使用说明书》,主要介绍该产品的使用方法以及常见故障解决方案。
(共篇)
上一篇:
|
下一篇:
声明:
本网站引用、摘录或转载内容仅供网站访问者交流或参考,不代表本站立场,如存在版权或非法内容,请联系站长删除,联系邮箱:site.kefu@qq.com。
相关推荐
凯士CI-5500A称重控制器使用说明书:[5]
阅读量:76
凯士CI-5500A称重控制器使用说明书:[4]
阅读量:120
福禄克5500A校准器使用手册:[2]
阅读量:134
商品类别管理CI
阅读量:88
使用说明书封面怎么做
阅读量:176
猜你喜欢
温水煮青蛙是什么意思
移民澳大利亚需要什么条件
大保健什么意思
170 92a是什么尺码
热桥是什么意思
胎监是什么
运动会加油牌
股票换手是什么意思
宝格丽手表什么档次
什么是4s店
猜你喜欢
骑兵是什么意思
白化病是什么
坚强的反义词是什么
霍乱是什么
老虎头是什么牌子
母亲是什么
boos是什么意思
印小天事件是什么
darling什么意思
右上眼皮跳是什么预兆