小度生活
首页
美食营养
手工爱好
生活家居
返回
小度生活
首页
美食营养
游戏数码
手工爱好
生活家居
健康养生
运动户外
职场理财
情感交际
母婴教育
时尚美容
知识问答
生活知识
生活百科
搜索
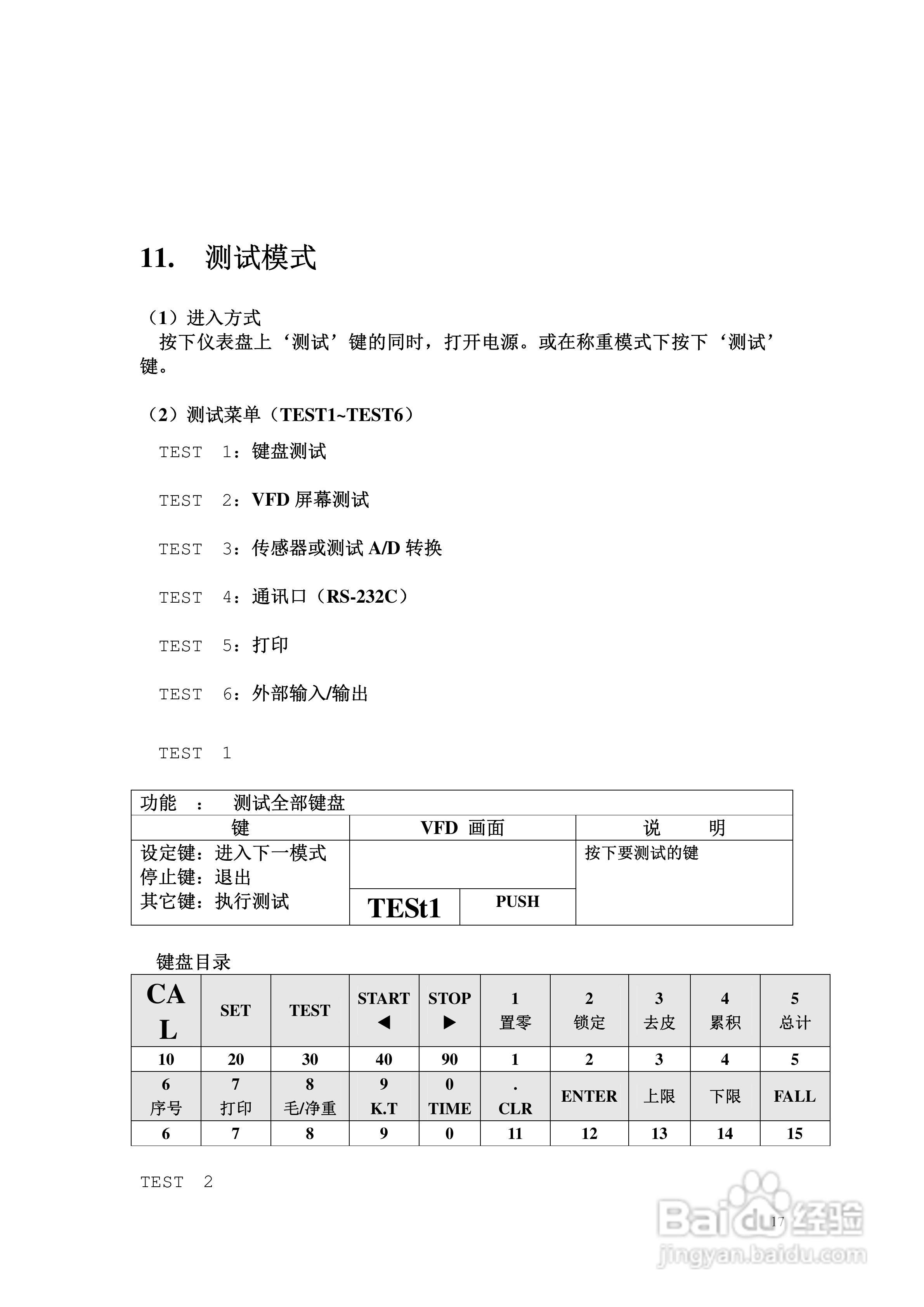
凯士EXP-5500A防爆称重显示器使用说明书:[2]
2026-04-19 01:56:05
本篇为《凯士EXP-5500A防爆称重显示器使用说明书》,主要介绍该产品的使用方法以及常见故障解决方案。
(共篇)
上一篇:
|
下一篇:
声明:
本网站引用、摘录或转载内容仅供网站访问者交流或参考,不代表本站立场,如存在版权或非法内容,请联系站长删除,联系邮箱:site.kefu@qq.com。
相关推荐
凯士CI-5500A称重控制器使用说明书:[2]
阅读量:134
凯士CI-5500A称重控制器使用说明书:[4]
阅读量:22
凯士CI-5500A称重控制器使用说明书:[3]
阅读量:21
福禄克5500A校准器使用手册:[2]
阅读量:179
使用说明书封面怎么做
阅读量:135
猜你喜欢
补肾的方法
童谣大全100首
mp3歌曲下载方法
胸部胀痛是怎么回事
麻辣烫的做法家常
扣肉的家常做法
cf怎么跳箱子
绘画作品图片大全
长沙好吃的
黄鳝的做法大全家常
猜你喜欢
怎么注册域名
名人读书方法
ios怎么降级
酱骨架的家常做法
脸部祛斑方法
长高的方法
绣球花的养殖方法
网线怎么拉
心肌梗塞的治疗方法
福特suv大全