小度生活
首页
美食营养
手工爱好
生活家居
返回
小度生活
首页
美食营养
游戏数码
手工爱好
生活家居
健康养生
运动户外
职场理财
情感交际
母婴教育
时尚美容
知识问答
生活知识
生活百科
搜索
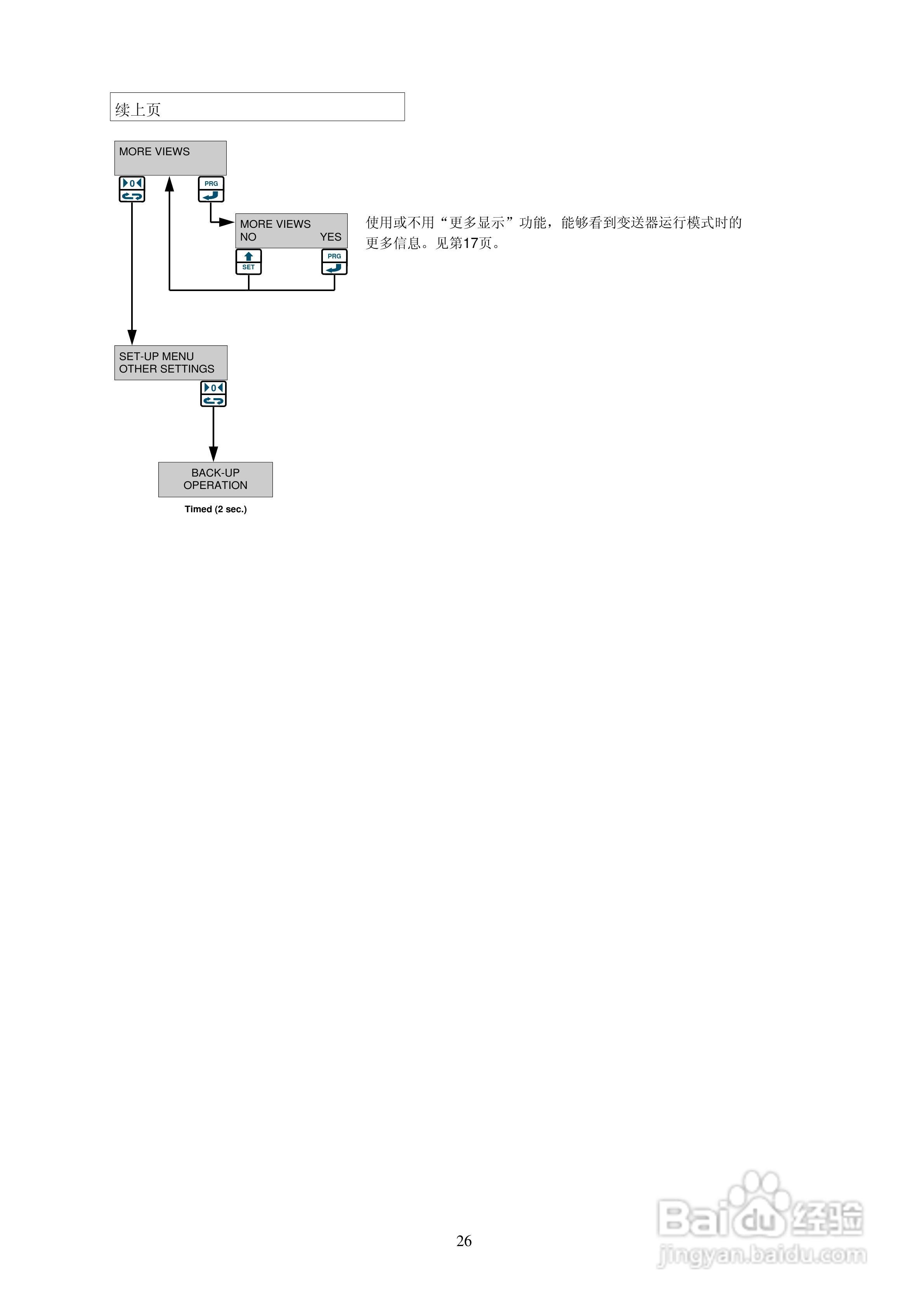
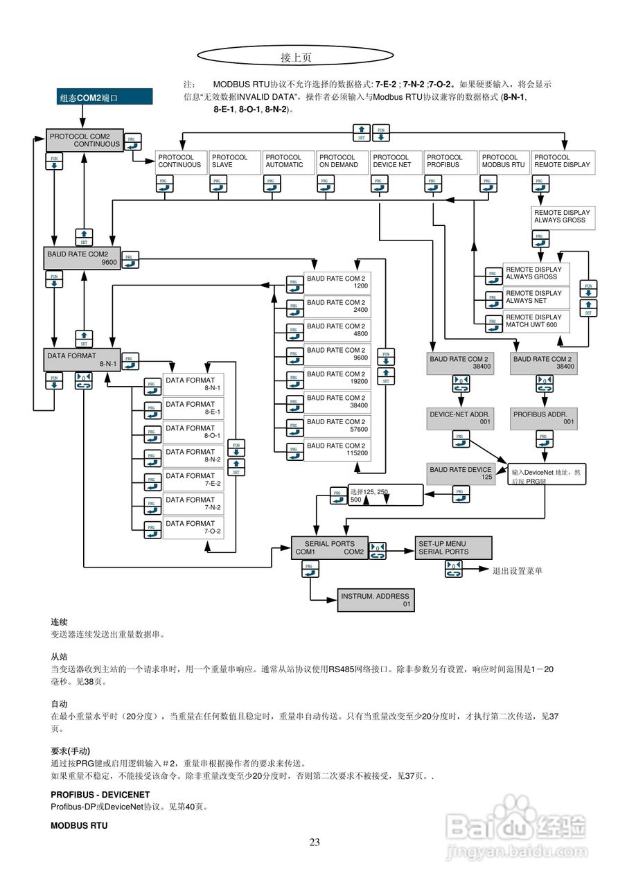
UWT600称重变送器说明书:[3]
2026-05-22 03:07:23
本篇为《UWT600称重变送器说明书》,主要介绍该产品的使用方法以及常见故障解决方案。
(共篇)
上一篇:
|
下一篇:
声明:
本网站引用、摘录或转载内容仅供网站访问者交流或参考,不代表本站立场,如存在版权或非法内容,请联系站长删除,联系邮箱:site.kefu@qq.com。
相关推荐
JF-300A称重变送器说明书:[3]
阅读量:155
DAT400称重变送器说明书:[3]
阅读量:51
E-LINK3000现场型称重变送器说明书:[3]
阅读量:153
DWT30数字式称重变送器说明书:[3]
阅读量:146
DAT400-S防暴称重变送器说明书:[3]
阅读量:92
猜你喜欢
脆弱的意思
type是什么意思
pron是什么意思
三言两语的意思
七月初七什么节
visit是什么意思
天府之国什么意思
grin什么意思
crl是什么意思
forever是什么意思
猜你喜欢
蜂蜜用什么水冲最好
碟中谍6什么时候上映
paper是什么意思
什么是井喷
送礼物送什么好
会签是什么意思
什么是沉香木
耿耿于怀是什么意思
凉爽的意思
名媛是什么意思