小度生活
首页
美食营养
手工爱好
生活家居
返回
小度生活
首页
美食营养
游戏数码
手工爱好
生活家居
健康养生
运动户外
职场理财
情感交际
母婴教育
时尚美容
知识问答
生活知识
生活百科
搜索
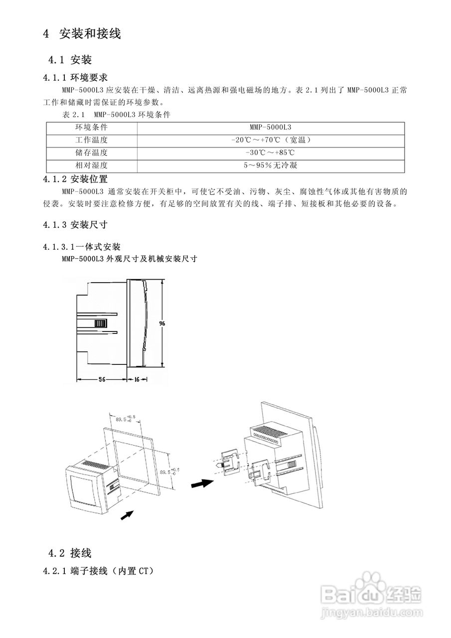
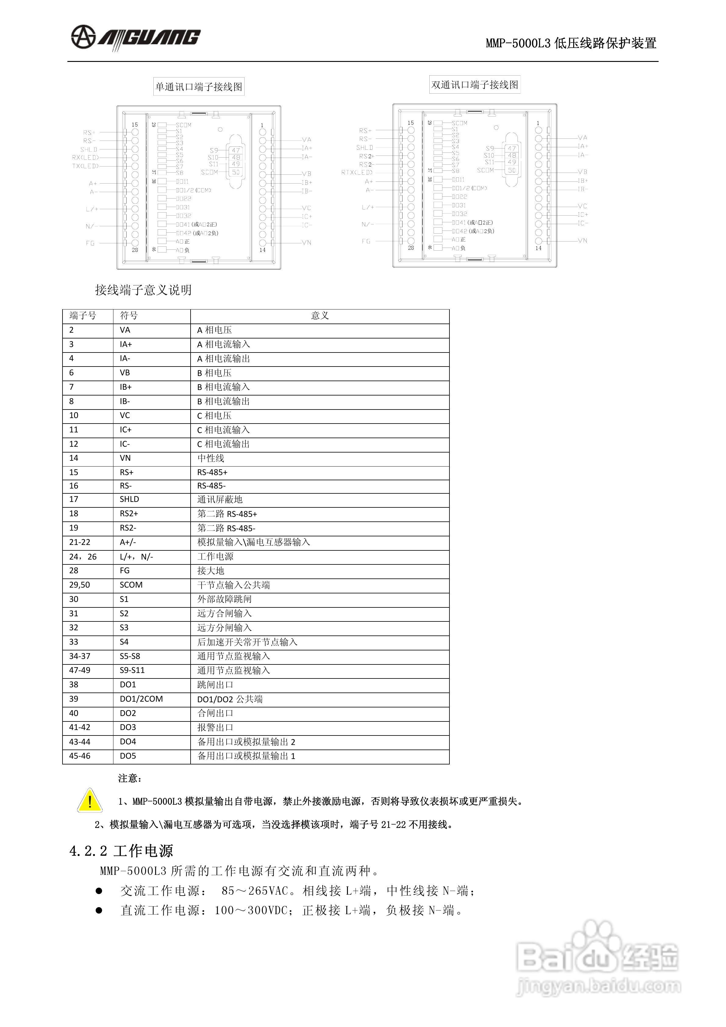
爱光MMP-5000L3低压线路保护装置说明书:[1]
2026-05-11 06:13:25
本篇为《爱光MMP-5000L3低压线路保护装置说明书》,主要介绍该产品的使用方法以及常见故障解决方案。
(共篇)
下一篇:
声明:
本网站引用、摘录或转载内容仅供网站访问者交流或参考,不代表本站立场,如存在版权或非法内容,请联系站长删除,联系邮箱:site.kefu@qq.com。
相关推荐
爱光MMP-5000L3低压线路保护装置说明书:[2]
阅读量:187
爱光MMP-5000L1低压电动机保护测控装置说明书:[3]
阅读量:126
爱光MMP-5000L1低压电动机保护测控装置说明书:[1]
阅读量:37
爱光MMP-5000L1低压电动机保护测控装置说明书:[2]
阅读量:166
爱光MMP-5076A数字式线路保护测控装置说明书:[3]
阅读量:144
猜你喜欢
化妆的意思
史无前例的意思
cest la vie什么意思
什么是城镇化
独白的意思
host是什么意思
宾果是什么意思
乐途和李宁什么关系
嶙峋的意思
什么牌子的蜂胶好
猜你喜欢
april是什么意思
代沟的意思
钓鱼伞什么牌子好
古木参天对什么
宝宝衣服什么牌子好
meter是什么意思
铁木砧板什么牌子好
tmd什么意思
盈香生态园有什么玩
国税地税分别征什么税