小度生活
首页
美食营养
手工爱好
生活家居
返回
小度生活
首页
美食营养
游戏数码
手工爱好
生活家居
健康养生
运动户外
职场理财
情感交际
母婴教育
时尚美容
知识问答
生活知识
生活百科
搜索
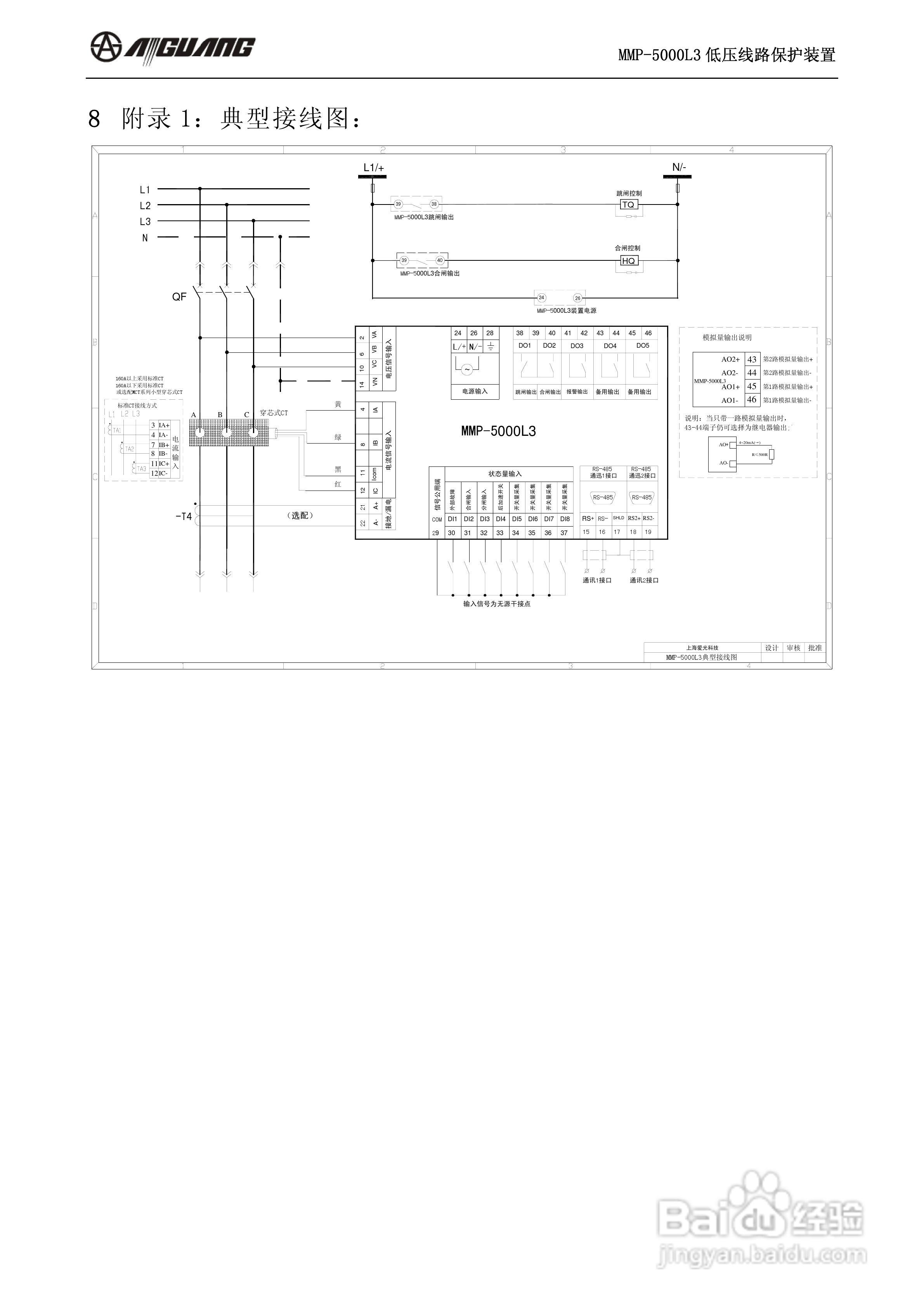
爱光MMP-5000L3低压线路保护装置说明书:[2]
2026-04-23 06:37:43
本篇为《爱光MMP-5000L3低压线路保护装置说明书》,主要介绍该产品的使用方法以及常见故障解决方案。
(共篇)
上一篇:
声明:
本网站引用、摘录或转载内容仅供网站访问者交流或参考,不代表本站立场,如存在版权或非法内容,请联系站长删除,联系邮箱:site.kefu@qq.com。
相关推荐
爱光MMP-5000L3低压线路保护装置说明书:[1]
阅读量:165
爱光MMP-5000L1低压电动机保护测控装置说明书:[3]
阅读量:163
爱光MMP-5000L1低压电动机保护测控装置说明书:[1]
阅读量:196
爱光MMP-5000L1低压电动机保护测控装置说明书:[4]
阅读量:151
爱光MMP-5076A数字式线路保护测控装置说明书:[3]
阅读量:131
猜你喜欢
注册资本是什么意思
遑论是什么意思
泽的含义是什么意思
打印机什么牌子好
什么是动词
chanel是什么品牌
休克是什么意思
法克是什么意思
脸上出油是什么原因
会意字是什么意思
猜你喜欢
什么是期权
before是什么意思
vvt发动机是什么意思
梦见鬼是什么意思
词又称什么
emmmm什么意思
坚强的近义词是什么
eur是什么意思
root权限是什么意思
恶心想吐是什么原因