小度生活
首页
美食营养
手工爱好
生活家居
返回
小度生活
首页
美食营养
游戏数码
手工爱好
生活家居
健康养生
运动户外
职场理财
情感交际
母婴教育
时尚美容
知识问答
搜索
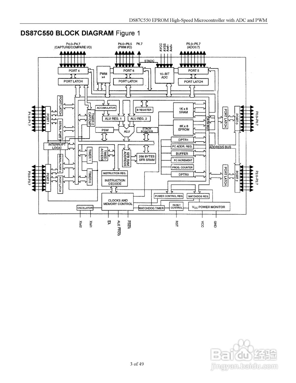
MAXIM DS87C550微控制器说明书:[1]
2025-10-31 06:00:02
本篇为《MAXIM DS87C550微控制器说明书》,主要介绍该产品的使用方法以及常见故障解决方案。
(共篇)
下一篇:
声明:
本网站引用、摘录或转载内容仅供网站访问者交流或参考,不代表本站立场,如存在版权或非法内容,请联系站长删除,联系邮箱:site.kefu@qq.com。
相关推荐
MAXIM DS87C550微控制器说明书:[3]
阅读量:68
MAXIM DS87C550微控制器说明书:[4]
阅读量:36
MAXIM MAX9967驱动器说明书:[1]
阅读量:140
MAXIM MAX1336/MAX1337转换器说明书:[1]
阅读量:39
MAXIM MAX6968串行接口LED驱动器说明书:[1]
阅读量:56
猜你喜欢
海米是什么
obv是什么意思
广州有什么特产
牛市是什么意思
lily是什么意思
利润率等于什么
你最刺激的一次性经历是什么
primary是什么意思
过桥资金是什么意思
黑瓜子是什么瓜的子
猜你喜欢
什么的枝条
motor是什么意思
木糖醇是什么
人奶什么味道
现在分词是什么
染色体是什么
pe是什么意思的缩写
膝盖痛是什么原因
技术交底是什么意思
和黑人做是什么感觉