小度生活
首页
美食营养
手工爱好
生活家居
返回
小度生活
首页
美食营养
游戏数码
手工爱好
生活家居
健康养生
运动户外
职场理财
情感交际
母婴教育
时尚美容
知识问答
生活知识
生活百科
搜索
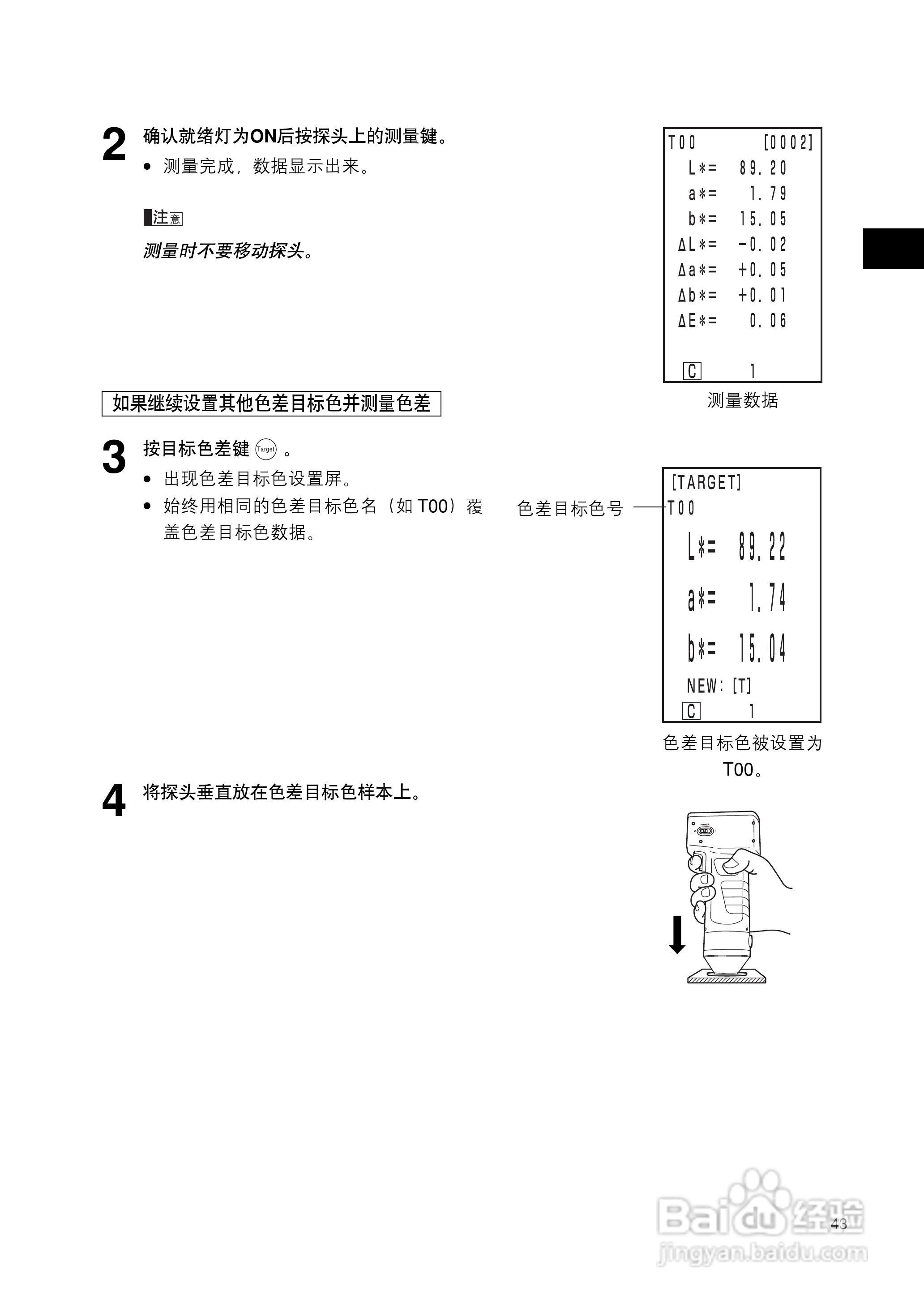
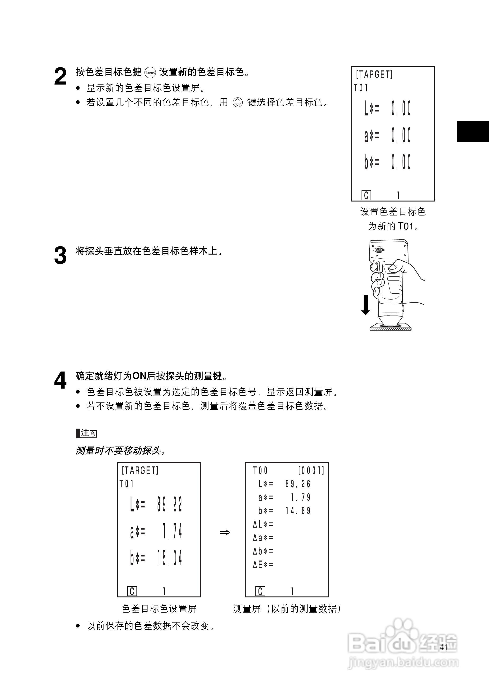
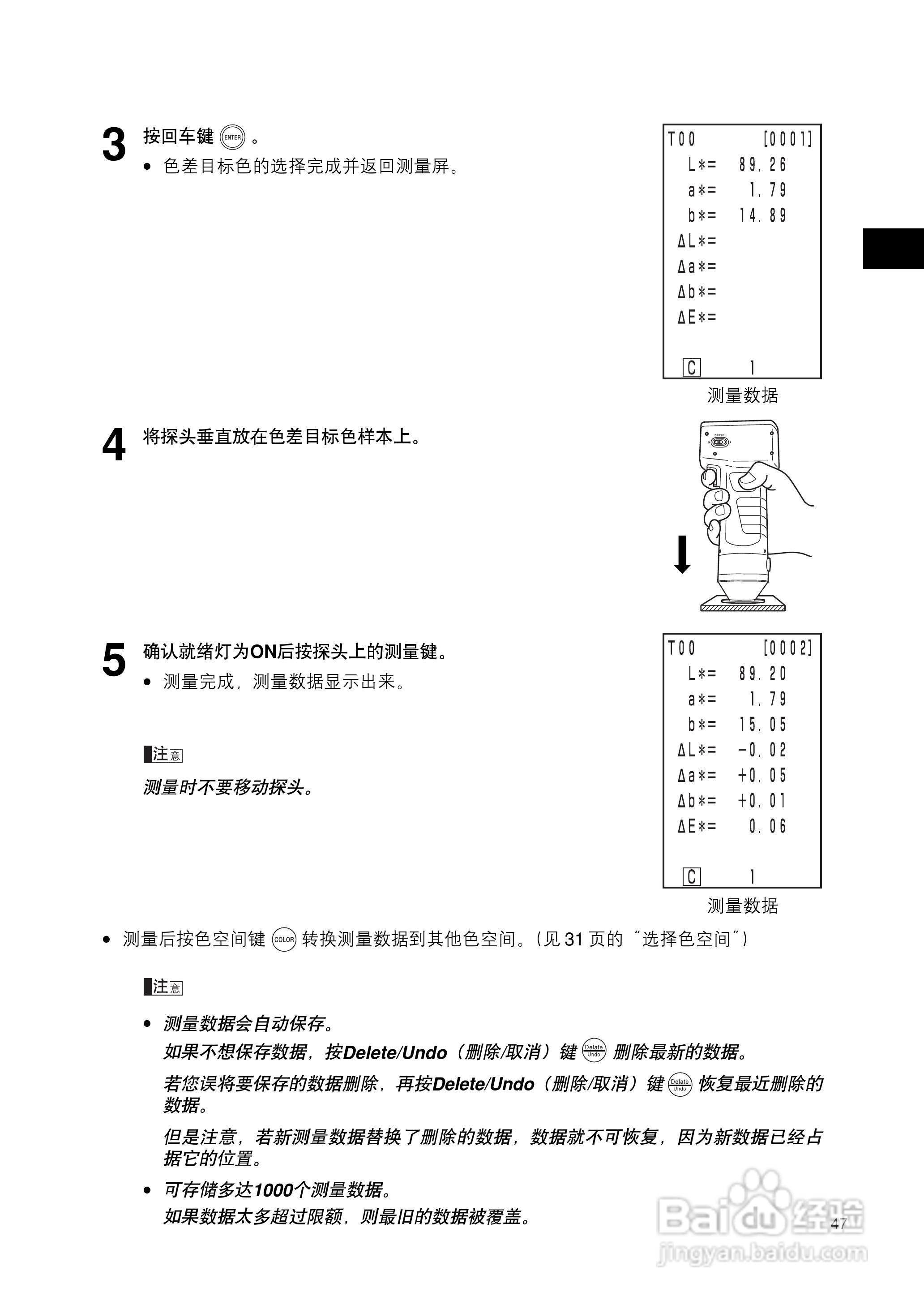
恒港色彩色差计CR-400/410使用说明书:[5]
2026-04-11 05:31:19
本篇为《恒港色彩色差计CR-400/410使用说明书》,主要介绍该产品的使用方法以及常见故障解决方案。
(共篇)
上一篇:
|
下一篇:
声明:
本网站引用、摘录或转载内容仅供网站访问者交流或参考,不代表本站立场,如存在版权或非法内容,请联系站长删除,联系邮箱:site.kefu@qq.com。
相关推荐
恒港色彩色差计CR-400/410使用说明书:[4]
阅读量:35
柯尼卡美能达色彩色差计CR-400 410使用说明书:[15]
阅读量:177
柯尼卡美能达色彩色差计CR-400 410使用说明书:[13]
阅读量:106
柯尼卡美能达色彩色差计CR-400 410使用说明书:[17]
阅读量:144
柯尼卡美能达色彩色差计CR-400 410使用说明书:[16]
阅读量:162
猜你喜欢
青岛农业大学怎么样
科目二考试紧张怎么办
怎么煲耳机
头痛怎么治
蒸蛋怎么做好吃又嫩
去黄褐斑的最佳方法
修改密码怎么改
汽车大全
欧利时手表怎么样
与子乱小说大全
猜你喜欢
肌美精面膜怎么样
水晶肘子的家常做法
锻炼腹肌的方法
金针菇怎么做好吃
浅尝辄止怎么读
体内排毒的最好方法
天龙八部慕容怎么样
照片背景颜色怎么换
秋刀鱼怎么做好吃
肠胀气的治疗方法