小度生活
首页
美食营养
手工爱好
生活家居
返回
小度生活
首页
美食营养
游戏数码
手工爱好
生活家居
健康养生
运动户外
职场理财
情感交际
母婴教育
时尚美容
知识问答
生活知识
搜索
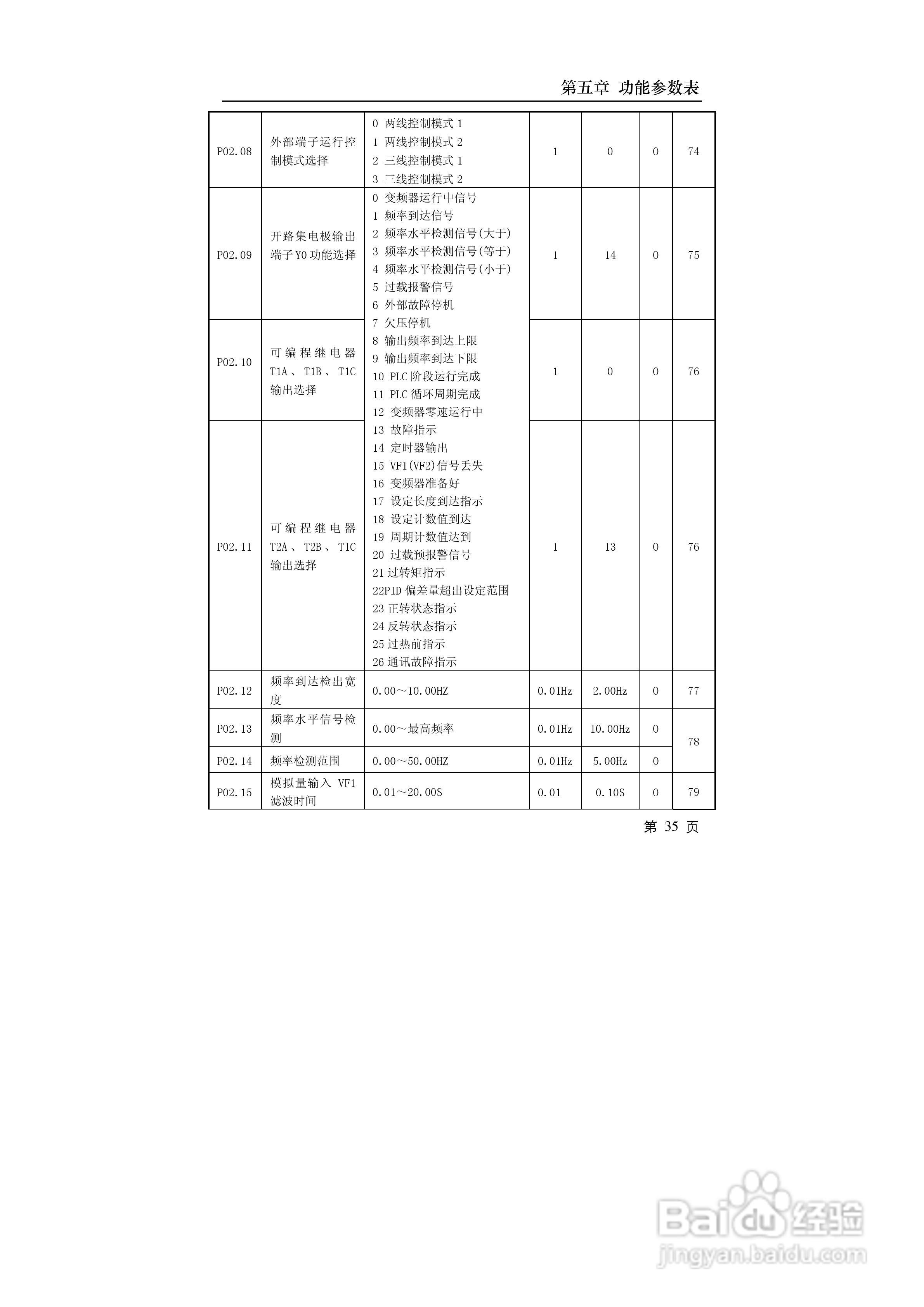
德力西CDI9600-G7R5T4小功率矢量变频器说明书:[4]
2025-10-26 17:54:25
本篇为《德力西CDI9600-G7R5T4小功率矢量变频器说明书》,主要介绍该产品的使用方法以及常见故障解决方案。
(共篇)
上一篇:
|
下一篇:
声明:
本网站引用、摘录或转载内容仅供网站访问者交流或参考,不代表本站立场,如存在版权或非法内容,请联系站长删除,联系邮箱:site.kefu@qq.com。
相关推荐
德力西CDI9600-G7R5T4小功率矢量变频器说明书:[5]
阅读量:138
德力西CDI9800系列变频调速器说明书:[4]
阅读量:78
德力西CDI9800系列变频调速器说明书:[5]
阅读量:40
德力西CDI9800系列变频调速器说明书:[1]
阅读量:102
德力西CDI9800系列变频调速器说明书:[3]
阅读量:190
猜你喜欢
鲁迅是什么家
家用跑步机什么牌子好
技校都有什么专业
trc是什么意思
股票持仓是什么意思
respect是什么意思
ie是什么职位
letting go什么意思
mpq是什么意思
什么叫融资
猜你喜欢
mice是什么意思
什么是同类项
什么动物最怕水
爱情是什么意思
阴道痒用什么药
什么是命题
陌若安生是什么意思
string是什么意思
透明的剑是什么剑
滔滔不绝的近义词是什么