小度生活
首页
美食营养
手工爱好
生活家居
返回
小度生活
首页
美食营养
游戏数码
手工爱好
生活家居
健康养生
运动户外
职场理财
情感交际
母婴教育
时尚美容
知识问答
生活知识
搜索
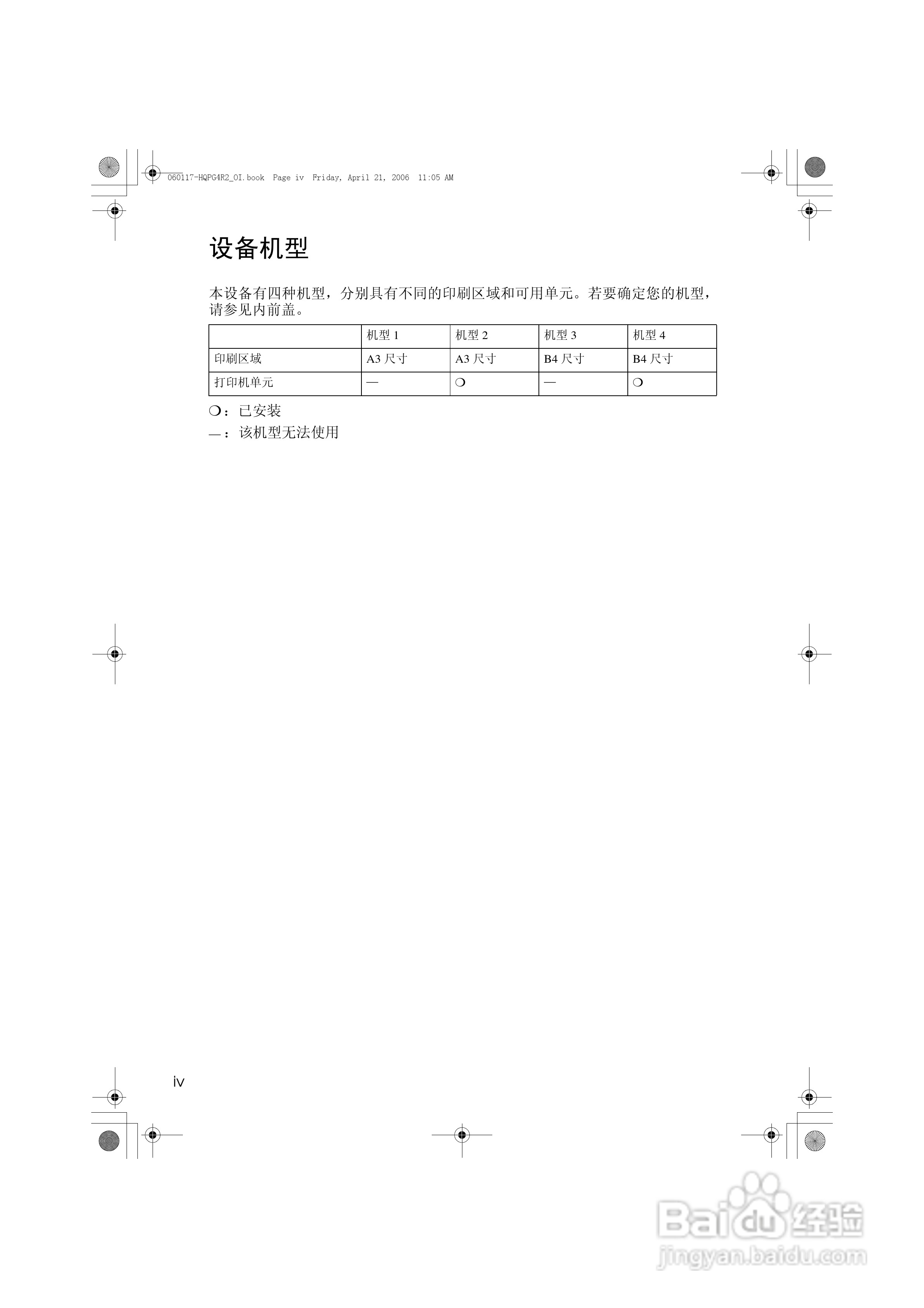
基士得耶CP6450C一体机使用说明书:[1]
2025-10-23 10:47:38
本篇为《基士得耶CP6450C一体机使用说明书》,主要介绍该产品的使用方法以及常见故障解决方案。
(共篇)
下一篇:
声明:
本网站引用、摘录或转载内容仅供网站访问者交流或参考,不代表本站立场,如存在版权或非法内容,请联系站长删除,联系邮箱:site.kefu@qq.com。
相关推荐
基士得耶CP6450C一体机使用说明书:[10]
阅读量:117
基士得耶CP6450C一体机使用说明书:[15]
阅读量:164
使用说明书封面怎么做
阅读量:111
使用说明书wf2651使用指南
阅读量:150
基士得耶CP6450C一体机使用说明书:[13]
阅读量:123
猜你喜欢
平头哥是什么动物
破窗效应是什么意思
什么是单反相机
scary是什么意思
加官进爵是什么刑法
桂花什么时候开花
咳血是什么原因引起的
脚肿是什么原因
龙胆泻肝丸的功效与作用治什么病
院士是什么级别
猜你喜欢
party是什么意思
hd什么意思
it是什么
2月24日是什么星座
6月5日是世界什么日
什么小说好看完结的
1987年属什么
letter是什么意思
正月是什么星座
large是什么意思