小度生活
首页
美食营养
手工爱好
生活家居
返回
小度生活
首页
美食营养
游戏数码
手工爱好
生活家居
健康养生
运动户外
职场理财
情感交际
母婴教育
时尚美容
知识问答
生活知识
搜索
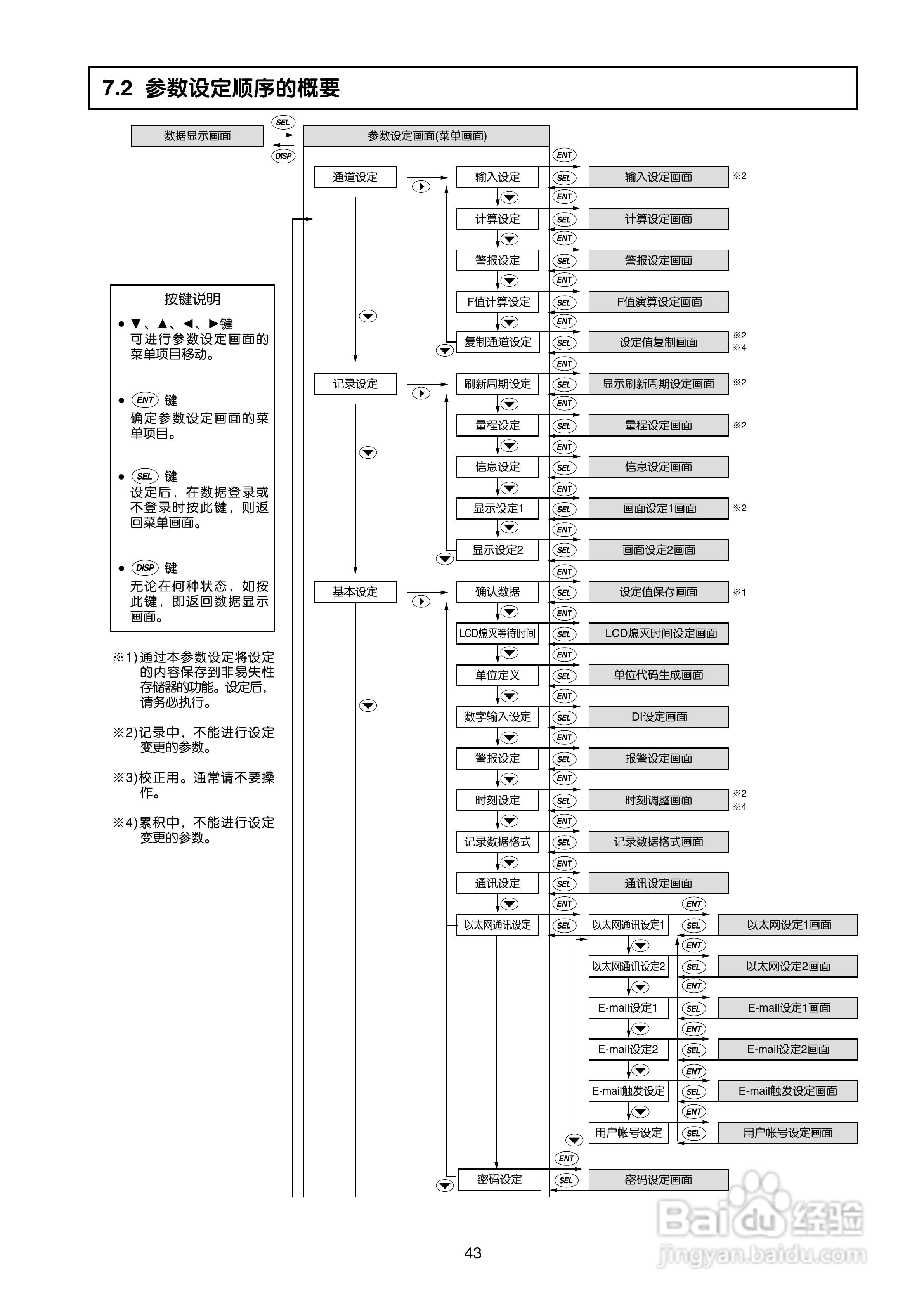
富士电机TN1PHN-C无纸记录仪使用说明书:[5]
2026-02-16 15:21:54
本篇为《富士电机TN1PHN-C无纸记录仪使用说明书》,主要介绍该产品的使用方法以及常见故障解决方案。
(共篇)
上一篇:
|
下一篇:
声明:
本网站引用、摘录或转载内容仅供网站访问者交流或参考,不代表本站立场,如存在版权或非法内容,请联系站长删除,联系邮箱:site.kefu@qq.com。
相关推荐
富士电机TN1PHN-C无纸记录仪使用说明书:[12]
阅读量:133
富士PHN无纸记录仪使用说明书:[5]
阅读量:182
富士PHN无纸记录仪使用说明书:[14]
阅读量:101
富士PHN无纸记录仪使用说明书:[8]
阅读量:102
富士PHN无纸记录仪使用说明书:[10]
阅读量:76
猜你喜欢
梦见死人是什么意思
什么事天不知地知你不知我知
枯萎的意思
眼罩什么牌子好
vip是什么意思
杨氏之子的意思
灌溉的意思
无济于事的意思
breast什么意思
2k屏幕是什么意思
猜你喜欢
取长补短的意思
12朵玫瑰代表什么
慎独的意思
x86什么意思
创意的意思
dsl是什么意思啊
神秘的意思
现在什么游戏最好玩
成人礼送什么礼物好
众泰t700什么时候上市