小度生活
首页
美食营养
手工爱好
生活家居
返回
小度生活
首页
美食营养
游戏数码
手工爱好
生活家居
健康养生
运动户外
职场理财
情感交际
母婴教育
时尚美容
知识问答
生活知识
搜索
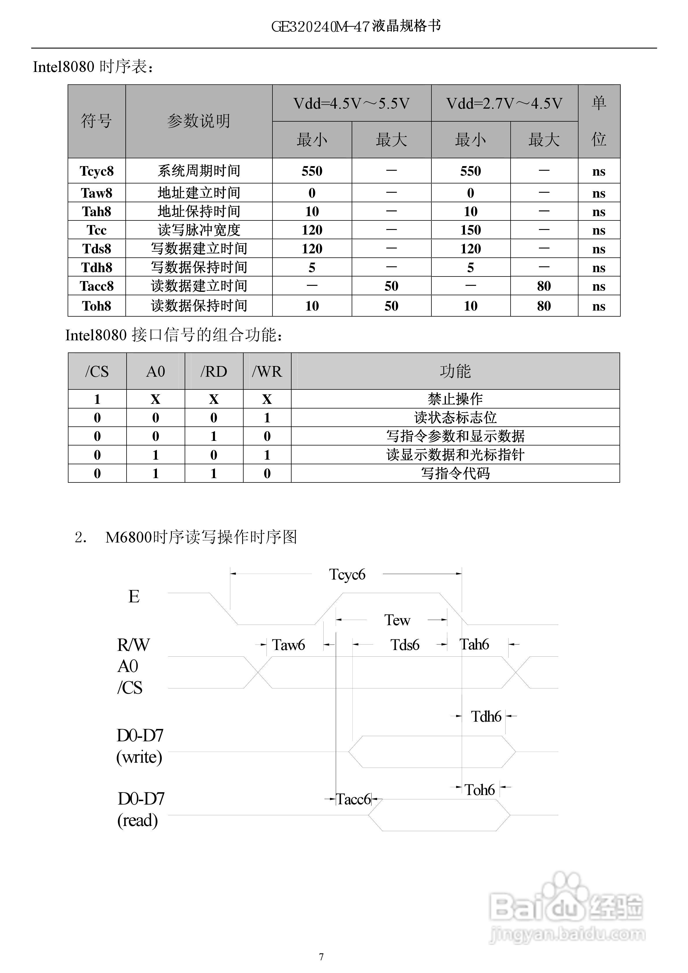
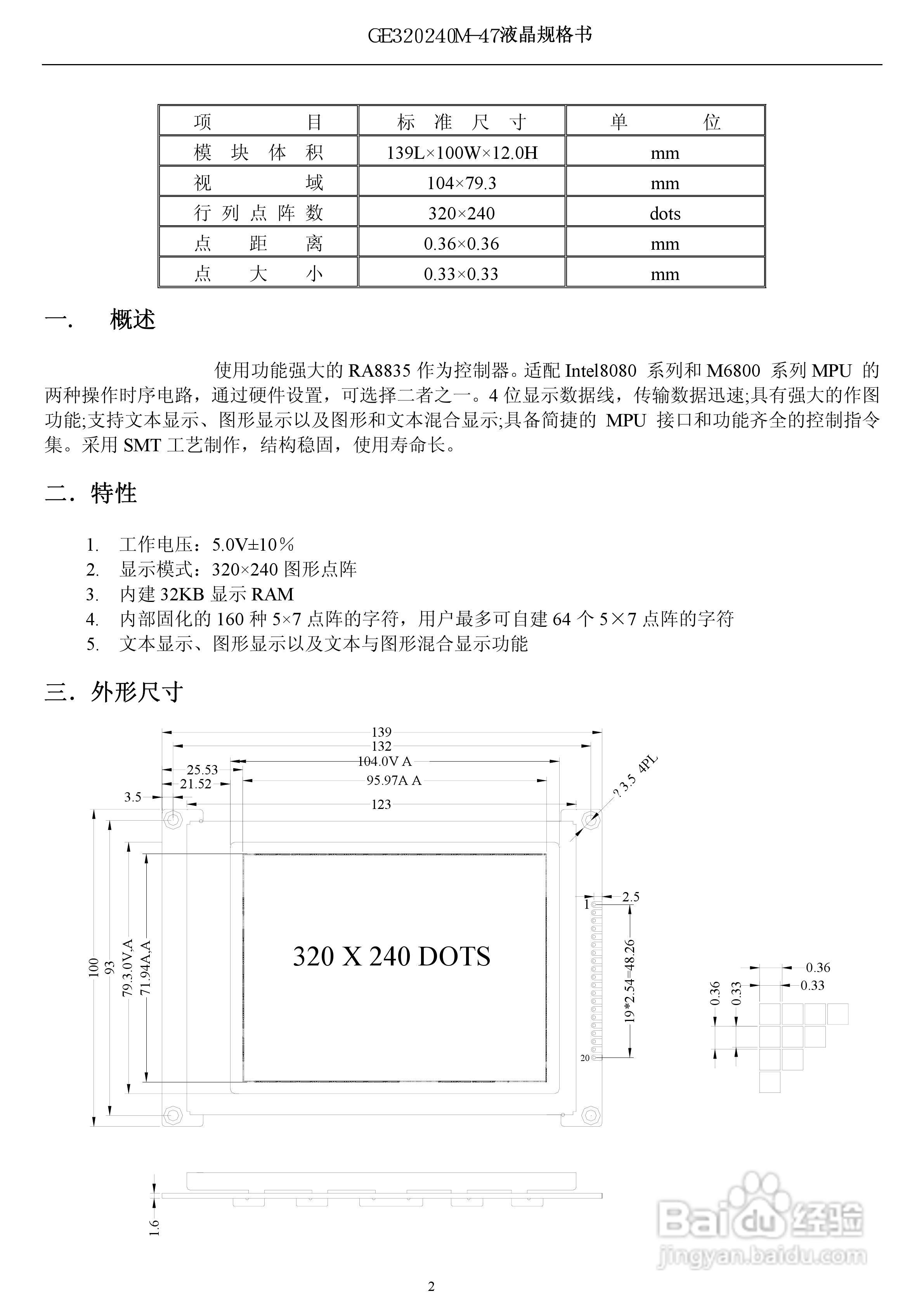
HTW-G320240M-47液晶显示模块使用手册:[1]
2026-01-19 03:00:01
本篇为《HTW-G320240M-47液晶显示模块使用手册》,主要介绍该产品的使用方法以及常见故障解决方案。
(共篇)
下一篇:
声明:
本网站引用、摘录或转载内容仅供网站访问者交流或参考,不代表本站立场,如存在版权或非法内容,请联系站长删除,联系邮箱:site.kefu@qq.com。
相关推荐
HTW-G320240M-47液晶显示模块使用手册:[2]
阅读量:174
HTW-G320240T3 液晶显示模块使用手册:[1]
阅读量:76
GE320240M-47液晶显示模块使用手册:[1]
阅读量:126
HTW-G320240B1系列液晶显示模块使用手:[1]
阅读量:164
液晶显示器的安装
阅读量:78
猜你喜欢
我今天为你祝福
修养是什么意思
多头和空头什么意思
出国打工需要什么手续
上海特产有什么
pond是什么意思
结婚祝福词
指日可待是什么意思
坚持不懈意思
network是什么意思
猜你喜欢
媲美是什么意思
代沟的意思
三从四德是什么意思
柳州有什么好玩的景点
喝彩的意思
夜书所见的书什么意思
responsibility是什么意思
嚎啕大哭的意思
峰峦的意思
给母亲买什么礼物好