小度生活
首页
美食营养
手工爱好
生活家居
返回
小度生活
首页
美食营养
游戏数码
手工爱好
生活家居
健康养生
运动户外
职场理财
情感交际
母婴教育
时尚美容
知识问答
生活知识
生活百科
搜索
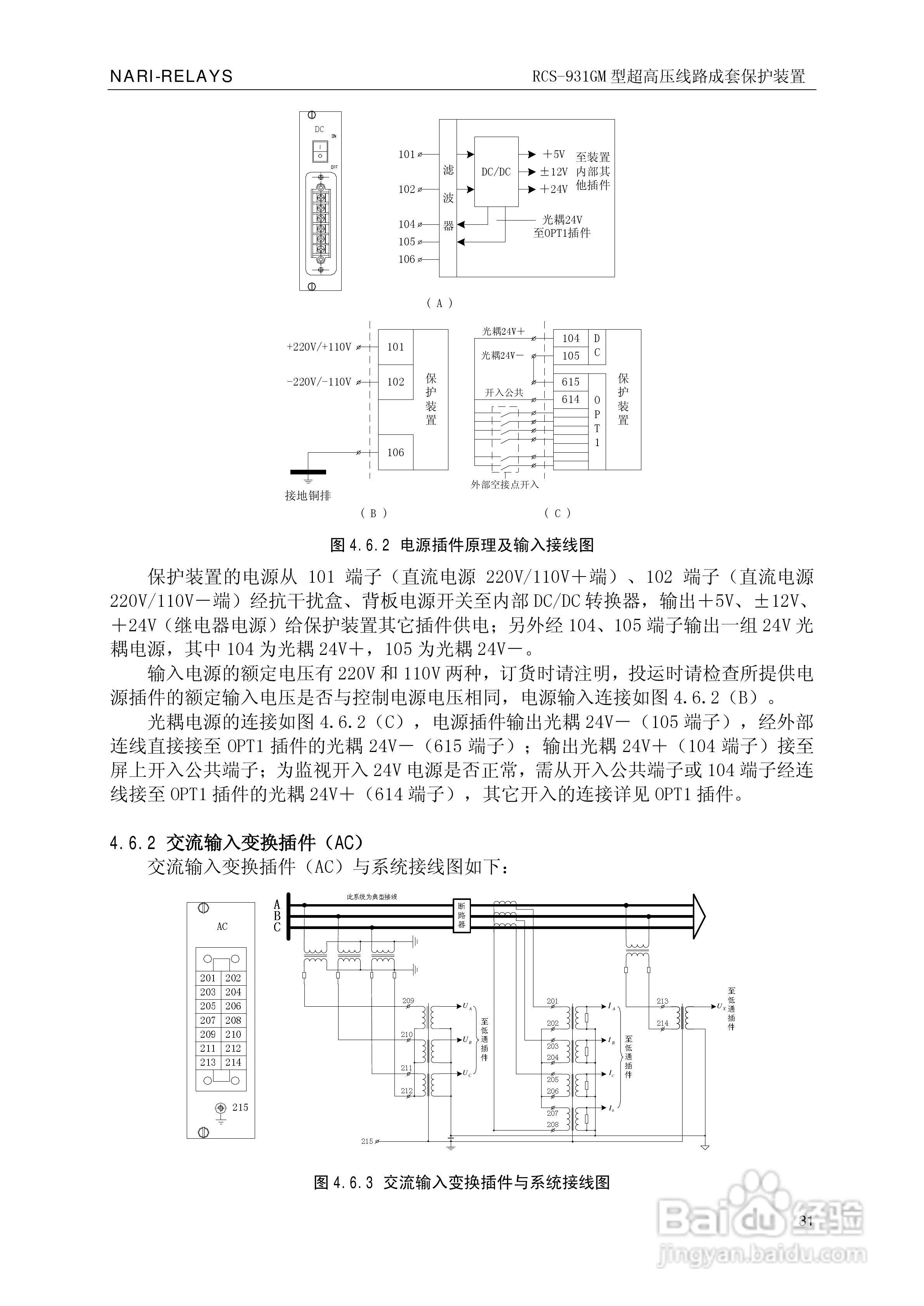
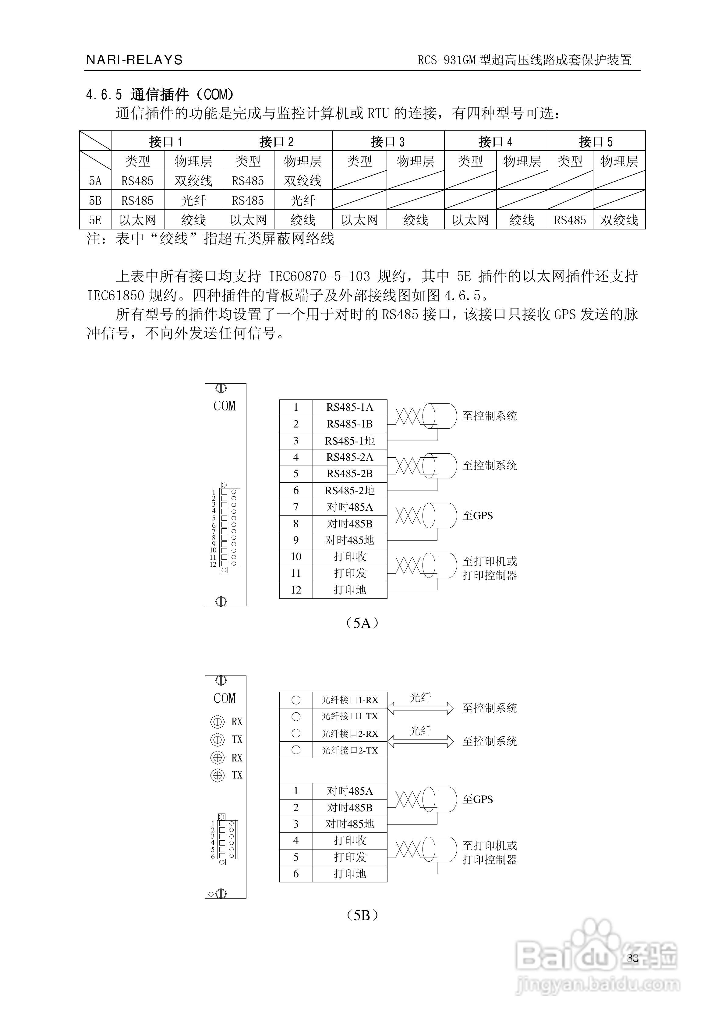
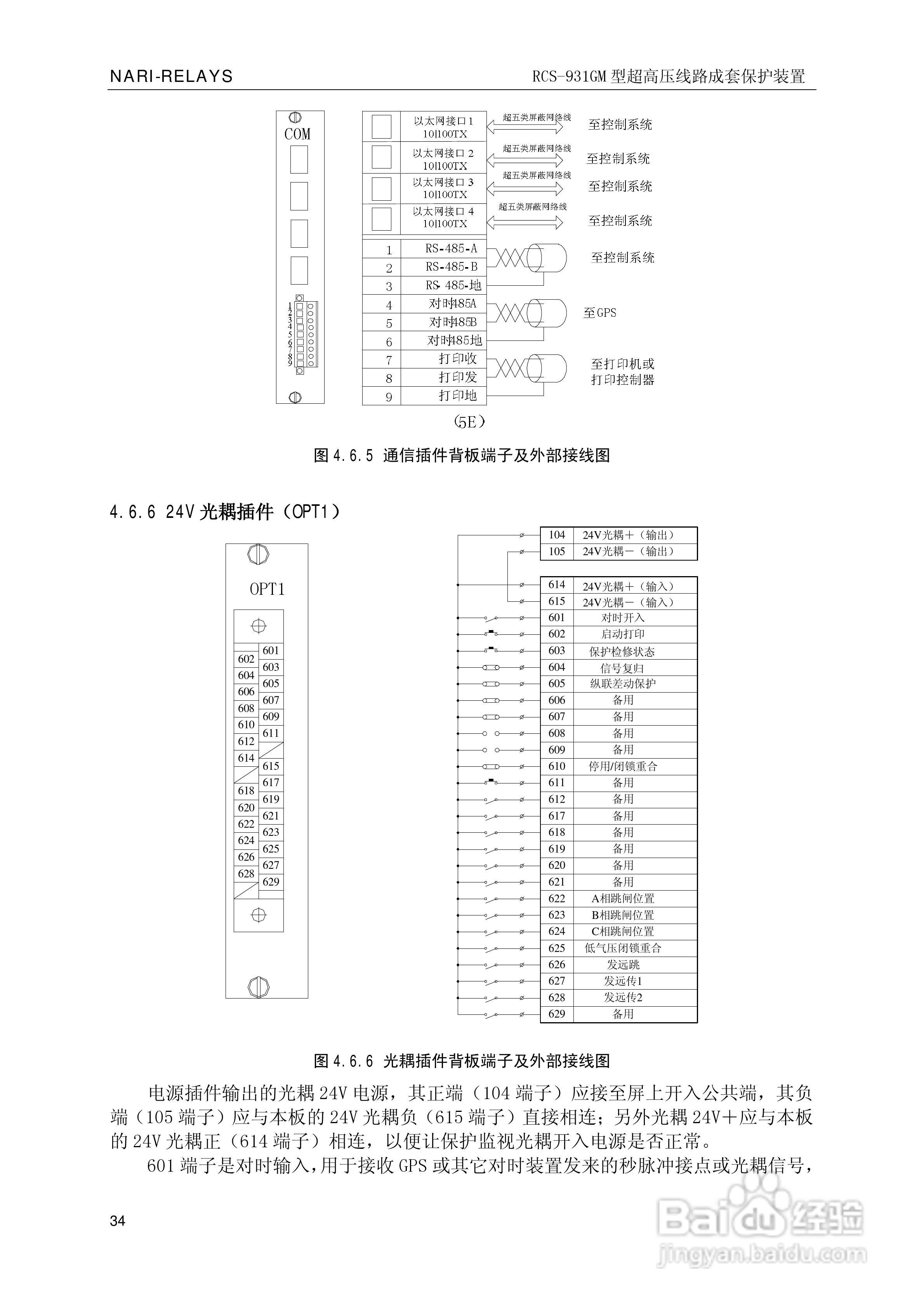
南瑞RCS-931GM型超高压线路电流差动保护装置使用说明:[4]
2026-03-28 23:01:40
本篇为《南瑞RCS-931GM型超高压线路电流差动保护装置使用说明》,主要介绍该产品的使用方法以及常见故障解决方案。
(共篇)
上一篇:
|
下一篇:
声明:
本网站引用、摘录或转载内容仅供网站访问者交流或参考,不代表本站立场,如存在版权或非法内容,请联系站长删除,联系邮箱:site.kefu@qq.com。
相关推荐
南瑞RCS-931GM型超高压线路电流差动保护装置使用说明:[1]
阅读量:193
南瑞RCS-931LM超高压线路电流差动保护装置使用说明书:[3]
阅读量:129
南瑞RCS-931LM超高压线路电流差动保护装置使用说明书:[1]
阅读量:179
南瑞RCS-931LM超高压线路电流差动保护装置使用说明书:[2]
阅读量:40
南瑞RCS-931LM超高压线路电流差动保护装置使用说明书:[4]
阅读量:176
猜你喜欢
结婚需要什么证件
破太岁是什么意思
gray是什么颜色
3月5日是什么星座
51号元素是什么意思
cheap是什么意思
薪级工资是什么意思
亚字加一笔是什么字
城府是什么意思
猥亵是什么意思
猜你喜欢
geek什么意思
10月27日是什么星座
接洽是什么意思
颢是什么意思
hd什么意思
再生纤维素纤维是什么面料
半联动是什么意思
赤字是什么意思
籼米是什么米
随遇而安是什么意思