小度生活
首页
美食营养
手工爱好
生活家居
返回
小度生活
首页
美食营养
游戏数码
手工爱好
生活家居
健康养生
运动户外
职场理财
情感交际
母婴教育
时尚美容
知识问答
生活知识
生活百科
搜索
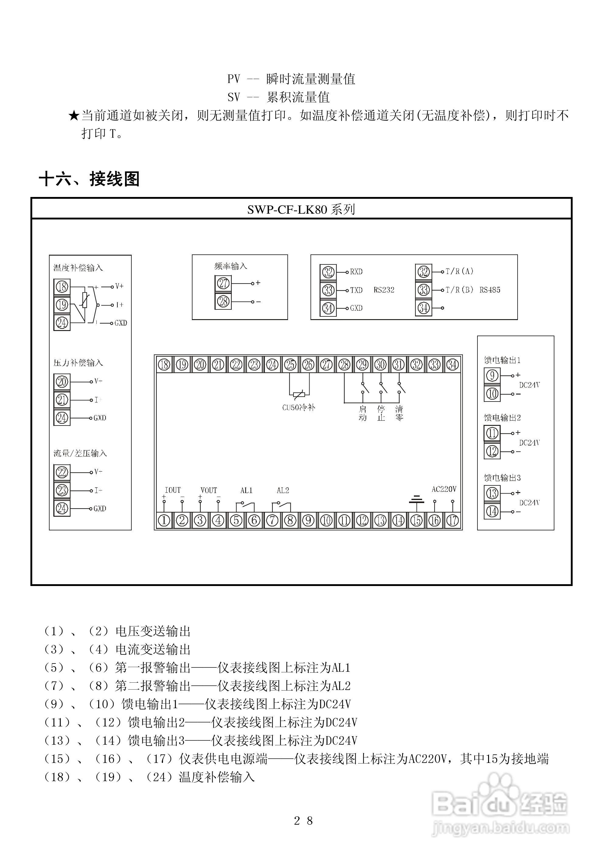
SWP-CF-LK智能流量积算控制仪操作手:[4]
2026-05-16 21:06:51
本篇为《SWP-CF-LK智能流量积算控制仪操作手》,主要介绍该产品的使用方法以及常见故障解决方案。
(共篇)
上一篇:
|
下一篇:
声明:
本网站引用、摘录或转载内容仅供网站访问者交流或参考,不代表本站立场,如存在版权或非法内容,请联系站长删除,联系邮箱:site.kefu@qq.com。
相关推荐
SWP-CF-LK智能流量积算控制仪操作手:[3]
阅读量:36
昌晖CF-LK智能流量积算控制仪说明书:[4]
阅读量:176
昌晖CF-LK智能流量积算控制仪说明书:[3]
阅读量:108
昌晖CF-LK智能流量积算控制仪说明书:[5]
阅读量:28
昌晖CF-LK智能流量积算控制仪说明书:[6]
阅读量:37
猜你喜欢
特步运动鞋女款
什么东西人们都不喜欢吃
灵芝孢子粉的作用
蛋白质的作用
李庄白肉什么梗
西洋参有什么作用和功效
关于法律的知识
地震知识
什么触动了我的心灵
肠虫清什么时候吃
猜你喜欢
初一下册历史知识点
玫瑰花茶的作用
修辞手法的作用
item什么意思
北沙参的功效与作用
儿童电动车什么牌子好
金不换的功效与作用
烛之武退秦师知识点
阿奇霉素片的作用功效
熊猫的知识资料大全