小度生活
首页
美食营养
手工爱好
生活家居
返回
小度生活
首页
美食营养
游戏数码
手工爱好
生活家居
健康养生
运动户外
职场理财
情感交际
母婴教育
时尚美容
知识问答
生活知识
生活百科
搜索
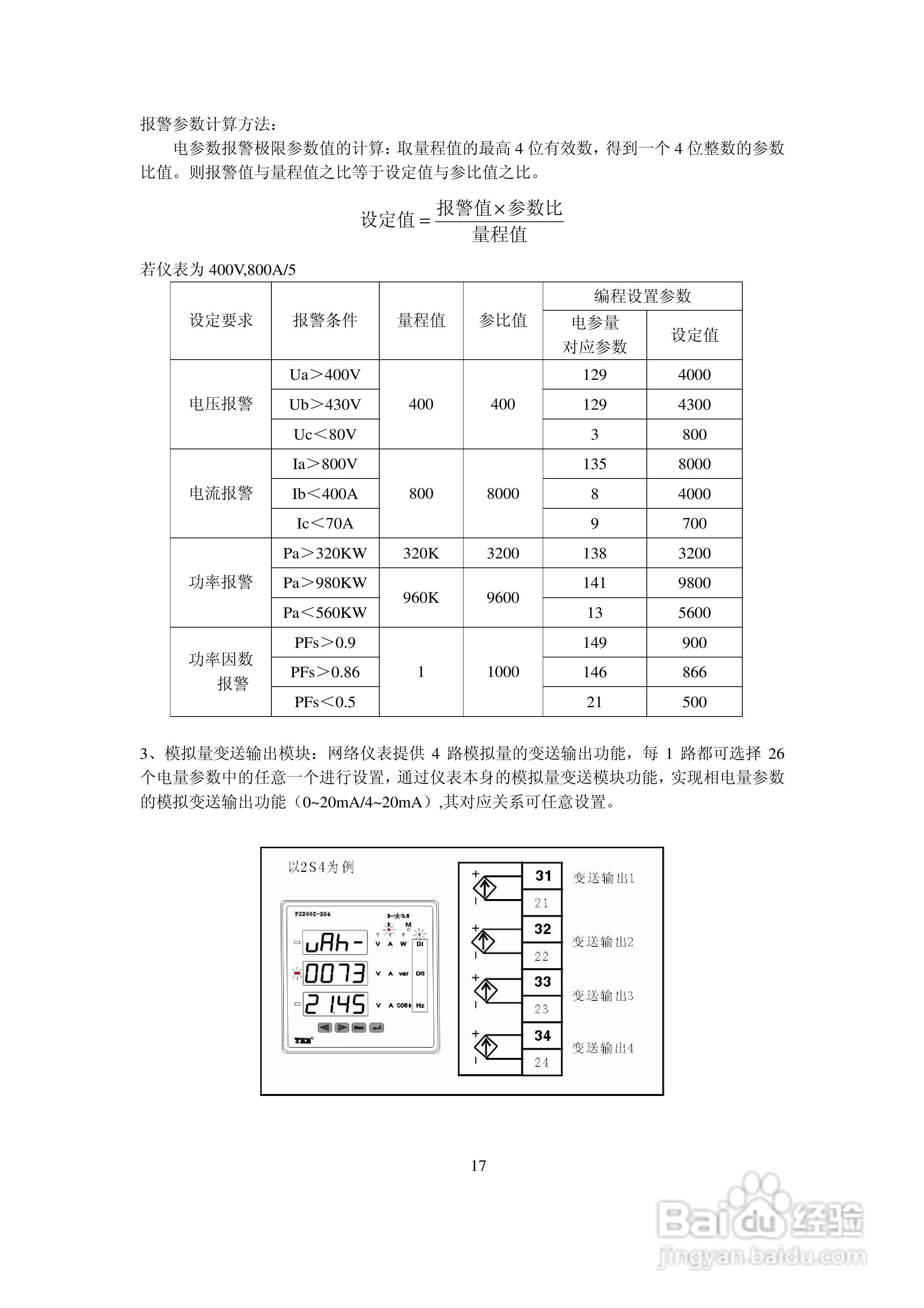
燕赵PZ200Z-9S4多功能网络电力仪表说明书:[2]
2026-05-18 06:35:41
本篇为《燕赵PZ200Z-9S4多功能网络电力仪表说明书》,主要介绍该产品的使用方法以及常见故障解决方案。
(共篇)
上一篇:
|
下一篇:
声明:
本网站引用、摘录或转载内容仅供网站访问者交流或参考,不代表本站立场,如存在版权或非法内容,请联系站长删除,联系邮箱:site.kefu@qq.com。
相关推荐
PZ200Z-9S4多功能网络电力仪表使用说明书:[2]
阅读量:98
PZ200Z-9S4多功能网络电力仪表使用说明书:[1]
阅读量:74
PZ200Z-SY 系列多功能网络电力仪表(液晶版)使用手册:[2]
阅读量:130
PZ200Z-SY 系列多功能网络电力仪表(液晶版)使用手册:[1]
阅读量:63
ZYC-Z-2S4多功能网络电力仪表使用说明书:[2]
阅读量:166
猜你喜欢
优生活
奢侈生活
假如生活欺骗了你电视剧
mm是什么意思
笔记本电池如何保养
如何成为明星
如何玩魔方6个面口诀
如何买手表
sport是什么意思
carry是什么意思
猜你喜欢
cute是什么意思
广汽传祺ga3怎么样
怎么关闭垂直同步
生活小创意
如何找客户
阿黛尔的生活
211985大学是什么意思
怎么提高上传速度
微信怎么全体成员
timi是什么意思