小度生活
首页
美食营养
手工爱好
生活家居
返回
小度生活
首页
美食营养
游戏数码
手工爱好
生活家居
健康养生
运动户外
职场理财
情感交际
母婴教育
时尚美容
知识问答
生活知识
搜索
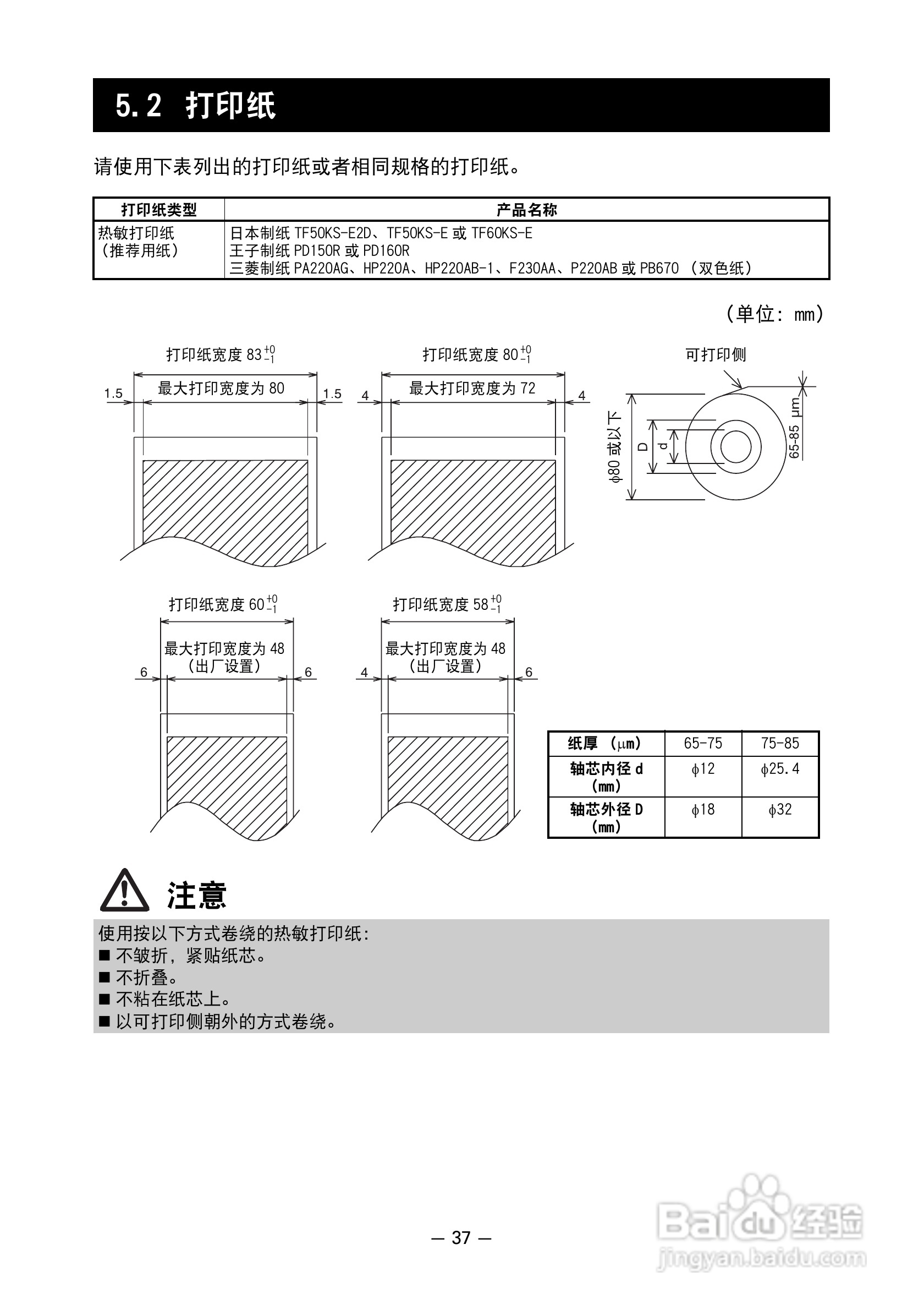
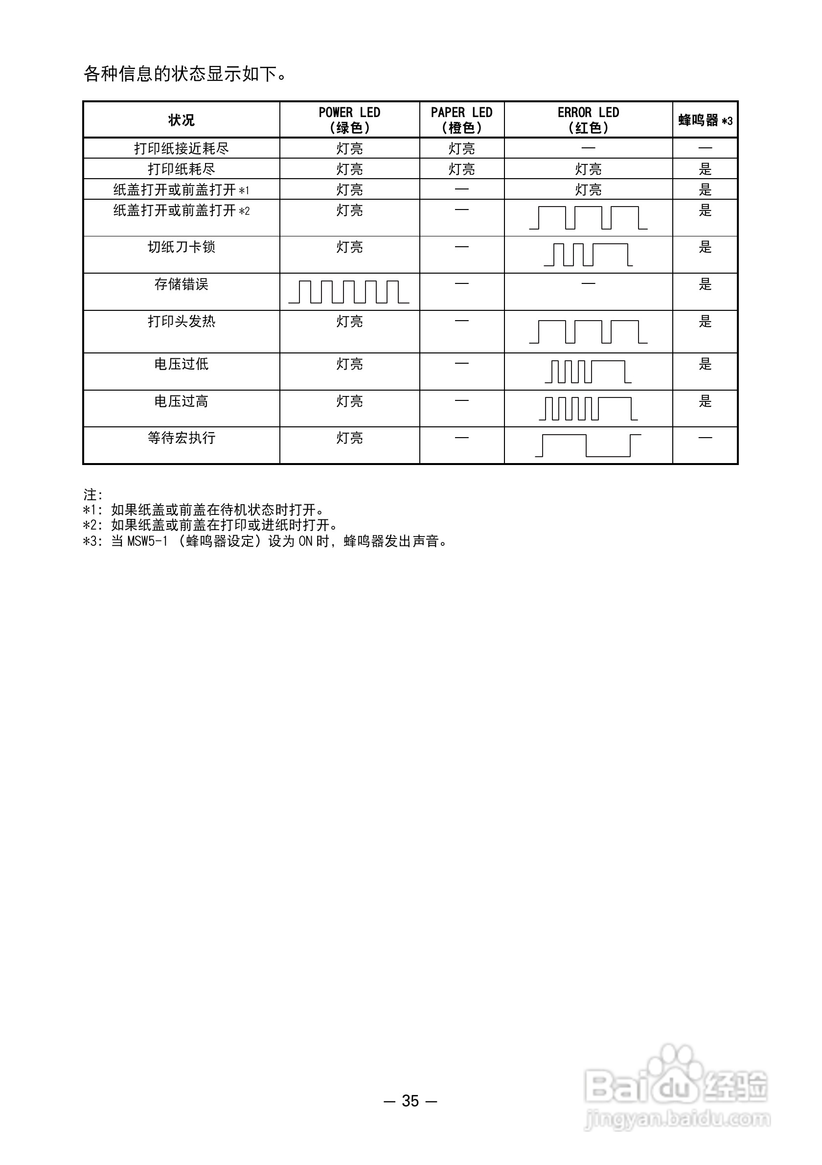
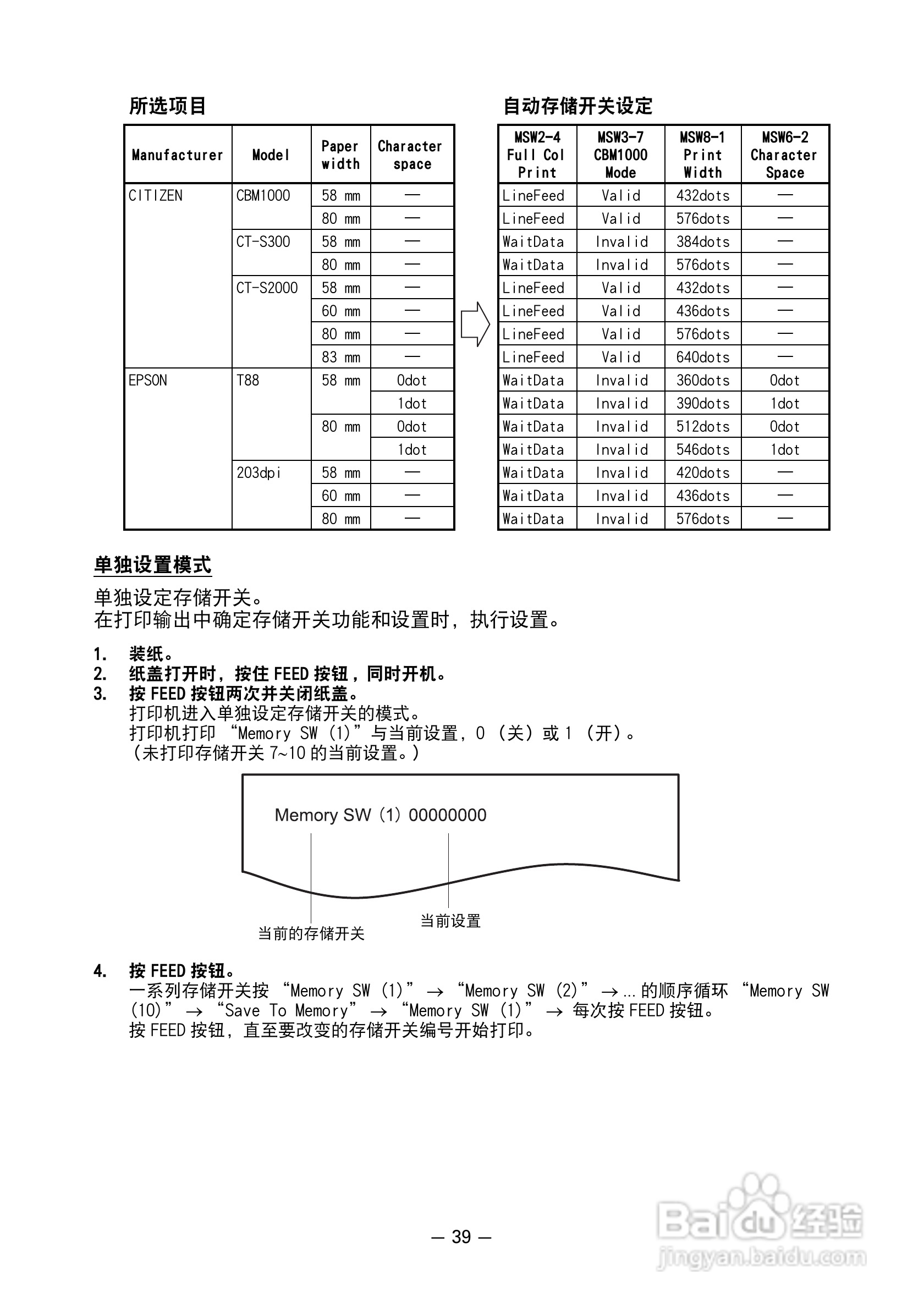
CITIZEN 热敏打印机MODEL CT-S651 用户手册:[4]
2026-02-17 16:09:33
本篇为《CITIZEN 热敏打印机MODEL CT-S651 用户手册》,主要介绍该产品的使用方法以及常见故障解决方案。
(共篇)
上一篇:
|
下一篇:
声明:
本网站引用、摘录或转载内容仅供网站访问者交流或参考,不代表本站立场,如存在版权或非法内容,请联系站长删除,联系邮箱:site.kefu@qq.com。
相关推荐
CITIZEN 热敏打印机model ct-s601 用户手册:[4]
阅读量:57
CITIZEN 热敏打印机model ct-s601 用户手册:[5]
阅读量:194
CITIZEN CLP-621C打印机用户手册:[4]
阅读量:103
CITIZEN CLP-521C条码打印机用户手册:[6]
阅读量:194
CITIZEN CLP-521C条码打印机用户手册:[5]
阅读量:79
猜你喜欢
黑头是什么
我思故我在是什么意思
什么叫闺蜜
农历9月是什么星座
cause什么意思
study是什么意思
一什么红日
叶酸什么牌子好
嘴唇发麻是什么原因
steam什么意思
猜你喜欢
氯化钠注射作用是什么
利息怎么算公式是什么
多巴胺是什么
修罗是什么意思
4月20日是什么星座
欲擒故纵是什么意思
什么牛不吃草
粘胶纤维是什么面料
示儿的诗意是什么
what about you是什么意思