小度生活
首页
美食营养
手工爱好
生活家居
返回
小度生活
首页
美食营养
游戏数码
手工爱好
生活家居
健康养生
运动户外
职场理财
情感交际
母婴教育
时尚美容
知识问答
生活知识
搜索
新北洋BTP-6200I标签打印机用户手册:[2]
2026-02-05 12:21:34
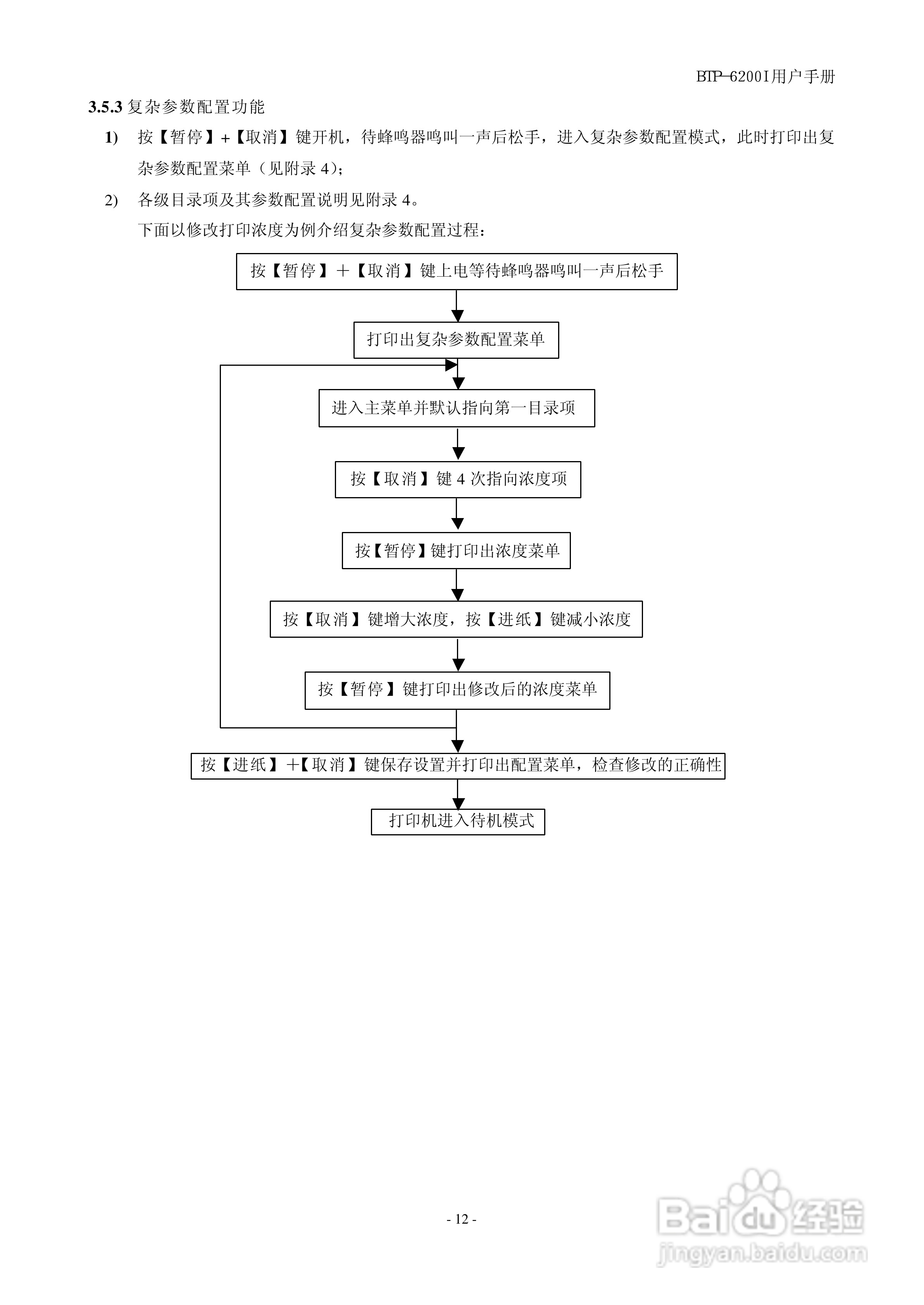
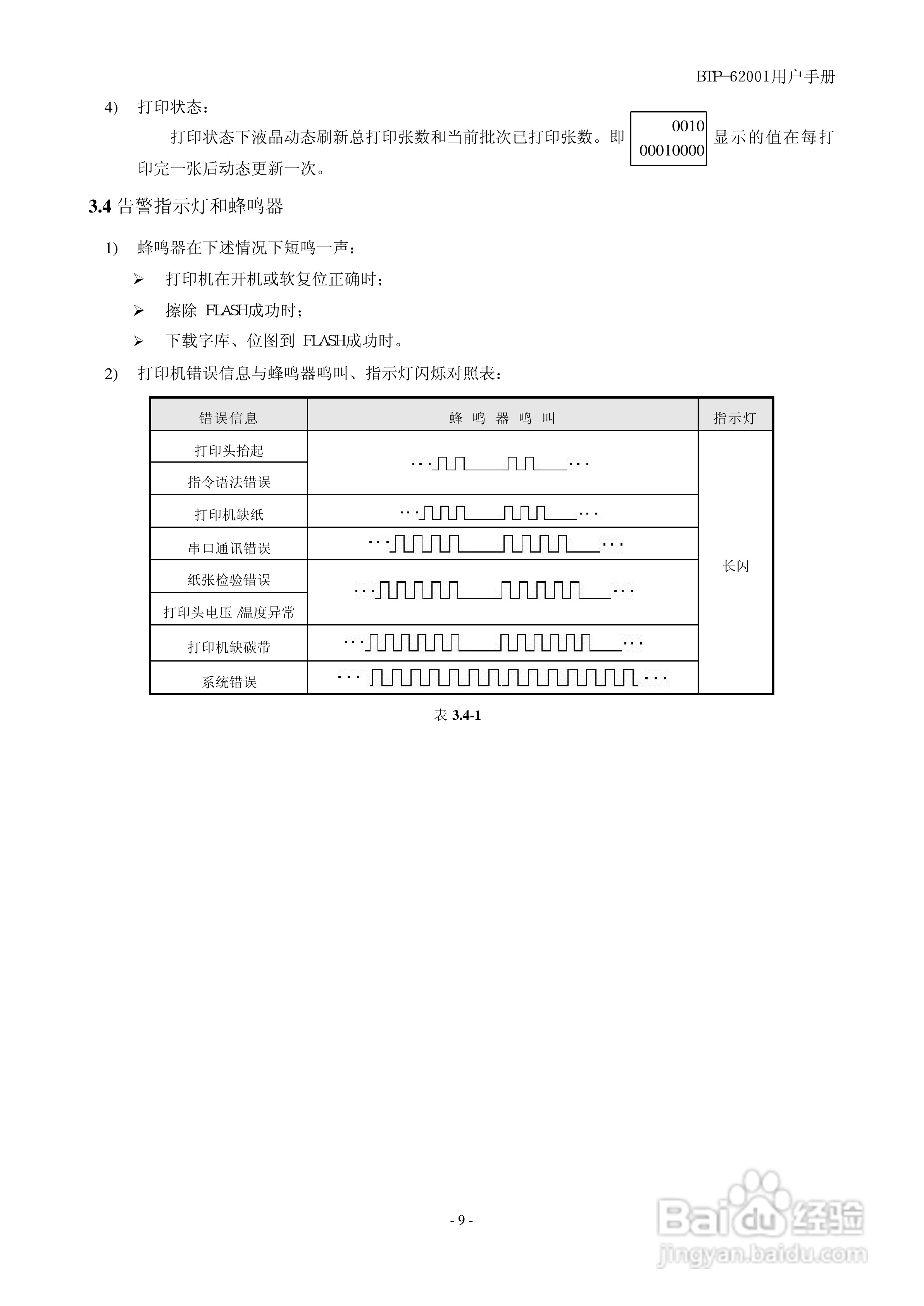
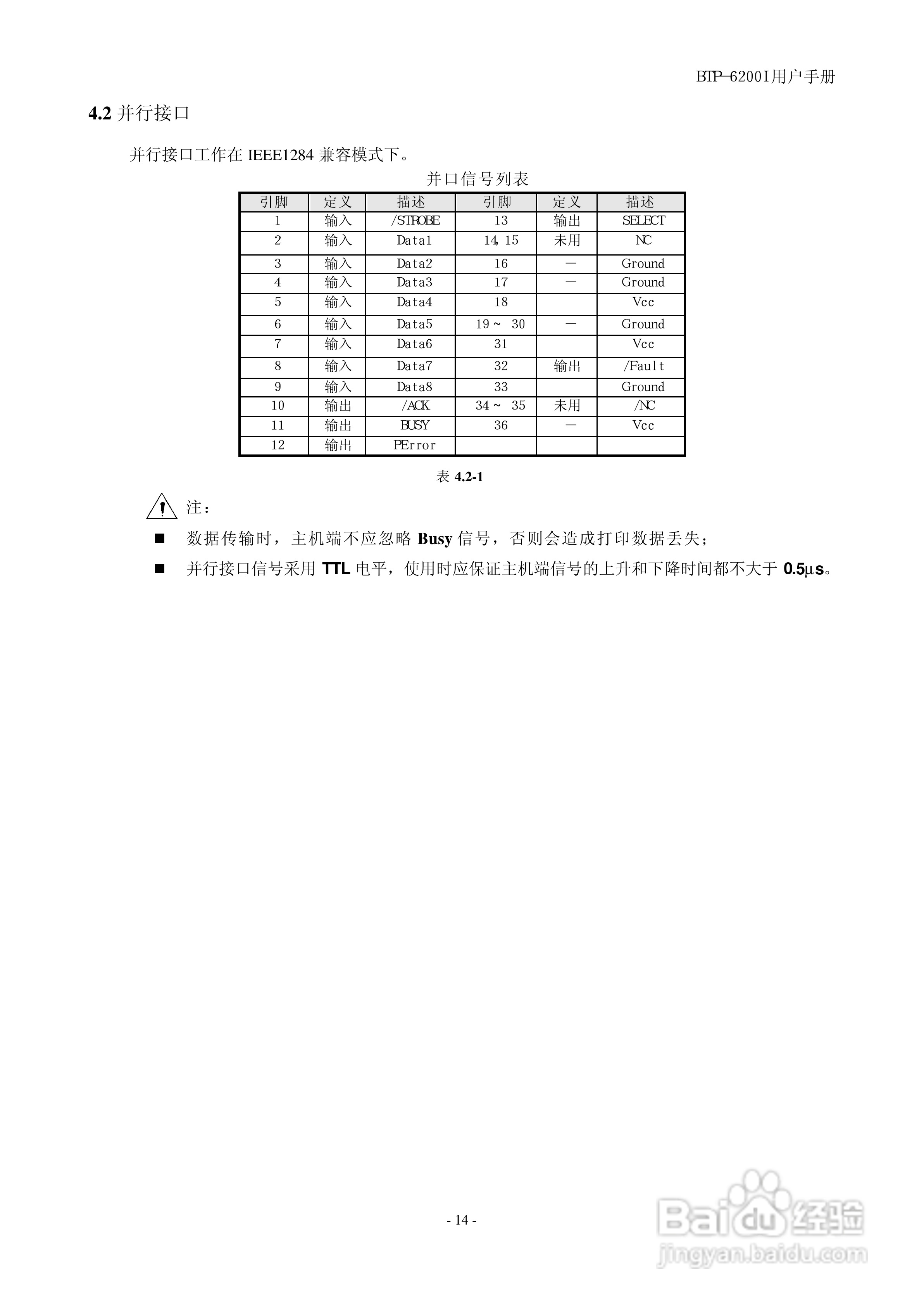
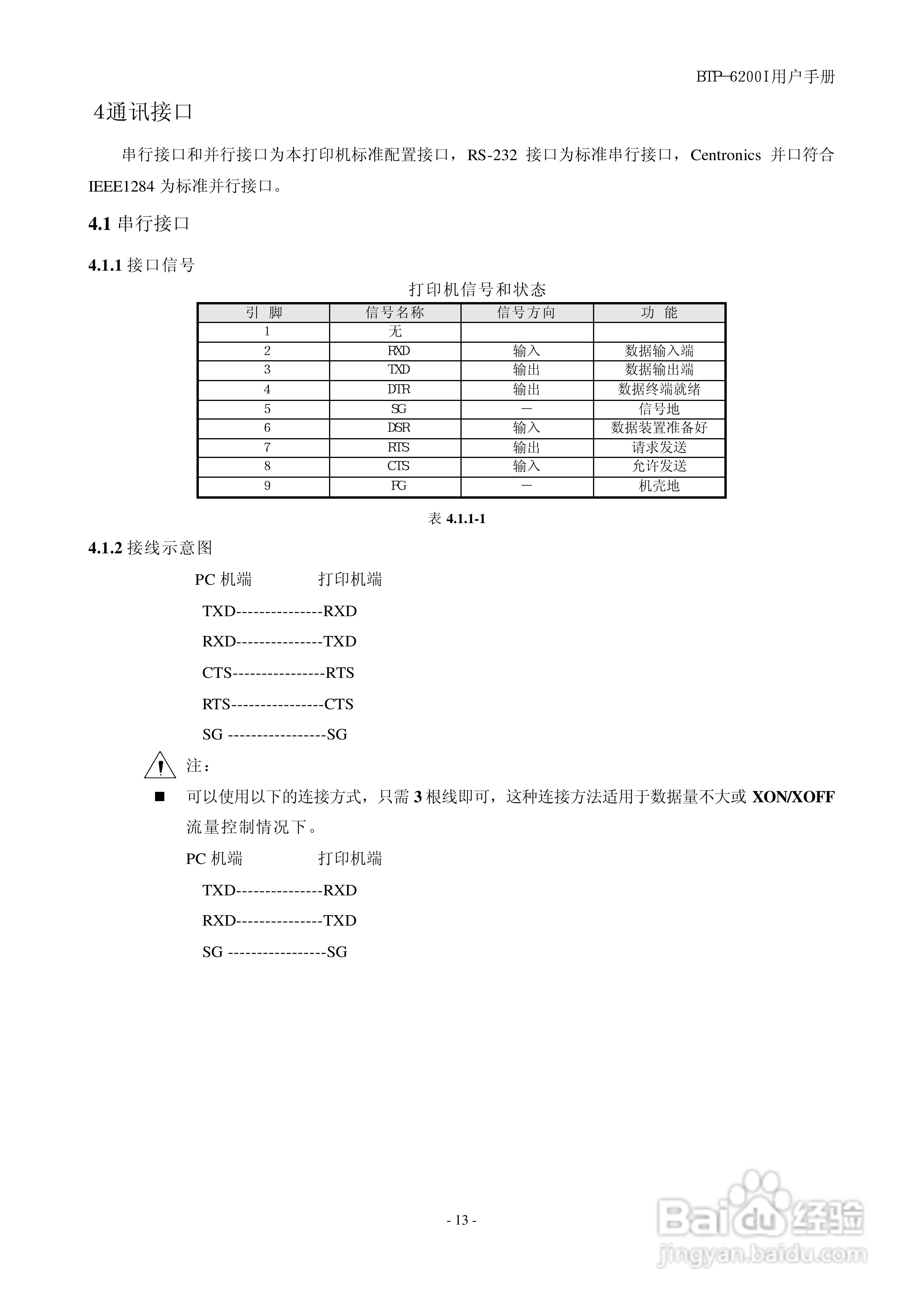
本篇为《新北洋BTP-6200I标签打印机用户手册》,主要介绍该产品的使用方法以及常见故障解决方案。
(共篇)
上一篇:
|
下一篇:
声明:
本网站引用、摘录或转载内容仅供网站访问者交流或参考,不代表本站立场,如存在版权或非法内容,请联系站长删除,联系邮箱:site.kefu@qq.com。
相关推荐
新北洋BTP-6200I标签打印机用户手册:[3]
阅读量:28
新北洋BTP-1000PT条码/标签打印机用户手册:[2]
阅读量:125
新北洋BTP-2000SII 标签打印机用户手册:[2]
阅读量:167
新北洋BTP-2000SII 标签打印机用户手册:[1]
阅读量:51
新北洋BTP-2000SII 标签打印机用户手册:[3]
阅读量:160
猜你喜欢
汽车按揭需要什么手续
淘宝小号是什么意思
叹为观止的意思是什么
爱莫能助的意思
冬天吃萝卜有什么好处
卫衣搭配什么裤子
idc是什么意思
鹿柴古诗的意思是什么
bright是什么意思
大暑是什么意思啊
猜你喜欢
目光炯炯的意思
施舍是什么意思
父亲节祝福语
重阳节祝福语大全
屏幕截图按什么键
板栗和什么不能一起吃
什么软件一天可以赚50
送花祝福语
custom是什么意思
社会保障卡有什么用途