小度生活
首页
美食营养
手工爱好
生活家居
返回
小度生活
首页
美食营养
游戏数码
手工爱好
生活家居
健康养生
运动户外
职场理财
情感交际
母婴教育
时尚美容
知识问答
生活知识
搜索
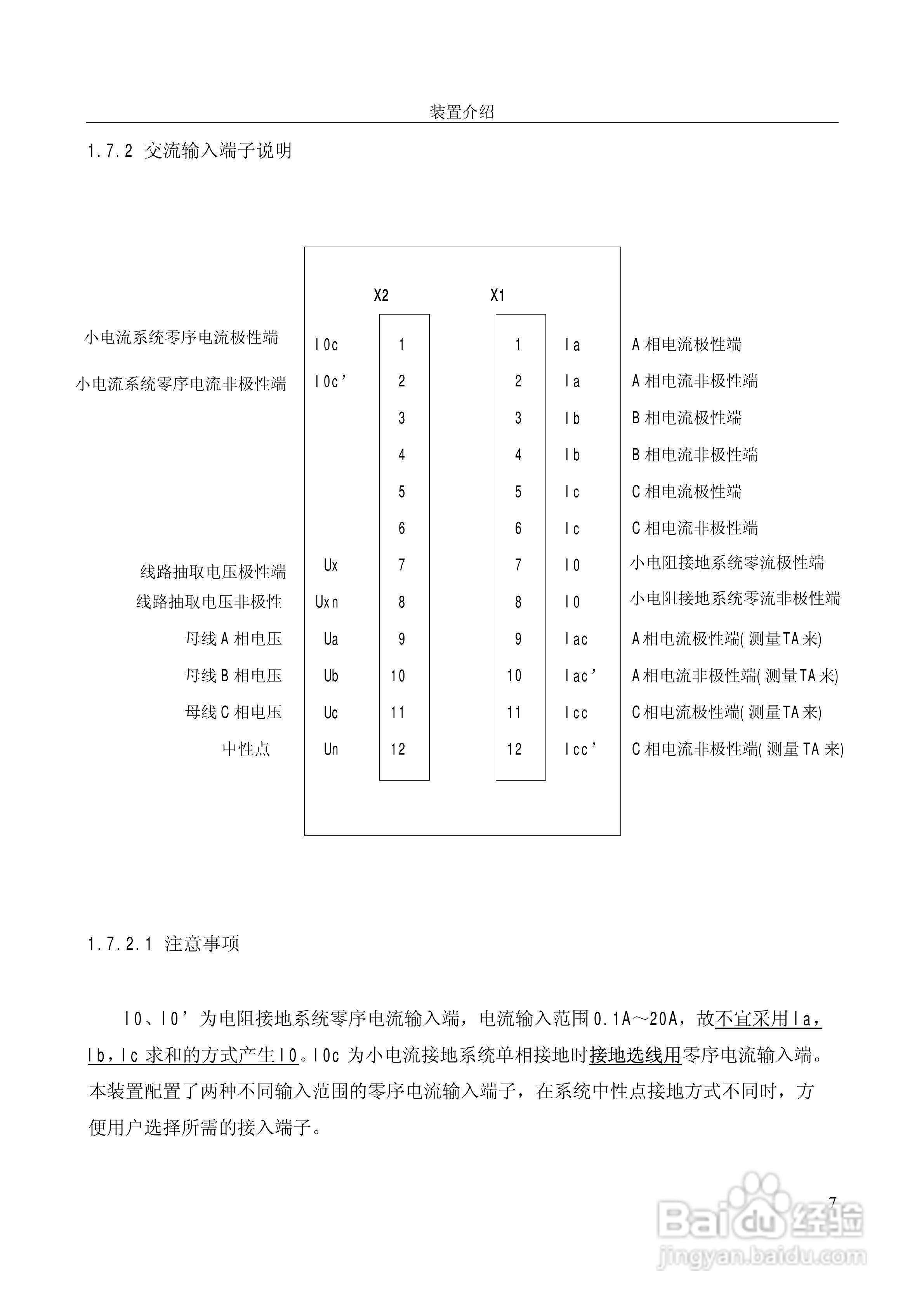
国电南自PSL649数字式线路保护装置使用说明书:[1]
2025-10-25 16:50:48
本篇为《国电南自PSL649数字式线路保护装置使用说明书》,主要介绍该产品的使用方法以及常见故障解决方案。
(共篇)
下一篇:
声明:
本网站引用、摘录或转载内容仅供网站访问者交流或参考,不代表本站立场,如存在版权或非法内容,请联系站长删除,联系邮箱:site.kefu@qq.com。
相关推荐
南自NDX326数字式线路保护装置说明书:[1]
阅读量:177
南自NDX326数字式线路保护装置说明书:[6]
阅读量:186
国电南自PSL626C数字式线路保护装置技术说明书:[8]
阅读量:84
国电南自PSL626C数字式线路保护装置技术说明书:[2]
阅读量:162
国电南自PSL626C数字式线路保护装置技术说明书:[3]
阅读量:78
猜你喜欢
股市熔断是什么意思啊
韦编三绝是什么意思
鱼贯而出的意思
绿草如茵的意思
历历在目是什么意思
痛定思痛是什么意思
chips是什么意思
深谙的意思
cycle是什么意思
什么是蓝筹股票
猜你喜欢
brake是什么意思
pasta是什么意思
tennis是什么意思
长生不老的意思
艾条什么牌子好
蝉联是什么意思
血气方刚是什么意思
暮江吟古诗意思
north是什么意思
玩游戏用什么系统好