小度生活
首页
美食营养
手工爱好
生活家居
返回
小度生活
首页
美食营养
游戏数码
手工爱好
生活家居
健康养生
运动户外
职场理财
情感交际
母婴教育
时尚美容
知识问答
生活知识
生活百科
搜索
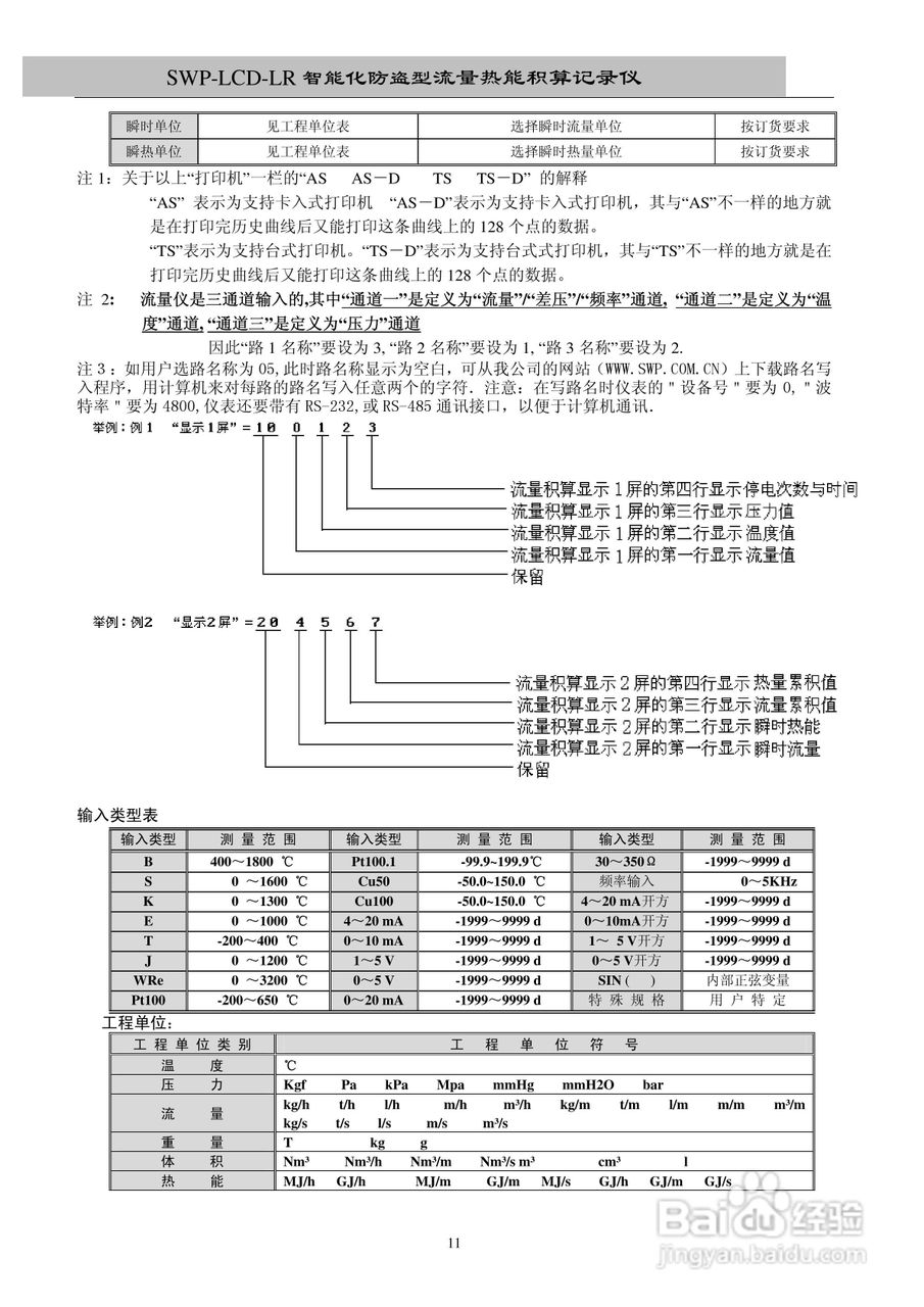
昌晖SWP-LCD-LR流量记录仪(无防盗)说明书:[2]
2026-03-29 17:09:33
本篇为《昌晖SWP-LCD-LR流量记录仪(无防盗)说明书》,主要介绍该产品的使用方法以及常见故障解决方案。
(共篇)
上一篇:
|
下一篇:
声明:
本网站引用、摘录或转载内容仅供网站访问者交流或参考,不代表本站立场,如存在版权或非法内容,请联系站长删除,联系邮箱:site.kefu@qq.com。
相关推荐
昌晖SWP-LCD-LR流量记录仪(带防盗)说明书:[2]
阅读量:156
昌晖SWP-LCD-LR流量记录仪(无防盗)说明书:[6]
阅读量:149
昌晖SWP-LCD-LR流量记录仪(带防盗)说明书:[1]
阅读量:84
昌晖SWP-LCD-NLR智能化防盗型流量/热能积算仪说明书:[3]
阅读量:47
昌晖SWP-LCD-NLR智能化防盗型流量/热能积算仪说明书:[4]
阅读量:57
猜你喜欢
皮肤晒伤后怎么办
cs35怎么样
小米手机如何
快捷支付怎么开通
股骨头如何治疗
如何规划自己的人生
mhdd怎么用
cnn是什么
06cr19ni10是什么材质
合数是什么
猜你喜欢
我的电脑图标不见了怎么办
斐讯路由器怎么安装
福汇平台怎么样
飞歌导航怎么样
汽车磨合期怎么开
生活常识
淘宝的保证金怎么退
如何催奶
ps如何安装字体
耳机参数怎么看