小度生活
首页
美食营养
手工爱好
生活家居
返回
小度生活
首页
美食营养
游戏数码
手工爱好
生活家居
健康养生
运动户外
职场理财
情感交际
母婴教育
时尚美容
知识问答
搜索
南瑞继保RCS-9629CN备用电源自投与测控装置使用说明书:[5]
2025-10-08 04:38:09
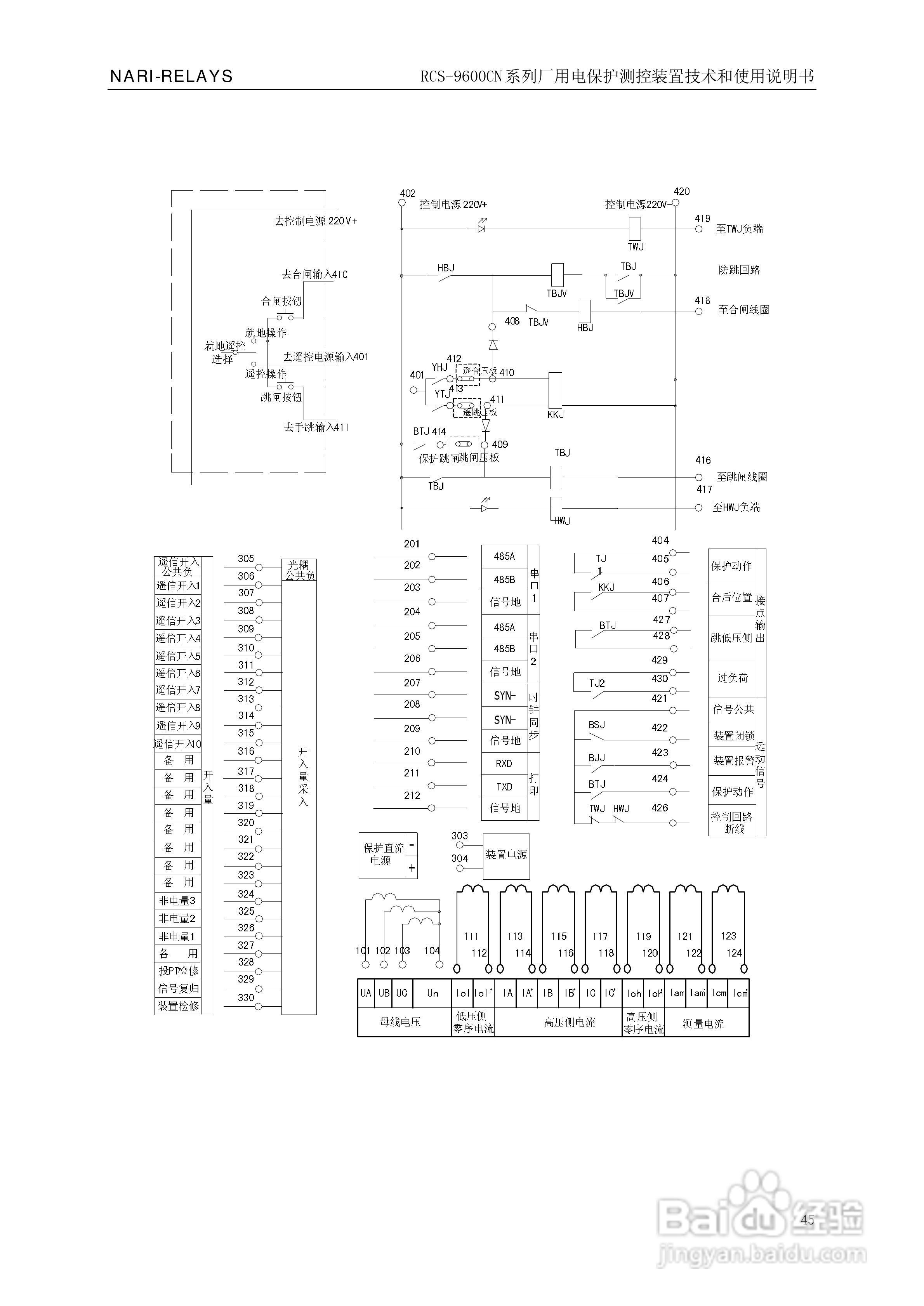
本篇为《南瑞继保RCS-9629CN备用电源自投与测控装置使用说明书》,主要介绍该产品的使用方法以及常见故障解决方案。
(共篇)
上一篇:
|
下一篇:
声明:
本网站引用、摘录或转载内容仅供网站访问者交流或参考,不代表本站立场,如存在版权或非法内容,请联系站长删除,联系邮箱:site.kefu@qq.com。
相关推荐
南瑞继保RCS-9629CN备用电源自投与测控装置使用说明书:[12]
阅读量:104
南瑞继保RCS-9609遥信采集装置使用说明书:[5]
阅读量:78
南瑞继保RCS-9609遥信采集装置使用说明书:[2]
阅读量:122
南瑞继保RCS-9629CN备用电源自投与测控装置使用说明书:[13]
阅读量:195
南瑞继保RCS-9629CN备用电源自投与测控装置使用说明书:[7]
阅读量:186
猜你喜欢
天香用什么心法
德国有什么值得买的
肝胆相照的意思和造句
什么是空手套白狼
祝福领导最实在的话
找工作上什么网站好
无疾而终的意思
后会有期的意思
happy birthday是什么意思
数字代表的意思
猜你喜欢
秋思的意思
试管婴儿有什么缺陷
祝福祖国的话
瑟瑟的意思
祝福
什么是工业4.0概念
record是什么意思
给领导的祝福语
material是什么意思
一周岁生日祝福语