小度生活
首页
美食营养
手工爱好
生活家居
返回
小度生活
首页
美食营养
游戏数码
手工爱好
生活家居
健康养生
运动户外
职场理财
情感交际
母婴教育
时尚美容
知识问答
生活知识
生活百科
搜索
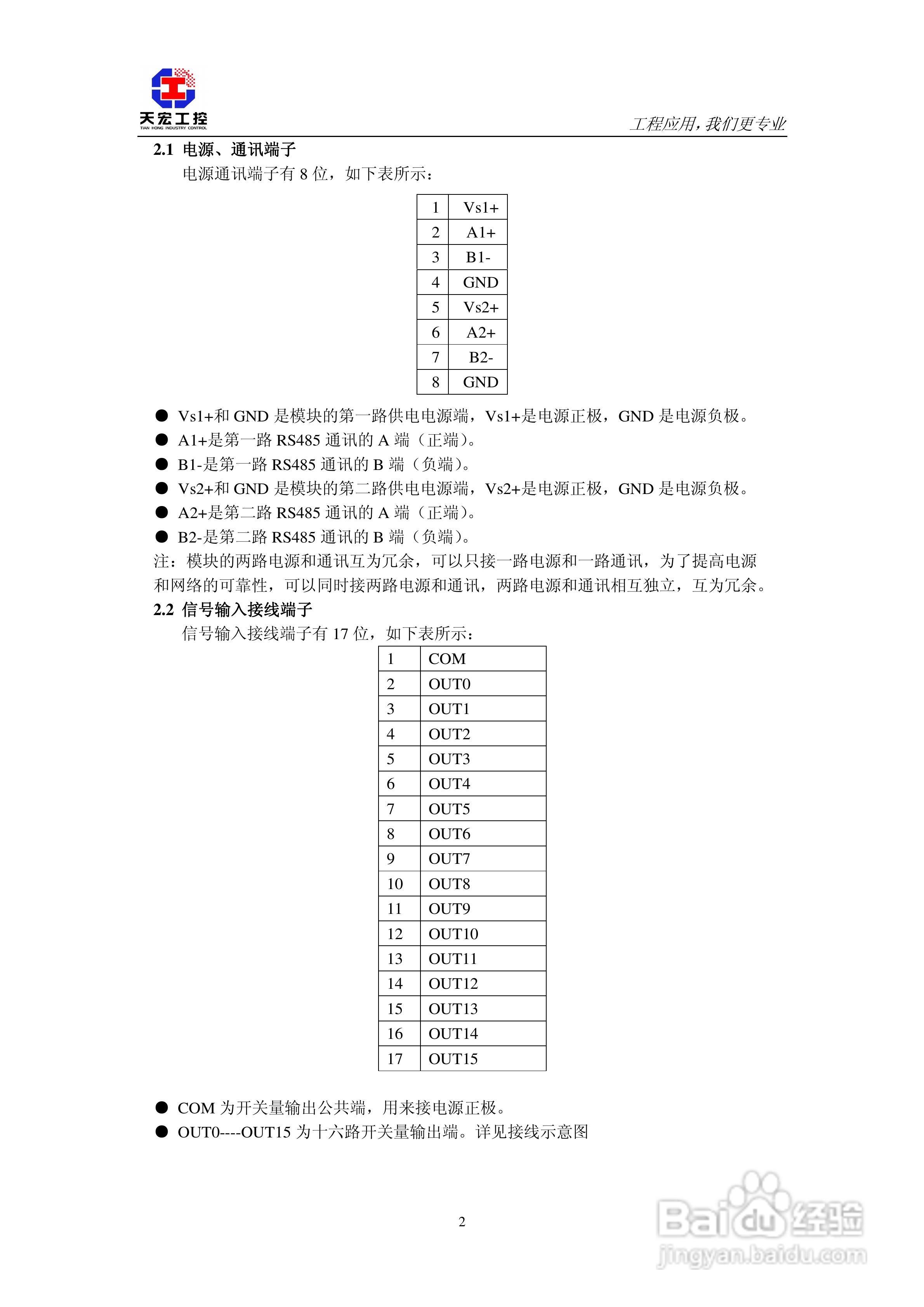
天宏THMK-4069 16路开关量输出模块使用说明书:[1]
2026-04-27 00:56:10
本篇为《天宏THMK-4069 16路开关量输出模块使用说明书》,主要介绍该产品的使用方法以及常见故障解决方案。
(共篇)
下一篇:
声明:
本网站引用、摘录或转载内容仅供网站访问者交流或参考,不代表本站立场,如存在版权或非法内容,请联系站长删除,联系邮箱:site.kefu@qq.com。
相关推荐
天宏THMK-4069 16路开关量输出模块使用说明书:[2]
阅读量:145
天宏THMK-4017 8路摸拟输入模块使用说明书:[1]
阅读量:93
天宏THMK-4017 8路摸拟输入模块使用说明书:[2]
阅读量:131
天宏THMK-4015 4路摸拟量输入模块使用说明书:[1]
阅读量:182
天宏THMK-4013 3路热电阻输入模块使用说明书:[1]
阅读量:147
猜你喜欢
吃饭后多久可以运动
什么牌子的羊奶粉好
祛湿喝什么茶
操作系统的作用
学生会的作用
运动作文
都有什么奥特曼
荞麦的功效与作用
老君山在什么地方
秋梨膏的功效与作用
猜你喜欢
什么样的女人阴道紧
鸡屎藤的功效与作用
蚕豆的功效与作用禁忌
运动会加油稿100字左右
草寇的功效与作用
什么是bios
酸梅汤的功效与作用
什么是三白眼
坚持不懈什么意思
运动营养师