小度生活
首页
美食营养
手工爱好
生活家居
返回
小度生活
首页
美食营养
游戏数码
手工爱好
生活家居
健康养生
运动户外
职场理财
情感交际
母婴教育
时尚美容
知识问答
生活知识
生活百科
搜索
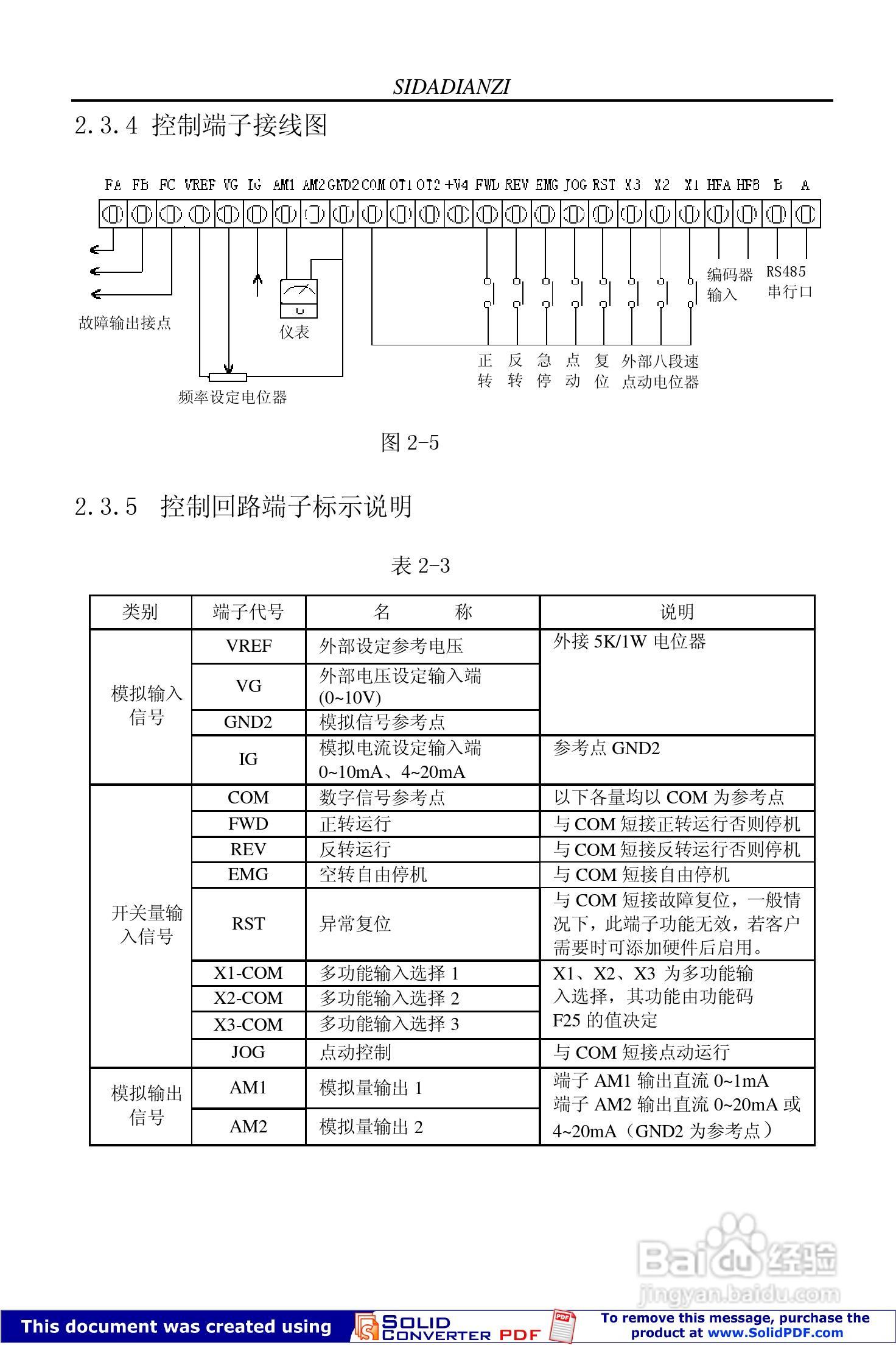
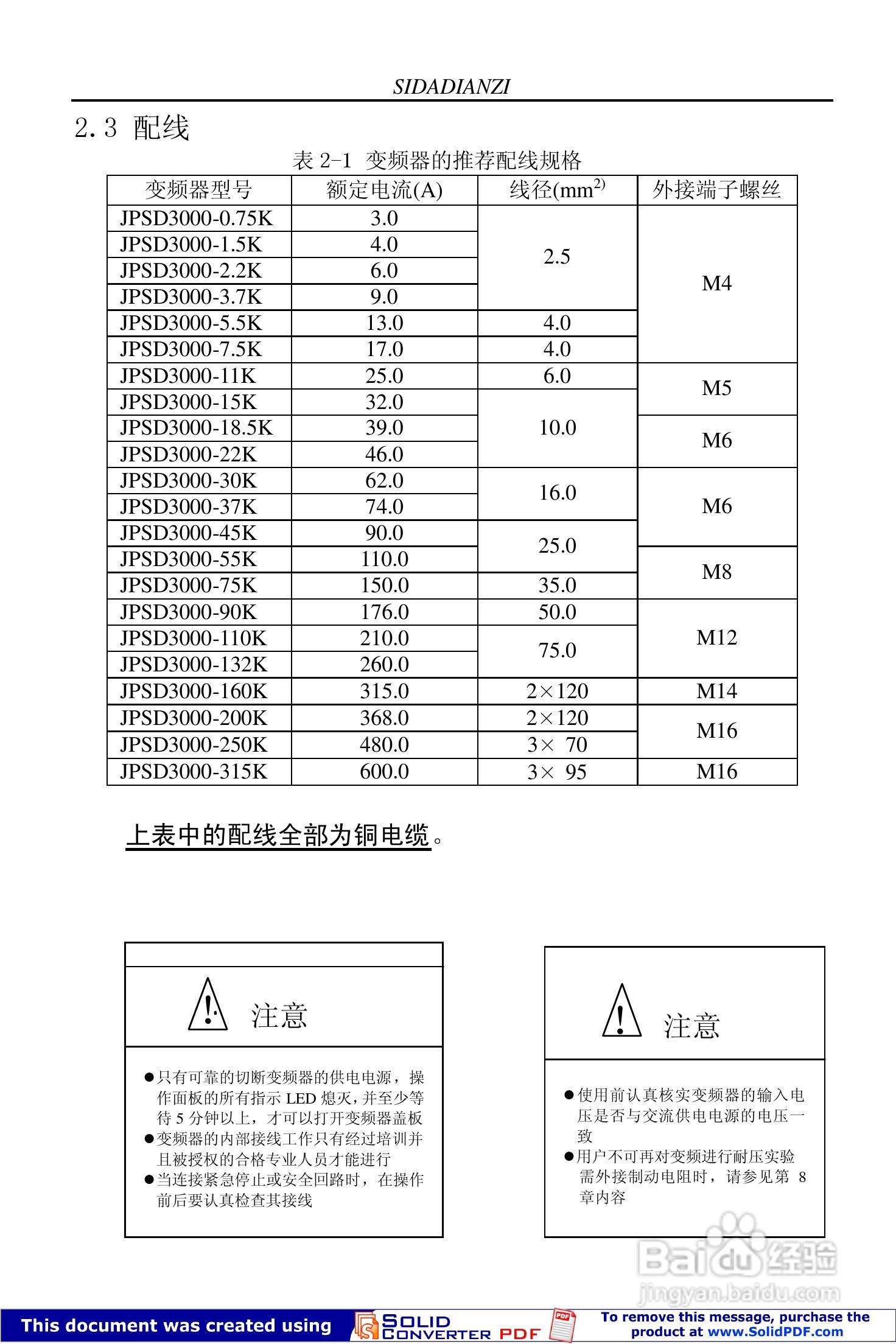
思达JPSD3000-P系列系列变频调速器用户说明书:[2]
2026-05-15 04:47:37
本篇为《思达JPSD3000-P系列系列变频调速器用户说明书》,主要介绍该产品的使用方法以及常见故障解决方案。
(共篇)
上一篇:
|
下一篇:
声明:
本网站引用、摘录或转载内容仅供网站访问者交流或参考,不代表本站立场,如存在版权或非法内容,请联系站长删除,联系邮箱:site.kefu@qq.com。
相关推荐
思达JPSD3000-P系列系列变频调速器用户说明书:[1]
阅读量:187
思达JPSD3000-P系列系列变频调速器用户说明书:[5]
阅读量:83
思达JPSD3000-G系列变频调速器用户说明书:[7]
阅读量:137
思达JPSD3000-G系列变频调速器用户说明书:[5]
阅读量:95
思达JPSD3000-G系列变频调速器用户说明书:[6]
阅读量:133
猜你喜欢
眼珠子疼是怎么回事
豌豆怎么做好吃
u盘无法识别怎么办
数独题目大全
狗狗名字大全
滤泡性咽炎治疗方法
鸡翅怎么烧好吃又简单
红烧鸡爪怎么做好吃
嘴唇干燥紧绷怎么回事
墙纸图片大全
猜你喜欢
便秘的原因和治疗方法
葱花烙饼的家常做法
鳗鱼的做法大全
二人转正戏全集大全
锤石怎么玩
心肌梗塞的急救方法
延时方法
叶罗丽六个仙子怎么画
谷歌浏览器怎么设置主页
牛肉饺子放什么菜好吃