小度生活
首页
美食营养
手工爱好
生活家居
返回
小度生活
首页
美食营养
游戏数码
手工爱好
生活家居
健康养生
运动户外
职场理财
情感交际
母婴教育
时尚美容
知识问答
生活知识
搜索
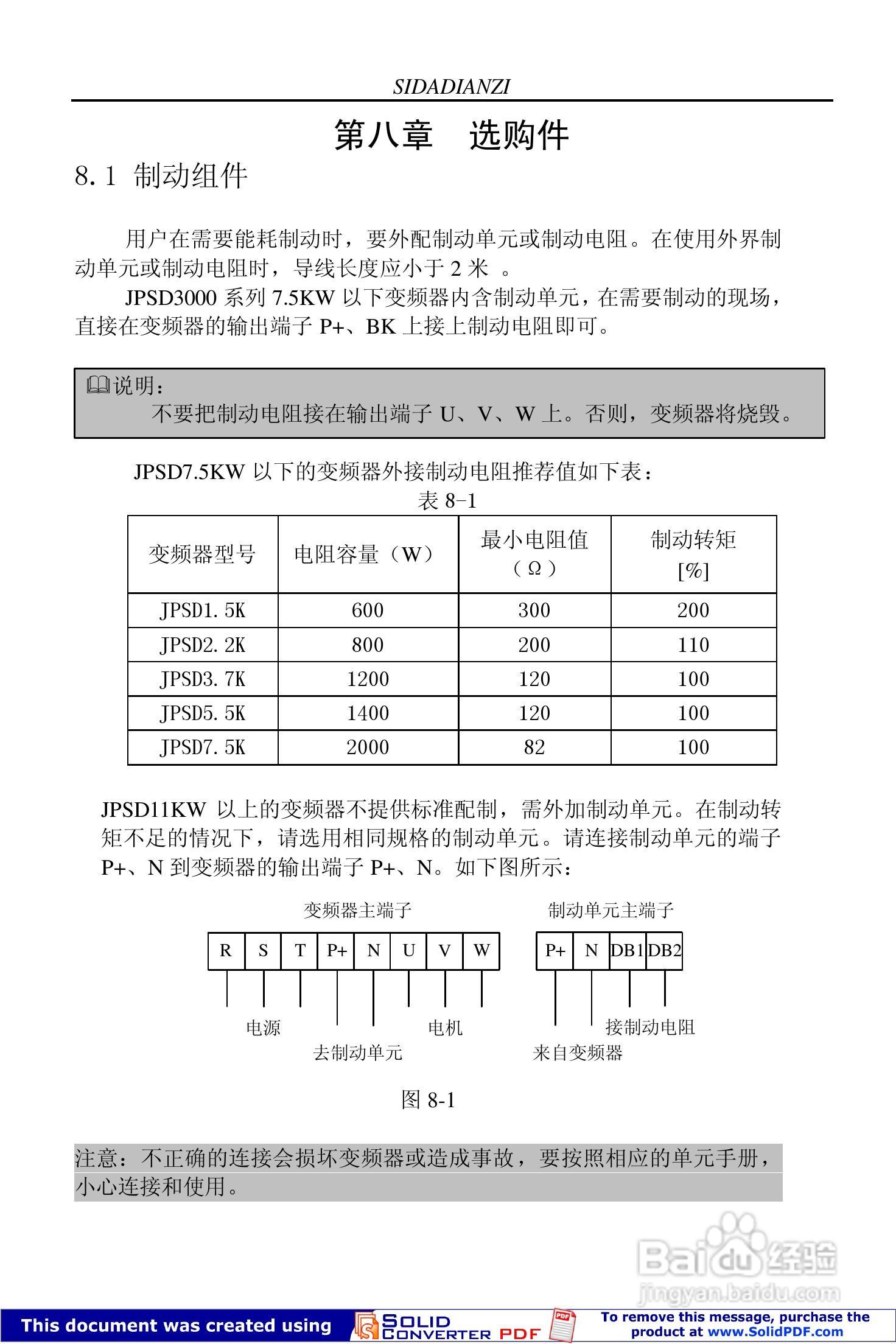
思达JPSD3000-G系列变频调速器用户说明书:[7]
2025-10-17 06:16:51
本篇为《思达JPSD3000-G系列变频调速器用户说明书》,主要介绍该产品的使用方法以及常见故障解决方案。
(共篇)
上一篇:
声明:
本网站引用、摘录或转载内容仅供网站访问者交流或参考,不代表本站立场,如存在版权或非法内容,请联系站长删除,联系邮箱:site.kefu@qq.com。
相关推荐
思达JPSD3000-G系列变频调速器用户说明书:[6]
阅读量:177
思达JPSD3000-G系列变频调速器用户说明书:[4]
阅读量:178
思达JPSD3000-P系列系列变频调速器用户说明书:[1]
阅读量:155
思达JPSD3000-P系列系列变频调速器用户说明书:[4]
阅读量:62
思达JPSD3000-P系列系列变频调速器用户说明书:[5]
阅读量:93
猜你喜欢
滴滴打车顺风车怎么用
白眼球发黄怎么回事
如何申请微信号
怎么使用卷发棒
新疆旅游局
福建省旅游局
岳阳旅游攻略
哪里整容整形好
怎么查询银行卡账号
如何创建微信公众号
猜你喜欢
交换机和路由器的区别
广东清远旅游
路由器ap模式
白带有血丝是怎么回事啊
哪里有压迫哪里就有反抗
空调滴水怎么回事
小米2s怎么刷机
铜仁南站在哪里
文件夹删不掉怎么办
阿瓦隆洗发水怎么样