小度生活
首页
美食营养
手工爱好
生活家居
返回
小度生活
首页
美食营养
游戏数码
手工爱好
生活家居
健康养生
运动户外
职场理财
情感交际
母婴教育
时尚美容
知识问答
生活知识
生活百科
搜索
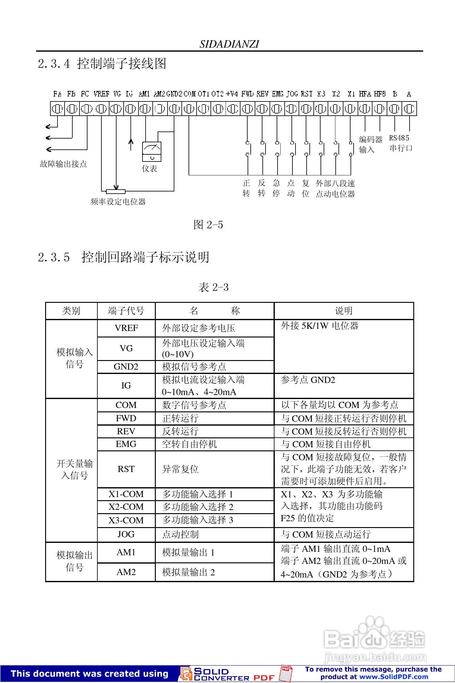
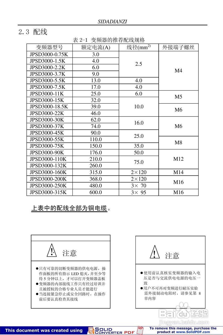
思达JPSD3000-P系列变频调速器用户说明书:[2]
2026-05-10 16:45:13
本篇为《思达JPSD3000-P系列变频调速器用户说明书》,主要介绍该产品的使用方法以及常见故障解决方案。
(共篇)
上一篇:
|
下一篇:
声明:
本网站引用、摘录或转载内容仅供网站访问者交流或参考,不代表本站立场,如存在版权或非法内容,请联系站长删除,联系邮箱:site.kefu@qq.com。
相关推荐
思达JPSD3000-P系列系列变频调速器用户说明书:[2]
阅读量:130
思达JPSD3000-P系列系列变频调速器用户说明书:[1]
阅读量:164
思达JPSD3000-P系列系列变频调速器用户说明书:[6]
阅读量:157
思达JPSD3000-G系列变频调速器用户说明书:[7]
阅读量:128
思达JPSD3000-G系列变频调速器用户说明书:[5]
阅读量:140
猜你喜欢
如何选择创业项目
spa是什么意思的
低压高是什么原因
吃鱼刺卡住了怎么办
如何下载ie浏览器
三月是什么星座
柜子发霉怎么办
四川天一学院怎么样
面基是什么意思啊
宾格手表质量怎么样
猜你喜欢
如何预防食物中毒
拉直头发后怎么保养
苏打粉怎么去黑头
如何选择基金
如何看掌纹
体温35.5是什么原因
gmv是什么意思
兰花怎么养最好
o型血和ab型生的孩子是什么血型
如何怀上孕