小度生活
首页
美食营养
手工爱好
生活家居
返回
小度生活
首页
美食营养
游戏数码
手工爱好
生活家居
健康养生
运动户外
职场理财
情感交际
母婴教育
时尚美容
知识问答
生活知识
搜索
SWP-CF-LK智能流量积算控制仪操作手:[5]
2025-11-05 09:56:34
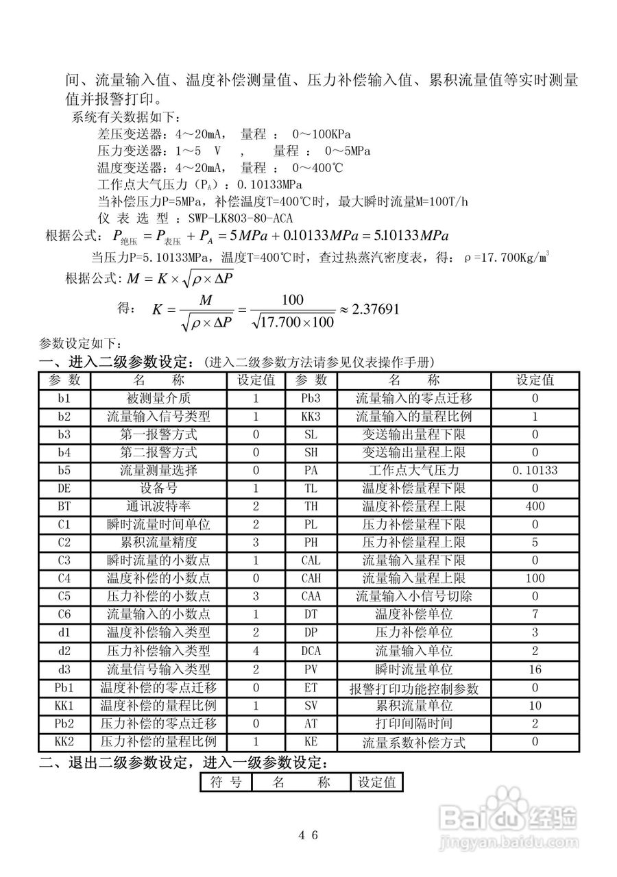
本篇为《SWP-CF-LK智能流量积算控制仪操作手》,主要介绍该产品的使用方法以及常见故障解决方案。
(共篇)
上一篇:
|
下一篇:
声明:
本网站引用、摘录或转载内容仅供网站访问者交流或参考,不代表本站立场,如存在版权或非法内容,请联系站长删除,联系邮箱:site.kefu@qq.com。
相关推荐
SWP-CF-LK智能流量积算控制仪操作手:[3]
阅读量:83
SWP-CF-LK智能流量积算控制仪操作手:[2]
阅读量:55
昌晖CF-LK智能流量积算控制仪说明书:[5]
阅读量:150
昌晖CF-LK智能流量积算控制仪说明书:[3]
阅读量:58
昌晖CF-LK智能流量积算控制仪说明书:[2]
阅读量:120
猜你喜欢
树状图怎么画
怎么改电脑开机密码
淘宝怎么实名认证
银行余额调节表怎么做
孔雀鱼怎么分公母
黄褐斑怎么去除效果好
年平均增长率怎么算
王者荣耀实名认证怎么修改
我的世界挂机池怎么做
微信群怎么建
猜你喜欢
华帝热水器怎么样
惠而浦空调怎么样
婴儿便秘怎么办
怎么锻炼腹肌
住房公积金怎么取
折旧费怎么算
淘宝怎么评价
小猫不吃东西怎么办
鸽子蛋怎么吃
撇折怎么写