小度生活
首页
美食营养
手工爱好
生活家居
返回
小度生活
首页
美食营养
游戏数码
手工爱好
生活家居
健康养生
运动户外
职场理财
情感交际
母婴教育
时尚美容
搜索
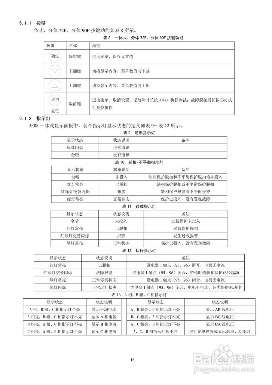
ARD3电动机保护器使用说明书:[2]
2025-09-30 14:22:51
本篇为《ARD3电动机保护器使用说明书》,主要介绍该产品的使用方法以及常见故障解决方案。
(共篇)
上一篇:
|
下一篇:
声明:
本网站引用、摘录或转载内容仅供网站访问者交流或参考,不代表本站立场,如存在版权或非法内容,请联系站长删除,联系邮箱:site.kefu@qq.com。
相关推荐
ARD3电动机保护器使用说明书:[3]
阅读量:53
ARD3电动机保护器使用说明书:[4]
阅读量:51
NSP713(V3.0)电动机保护器及测控装置技术说明书:[2]
阅读量:22
NSP713(V3.0)电动机保护器及测控装置技术说明书:[3]
阅读量:73
NSP713(V3.0)电动机保护器及测控装置技术说明书:[4]
阅读量:74
猜你喜欢
面部毛孔粗大怎么办
杭州宋城一日游攻略
红烧丸子的家常做法
火焰纹章封印之剑攻略
广东科技学院怎么样
进去就想射怎么办
燕麦片怎么吃减肥
cinderella怎么读
南京海底世界攻略
吃黄瓜能减肥吗
猜你喜欢
晚上睡觉出汗怎么办
山楂荷叶茶能减肥
苏州东山旅游攻略
楠溪江旅游攻略
吃小番茄可以减肥吗
罪恶都市攻略
新疆财经大学怎么样
巽寮湾游玩攻略
意念减肥
生姜红茶减肥法