小度生活
首页
美食营养
手工爱好
生活家居
返回
小度生活
首页
美食营养
游戏数码
手工爱好
生活家居
健康养生
运动户外
职场理财
情感交际
母婴教育
时尚美容
知识问答
生活知识
搜索
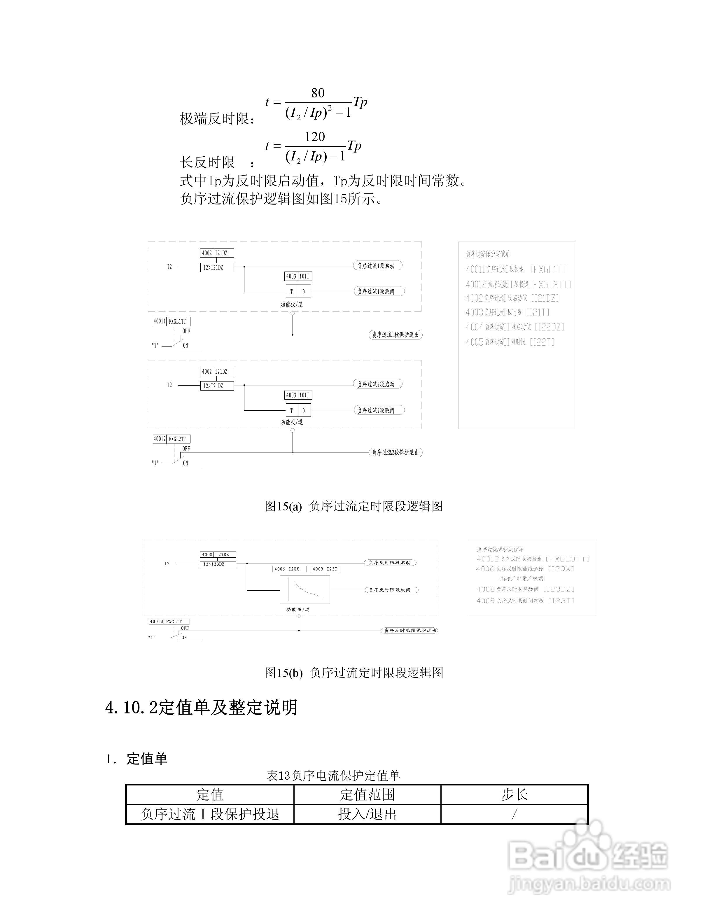
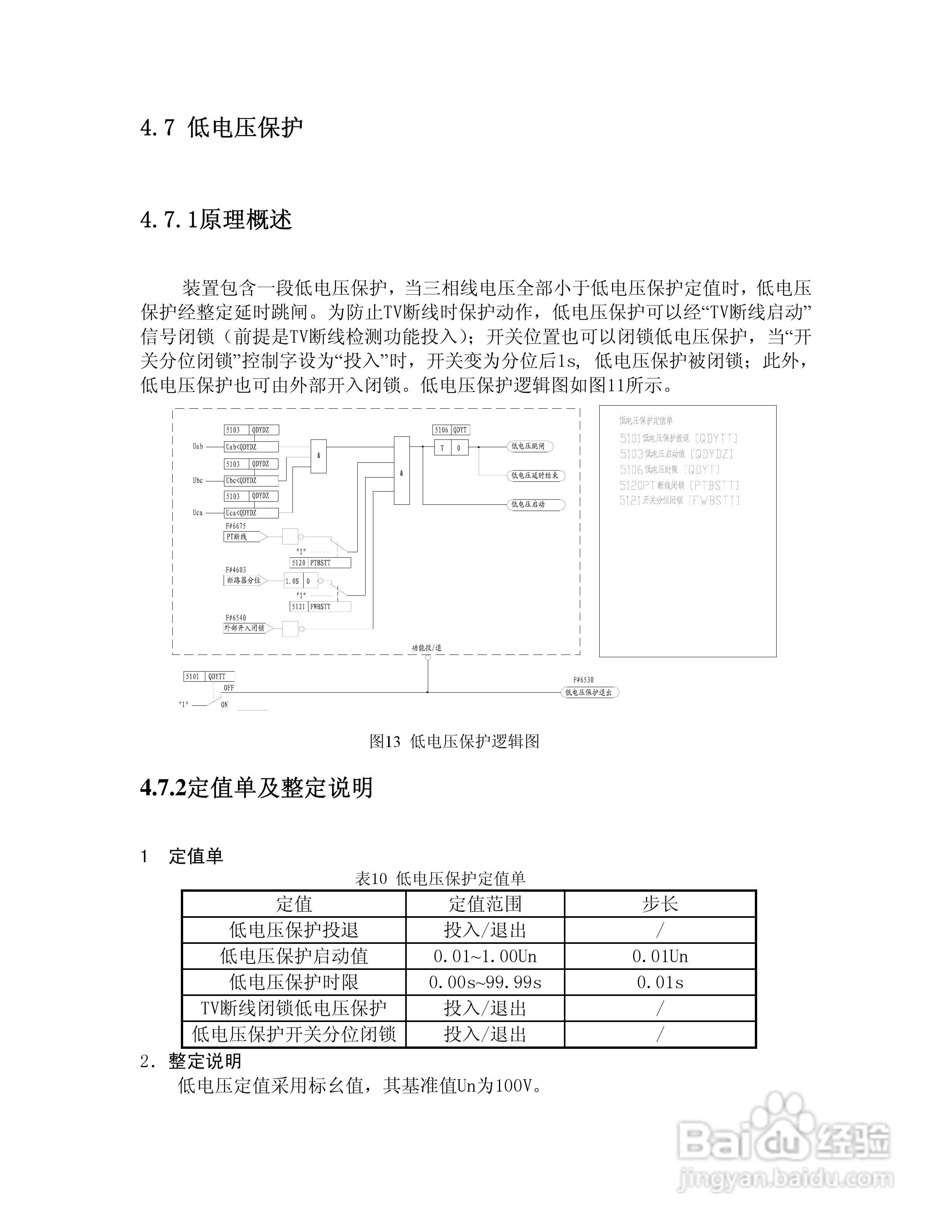
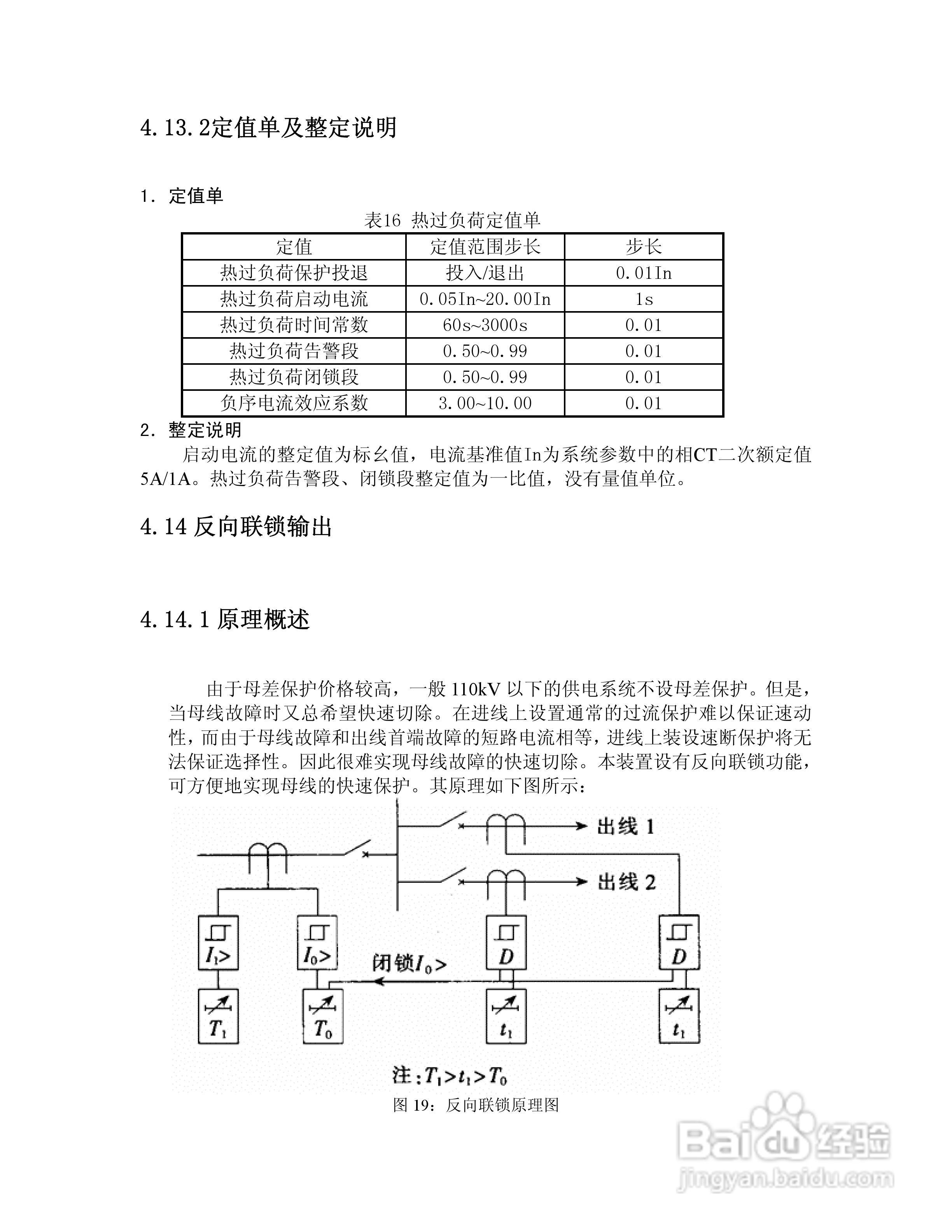
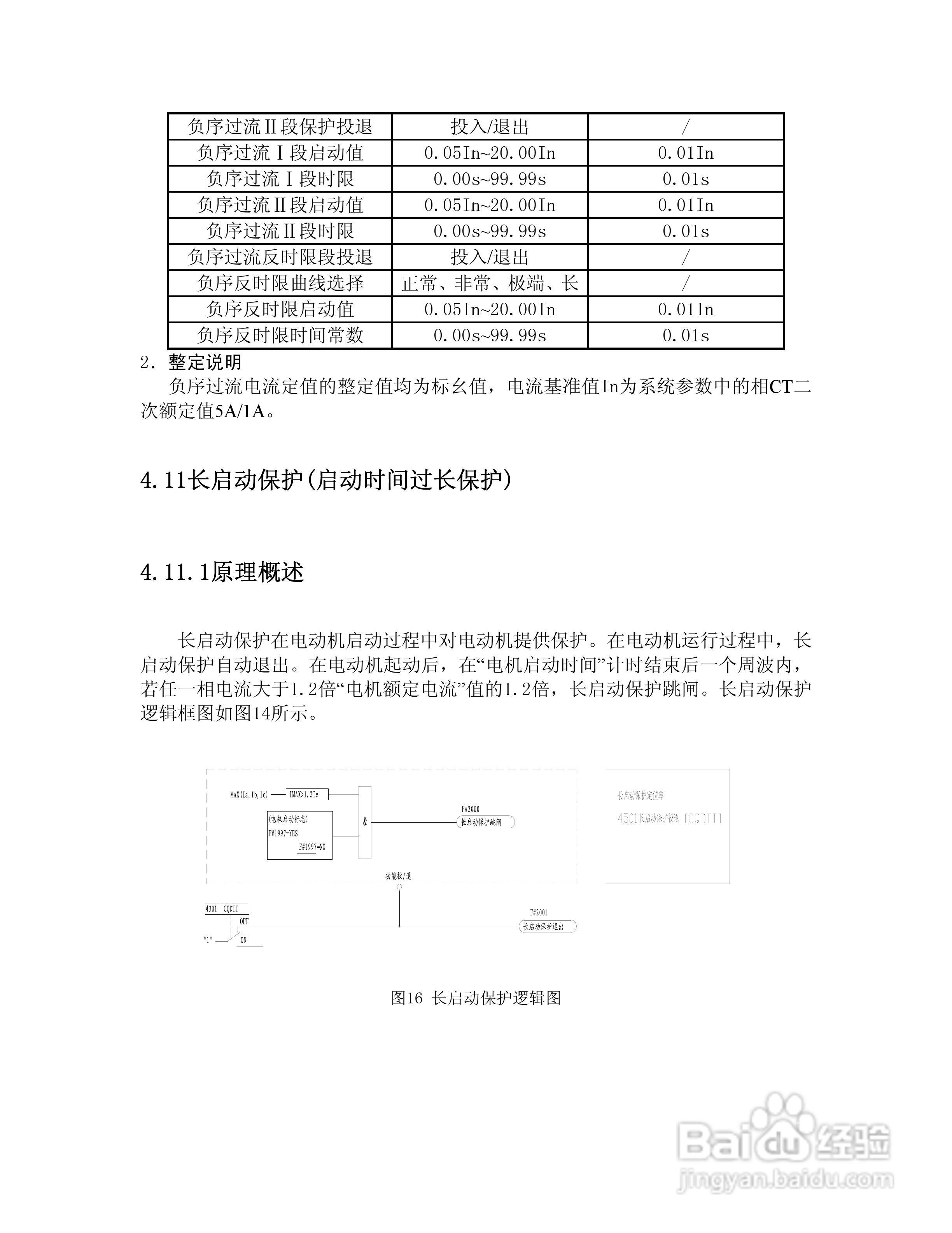
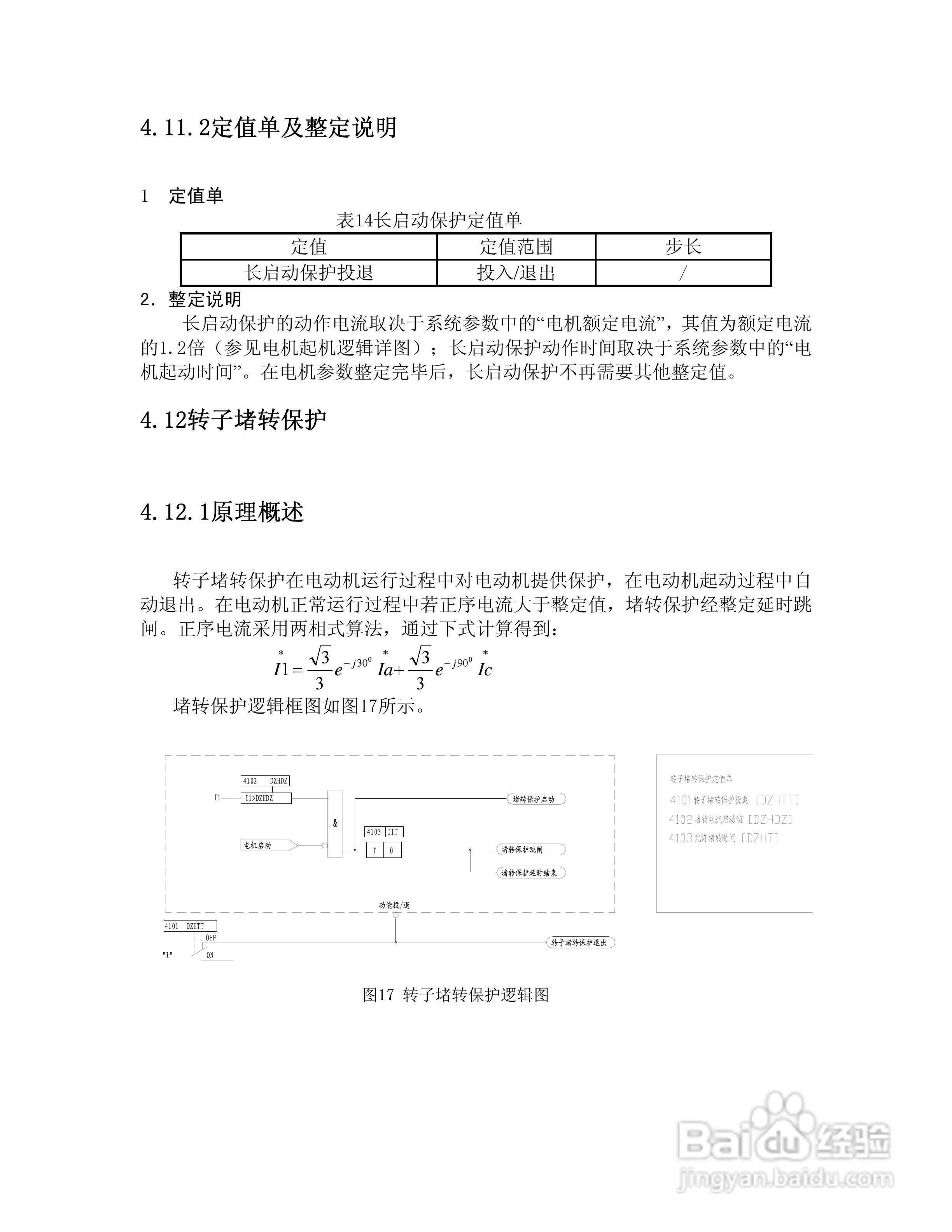
NSP713(V3.0)电动机保护器及测控装置技术说明书:[3]
2026-01-13 23:55:18
本篇为《NSP713(V3.0)电动机保护器及测控装置技术说明书》,主要介绍该产品的使用方法以及常见故障解决方案。
(共篇)
上一篇:
|
下一篇:
声明:
本网站引用、摘录或转载内容仅供网站访问者交流或参考,不代表本站立场,如存在版权或非法内容,请联系站长删除,联系邮箱:site.kefu@qq.com。
相关推荐
NSP713(V3.0)电动机保护器及测控装置技术说明书:[2]
阅读量:45
NSP713(V3.0)电动机保护器及测控装置技术说明书:[5]
阅读量:155
ARD3电动机保护器使用说明书:[2]
阅读量:157
ARD3电动机保护器使用说明书:[1]
阅读量:52
ARD3电动机保护器使用说明书:[4]
阅读量:58
猜你喜欢
白带多有异味怎么办
顾家家居怎么样
中大网校怎么样
ppt怎么加音乐
披萨怎么做好吃
halloween怎么读
jeep指南者怎么样
拉屎拉出血怎么办
杰克逊是怎么死的
宝宝缺钙怎么补
猜你喜欢
cad矩形怎么画
怎么更改苹果id账号
东阿阿胶怎么吃
婴儿湿疹是怎么引起的
婴儿贫血怎么办
肌肉怎么练
皮肤暗黄怎么美白
牛奶布丁怎么做
怎么盗别人的qq号
圣诞节英文怎么写