小度生活
首页
美食营养
手工爱好
生活家居
返回
小度生活
首页
美食营养
游戏数码
手工爱好
生活家居
健康养生
运动户外
职场理财
情感交际
母婴教育
时尚美容
知识问答
生活知识
搜索
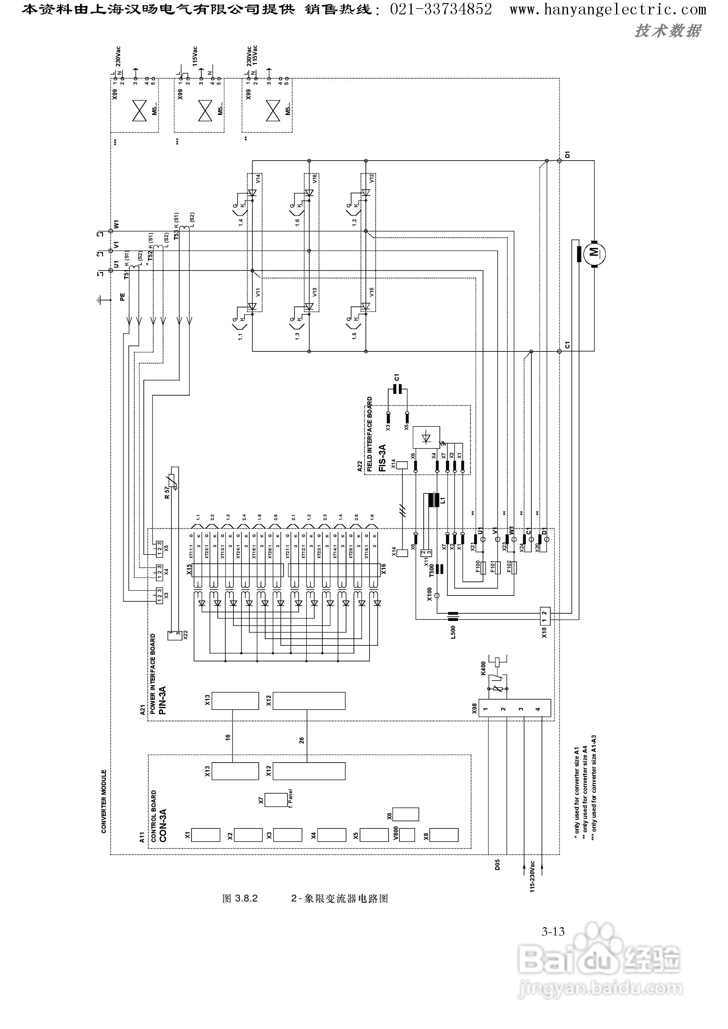
ABB DCS400直流调速器中文使用手册:[3]
2025-10-05 12:01:21
本篇为《ABB DCS400直流调速器中文使用手册》,主要介绍该产品的使用方法以及常见故障解决方案。
(共篇)
上一篇:
|
下一篇:
声明:
本网站引用、摘录或转载内容仅供网站访问者交流或参考,不代表本站立场,如存在版权或非法内容,请联系站长删除,联系邮箱:site.kefu@qq.com。
相关推荐
ABB DCS400直流调速器中文使用手册:[17]
阅读量:123
ABB DCS400直流调速器中文使用手册:[12]
阅读量:104
ABB直流调速器DCS550使用手册:[3]
阅读量:120
ABB DCS400直流调速器中文使用手册:[16]
阅读量:34
ABB DCS400直流调速器中文使用手册:[14]
阅读量:147
猜你喜欢
沉鱼落雁是什么意思
cnf是什么意思
春城无处不飞花寒食东风御柳斜的意思
精神矍铄的意思
iso文件用什么打开
憨态可掬是什么意思
rmvb用什么播放器
不屈不挠是什么意思
菜板什么木材最好
失而复得的意思
猜你喜欢
一丝不苟的苟的意思
november是什么意思
宣布的意思
职责的意思
钓鱼线什么牌子好
翘楚的意思
什么游戏好玩人多
祝福祖国合唱
祝福领导最实在的话
邑是什么意思