小度生活
首页
美食营养
手工爱好
生活家居
返回
小度生活
首页
美食营养
游戏数码
手工爱好
生活家居
健康养生
运动户外
职场理财
情感交际
母婴教育
时尚美容
知识问答
生活知识
生活百科
搜索
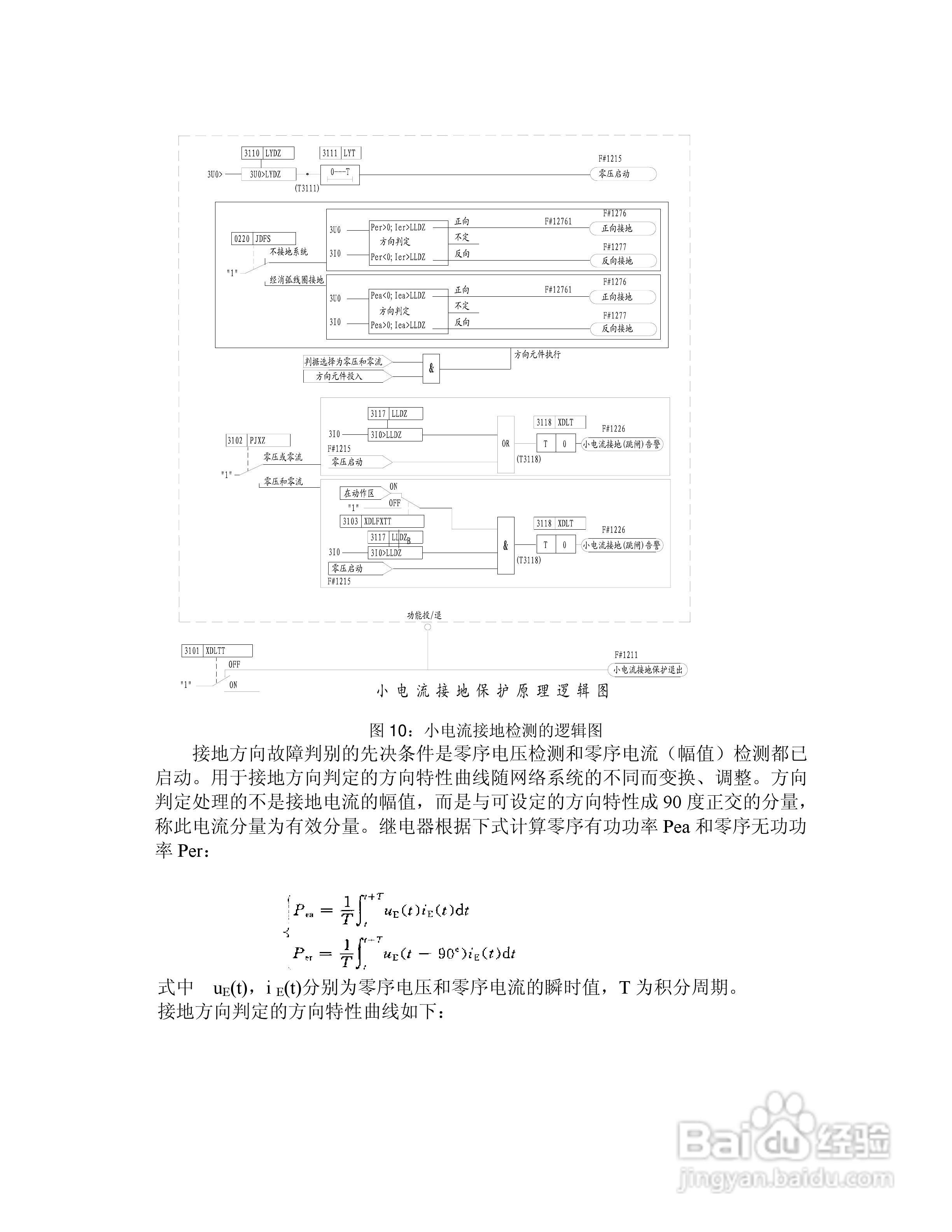
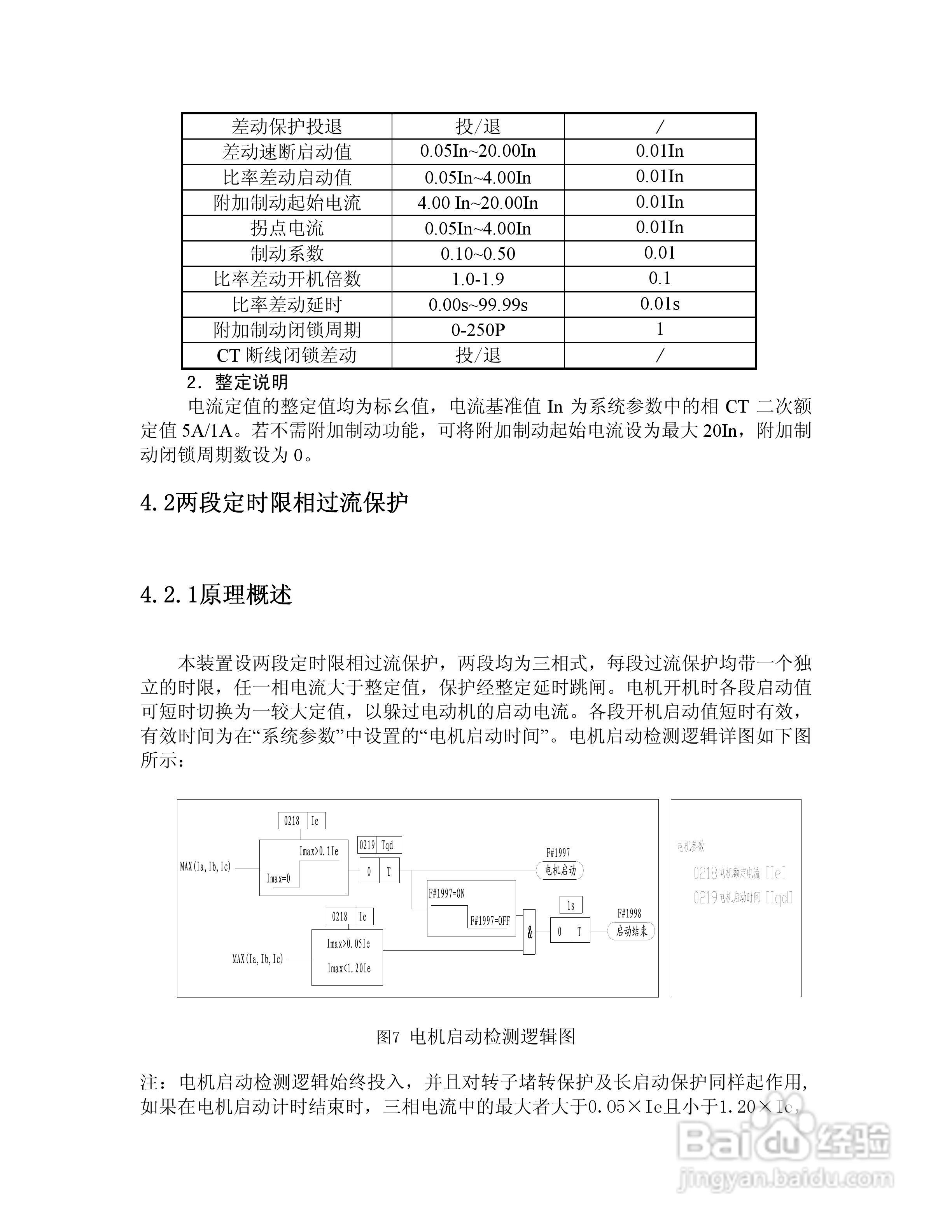
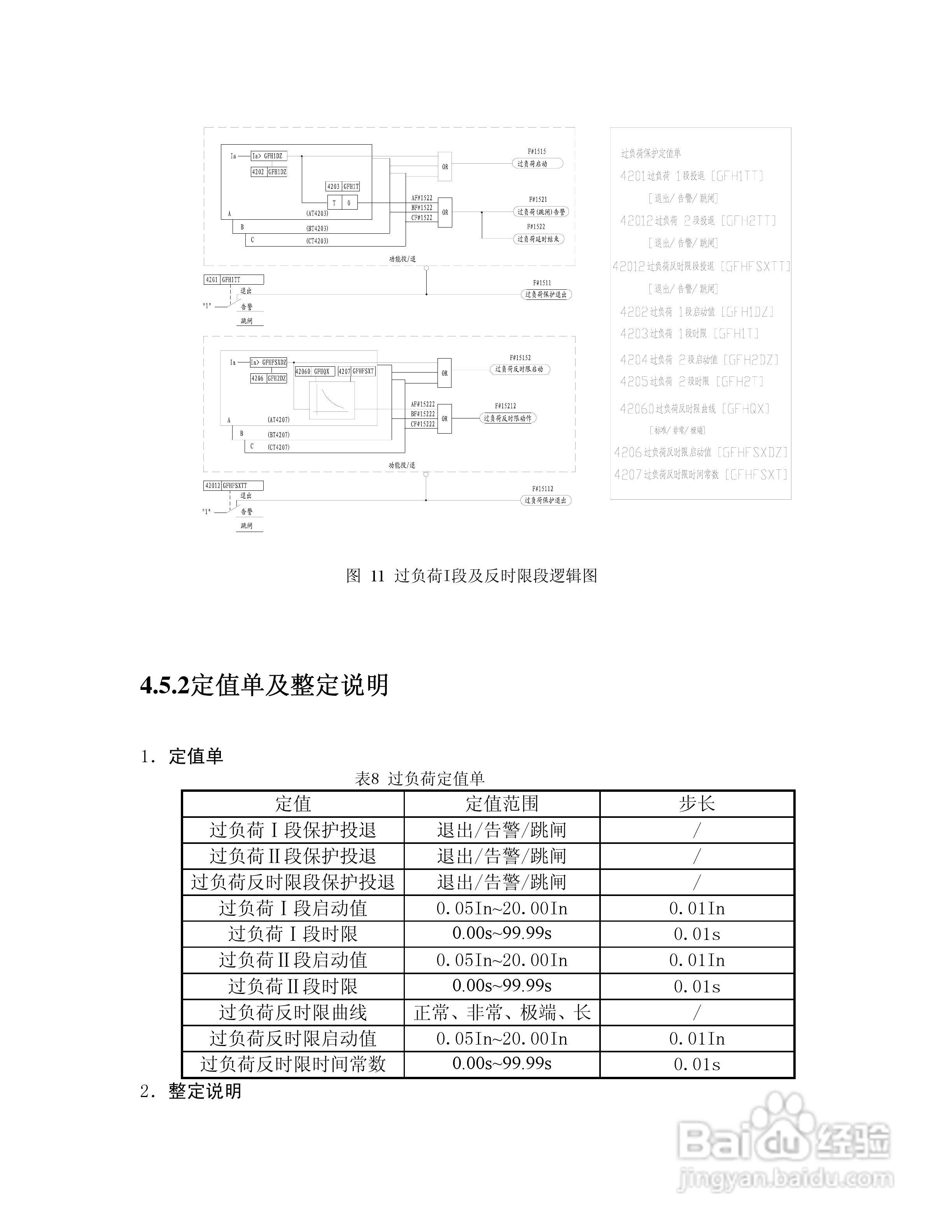
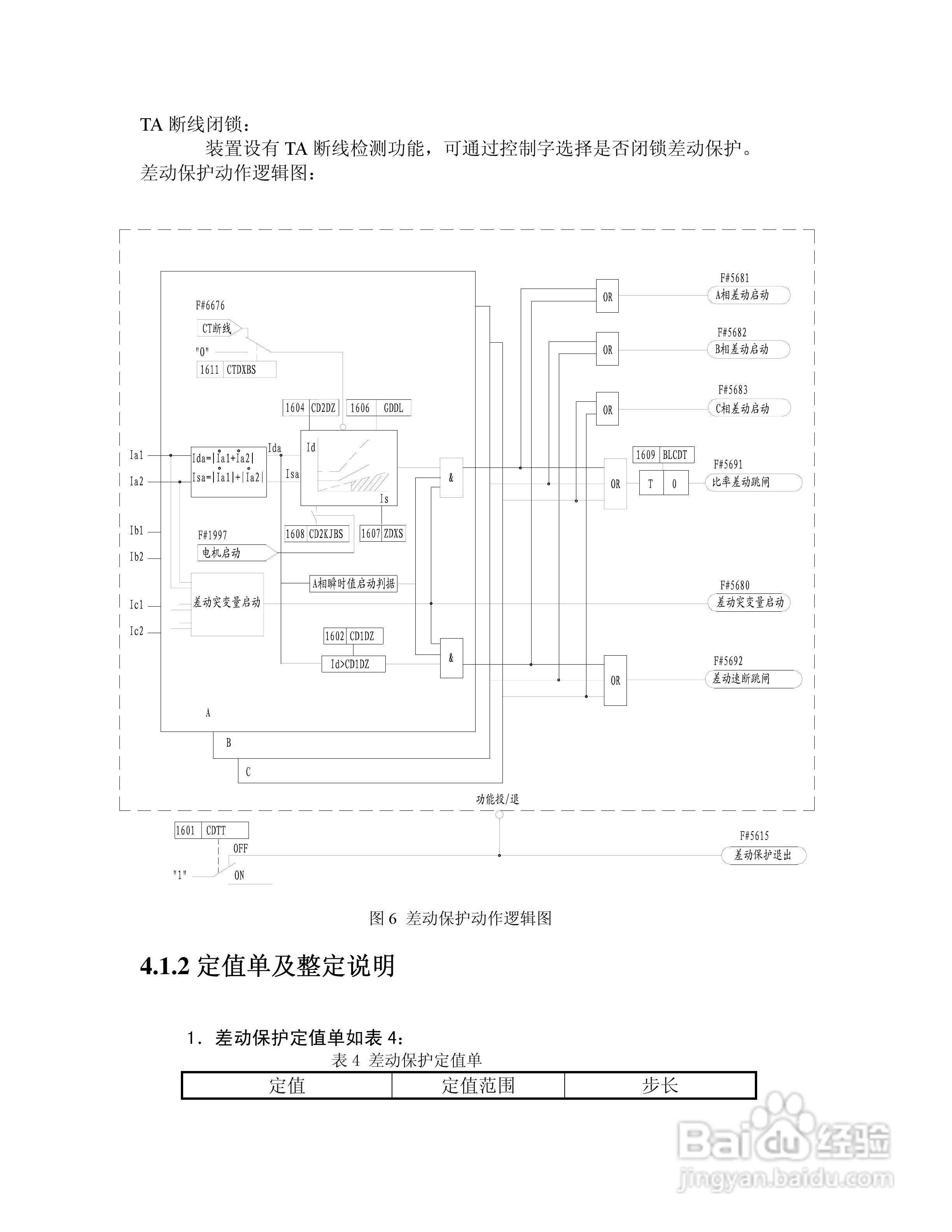
NSP713(V3.0)电动机保护器及测控装置技术说明书:[2]
2026-03-28 21:50:33
本篇为《NSP713(V3.0)电动机保护器及测控装置技术说明书》,主要介绍该产品的使用方法以及常见故障解决方案。
(共篇)
上一篇:
|
下一篇:
声明:
本网站引用、摘录或转载内容仅供网站访问者交流或参考,不代表本站立场,如存在版权或非法内容,请联系站长删除,联系邮箱:site.kefu@qq.com。
相关推荐
NSP713(V3.0)电动机保护器及测控装置技术说明书:[6]
阅读量:130
NSP713(V3.0)电动机保护器及测控装置技术说明书:[5]
阅读量:35
NSP713(V3.0)电动机保护器及测控装置技术说明书:[4]
阅读量:23
NSP713(V3.0)电动机保护器及测控装置技术说明书:[3]
阅读量:84
NSP713(V3.0)电动机保护器及测控装置技术说明书:[1]
阅读量:89
猜你喜欢
exercise是什么意思
菠菜和什么不能同吃
地役权是什么意思
空灵的意思
现在什么手机性价比最高
貌似是什么意思
执念是什么意思
鞋子脱胶用什么胶水
卖萌什么意思
华为p20什么时候上市
猜你喜欢
关切的意思
shmily是什么意思
b站是什么意思
钱学森什么时候去世的
惊叹不已的意思
cti是什么意思
头屑多用什么洗发水
验证码有什么用
叛逆的意思
泡沫经济是什么意思