小度生活
首页
美食营养
手工爱好
生活家居
返回
小度生活
首页
美食营养
游戏数码
手工爱好
生活家居
健康养生
运动户外
职场理财
情感交际
母婴教育
时尚美容
知识问答
生活知识
搜索
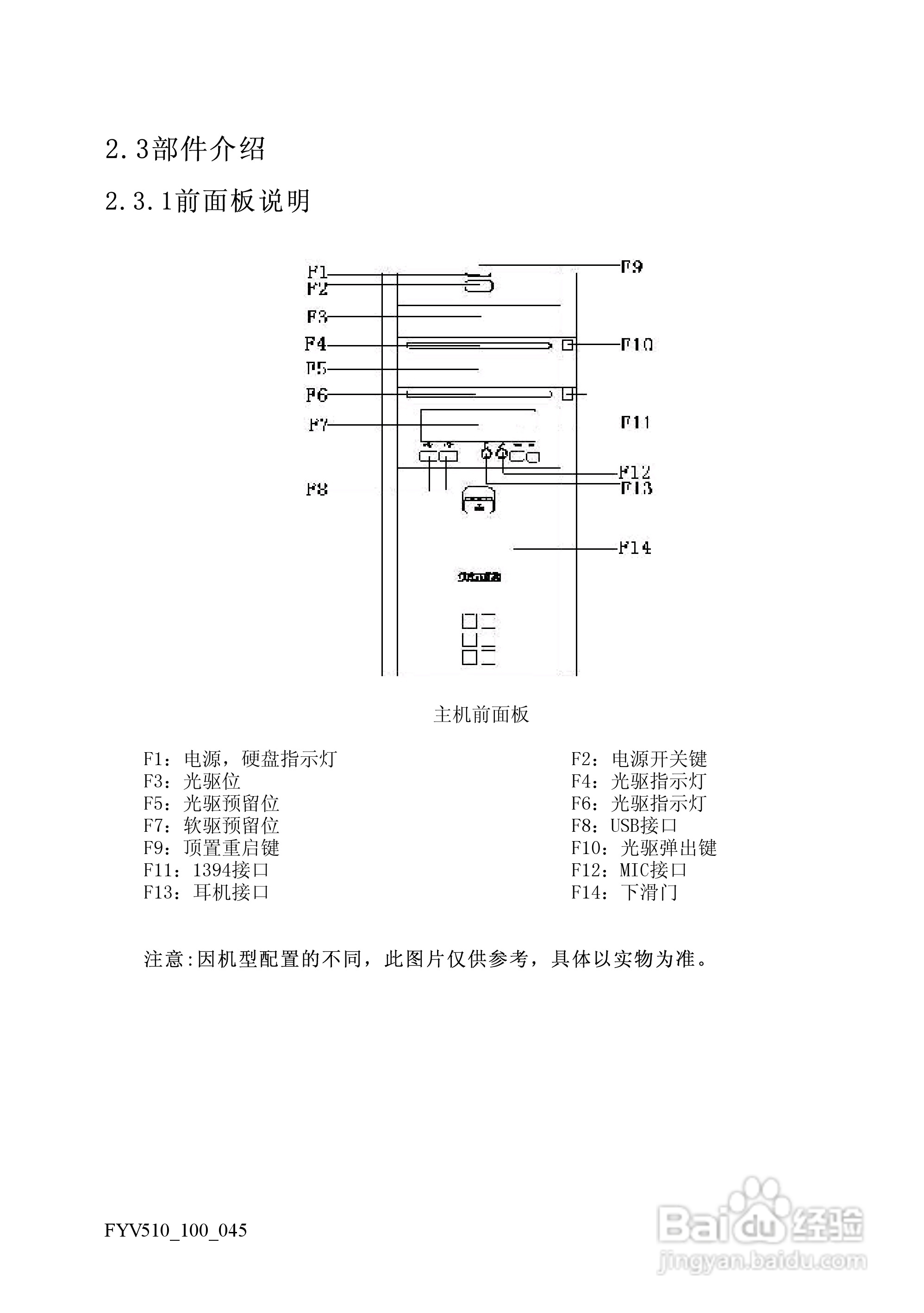
方正电脑飞越V510系列机型说明书:[2]
2026-02-22 07:24:44
本篇为《方正电脑飞越V510系列机型说明书》,主要介绍该产品的使用方法以及常见故障解决方案。
(共篇)
上一篇:
|
下一篇:
声明:
本网站引用、摘录或转载内容仅供网站访问者交流或参考,不代表本站立场,如存在版权或非法内容,请联系站长删除,联系邮箱:site.kefu@qq.com。
相关推荐
方正电脑飞越V510系列机型说明书:[8]
阅读量:172
方正电脑飞越V510系列机型说明书:[4]
阅读量:27
方正飞越V510系列机型使用说明书:[8]
阅读量:49
方正飞越V510系列机型使用说明书:[4]
阅读量:56
电脑常用快捷键怎么用
阅读量:61
猜你喜欢
自知之明的意思
增强ct是什么意思
小朋友生日祝福语大全
茶盘什么牌子好
温锅需要带什么礼物
十万元以内什么车好
干部身份有什么用
草量级是什么意思
编辑视频用什么软件好
大气磅礴的意思
猜你喜欢
什么化妆品祛斑效果好
贺词祝福语
绿色通道是什么意思
湿吻是什么意思
中元节烧纸有什么讲究
add是什么意思
木已成舟的意思
重阳节的祝福语
1.8td是什么意思
10到15万买什么车好