小度生活
首页
美食营养
手工爱好
生活家居
返回
小度生活
首页
美食营养
游戏数码
手工爱好
生活家居
健康养生
运动户外
职场理财
情感交际
母婴教育
时尚美容
知识问答
生活知识
生活百科
搜索
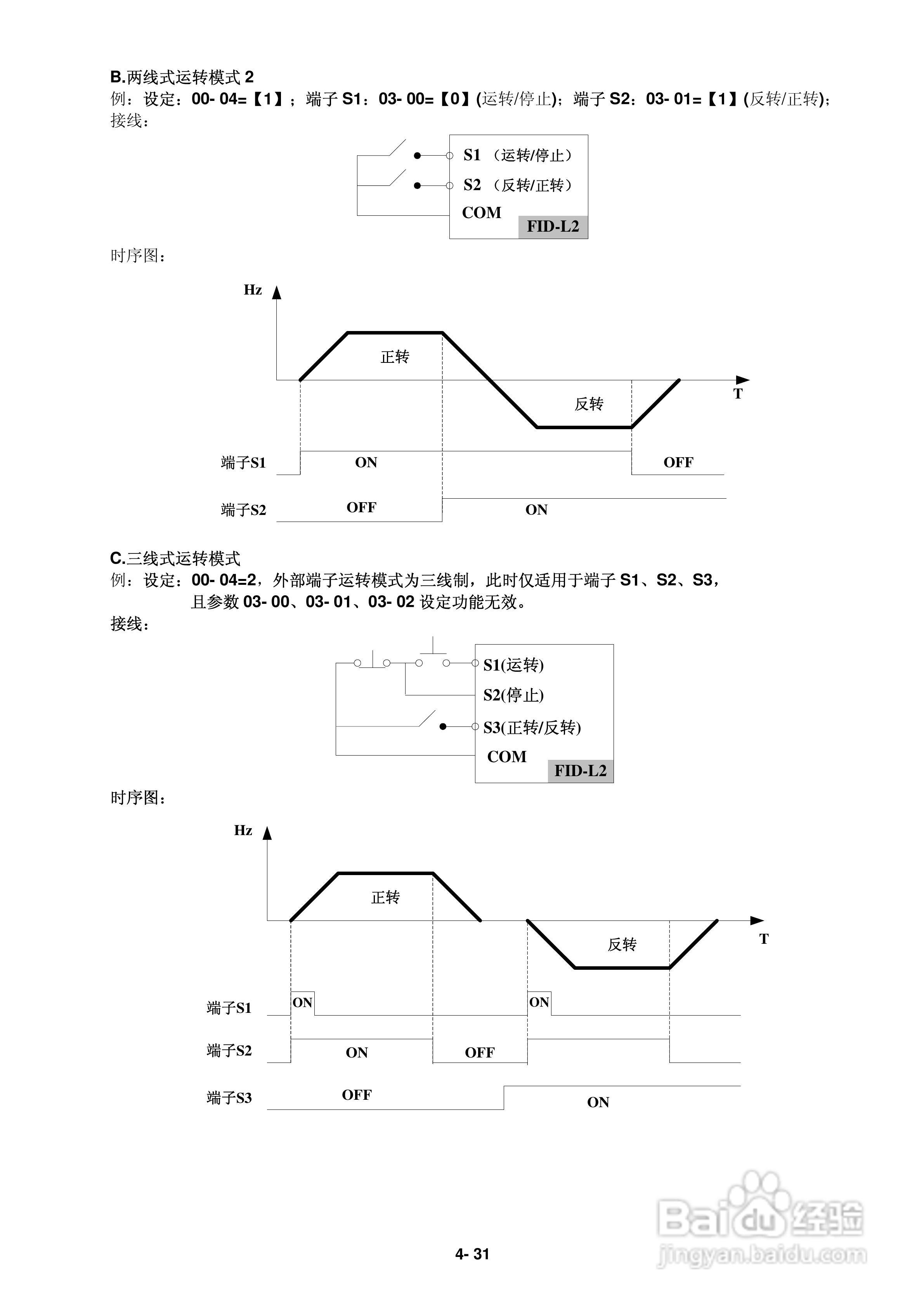
FATEK FID-L2-022-21变频器使用说明书:[6]
2026-03-29 05:21:55
本篇为《FATEK FID-L2-022-21变频器使用说明书》,主要介绍该产品的使用方法以及常见故障解决方案。
(共篇)
上一篇:
|
下一篇:
声明:
本网站引用、摘录或转载内容仅供网站访问者交流或参考,不代表本站立场,如存在版权或非法内容,请联系站长删除,联系邮箱:site.kefu@qq.com。
相关推荐
FATEK FID-S1-015-21变频器使用说明书:[6]
阅读量:110
FATEK FID-S1-015-21变频器使用说明书:[2]
阅读量:93
FATEK FID-S1-015-21变频器使用说明书:[7]
阅读量:184
FATEK FID-S1-015-21变频器使用说明书:[1]
阅读量:191
使用说明书封面怎么做
阅读量:166
猜你喜欢
成长档案怎么做
短号怎么开通
创维电视机怎么样
课件怎么做
温度计碎了怎么办
荒岛求生怎么生火
怎么恢复qq群
副乳是怎么形成的
大写金额怎么写
igxe怎么卖东西
猜你喜欢
两个月没来月经怎么回事
三诺血糖仪怎么样
个人经历怎么写
养狗证怎么办理
蘑菇街衣服质量怎么样
刷卡机怎么用
苹果手机信号差怎么办
炒白萝卜怎么做好吃
怎么赚外快
怎么让网速变快