小度生活
首页
美食营养
手工爱好
生活家居
返回
小度生活
首页
美食营养
游戏数码
手工爱好
生活家居
健康养生
运动户外
职场理财
情感交际
母婴教育
时尚美容
知识问答
生活知识
生活百科
搜索
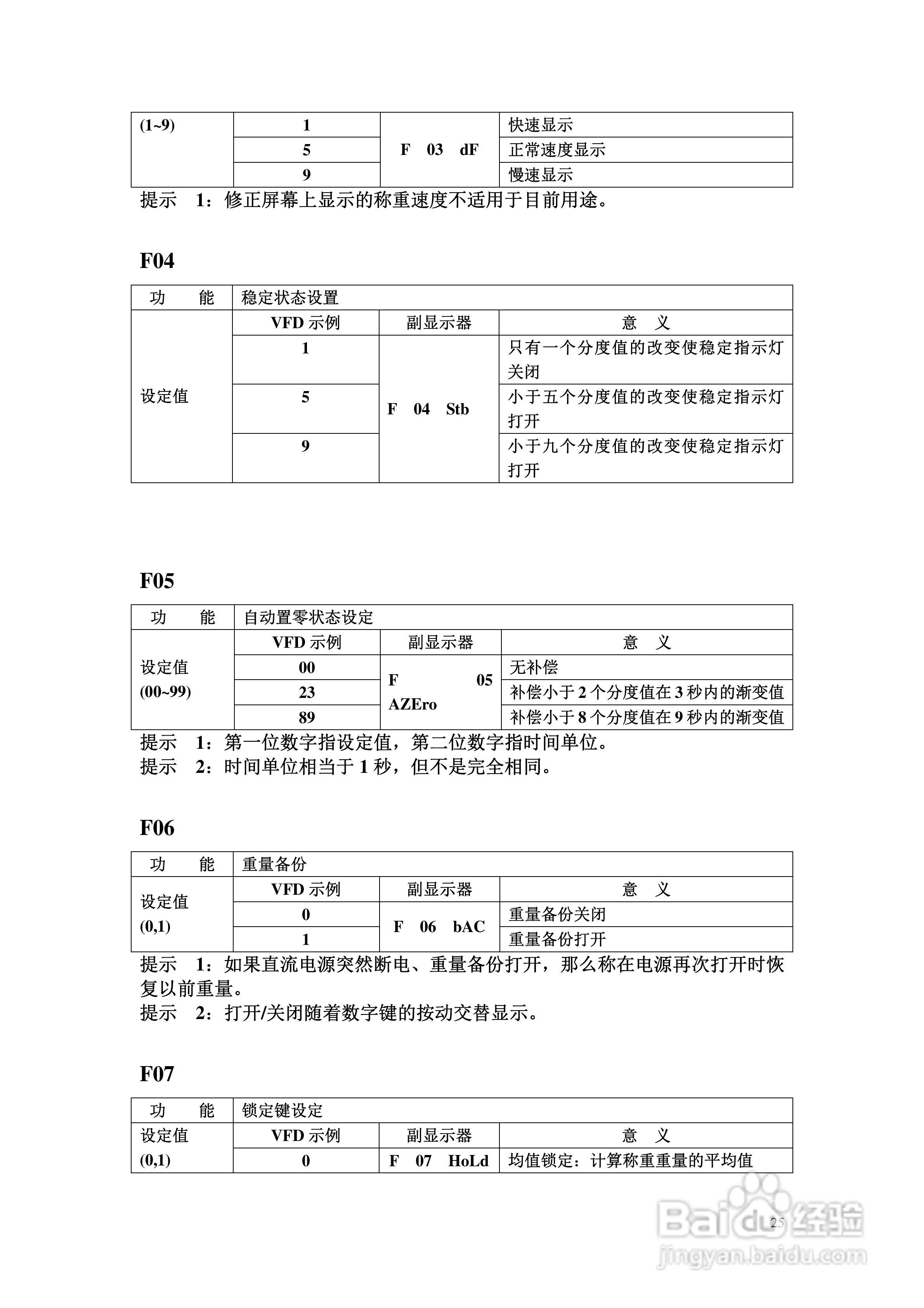
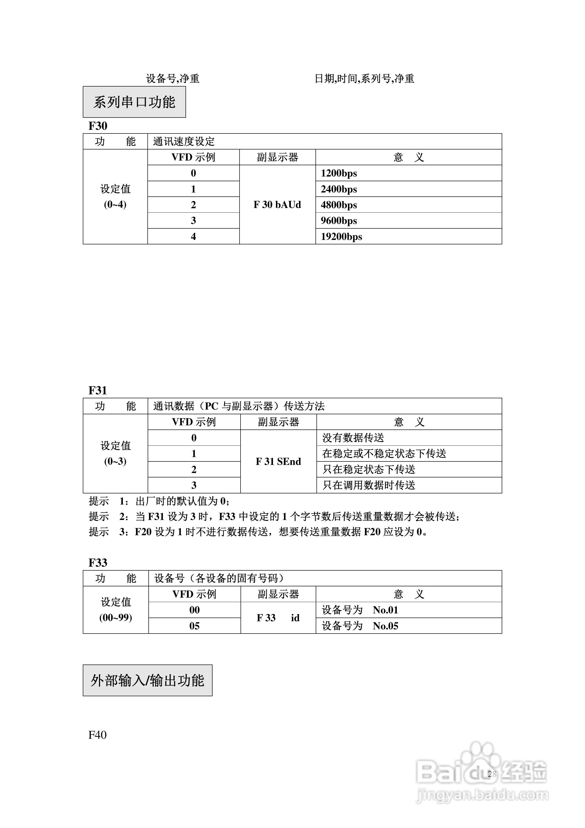
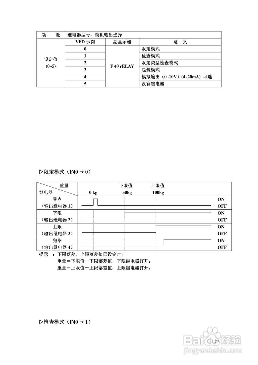
凯士EXP-5500A防爆称重显示器使用说明书:[3]
2026-04-18 22:45:34
本篇为《凯士EXP-5500A防爆称重显示器使用说明书》,主要介绍该产品的使用方法以及常见故障解决方案。
(共篇)
上一篇:
|
下一篇:
声明:
本网站引用、摘录或转载内容仅供网站访问者交流或参考,不代表本站立场,如存在版权或非法内容,请联系站长删除,联系邮箱:site.kefu@qq.com。
相关推荐
凯士CI-5500A称重控制器使用说明书:[3]
阅读量:158
凯士CI-5500A称重控制器使用说明书:[5]
阅读量:105
凯士CI-5500A称重控制器使用说明书:[2]
阅读量:193
全民飞机装备EXP怎么得
阅读量:26
使用说明书封面怎么做
阅读量:32
猜你喜欢
台风是怎么形成的
苦菊怎么做好吃
脸上有红血丝怎么治
怎么制作视频
怎么制作图片
怎么调理月经不调
奖状怎么画
自来也怎么死的
怎么查养老保险缴费情况
锁屏密码忘了怎么办
猜你喜欢
招聘怎么写
cpu型号怎么看
我的世界画怎么做
绿豆粥怎么做
吕布是怎么死的
大骨头怎么做好吃
怎么炸薯条
薛仁贵怎么死的
板鞋鞋带怎么系好看
皮鞋怎么保养