小度生活
首页
美食营养
手工爱好
生活家居
返回
小度生活
首页
美食营养
游戏数码
手工爱好
生活家居
健康养生
运动户外
职场理财
情感交际
母婴教育
时尚美容
知识问答
生活知识
生活百科
搜索
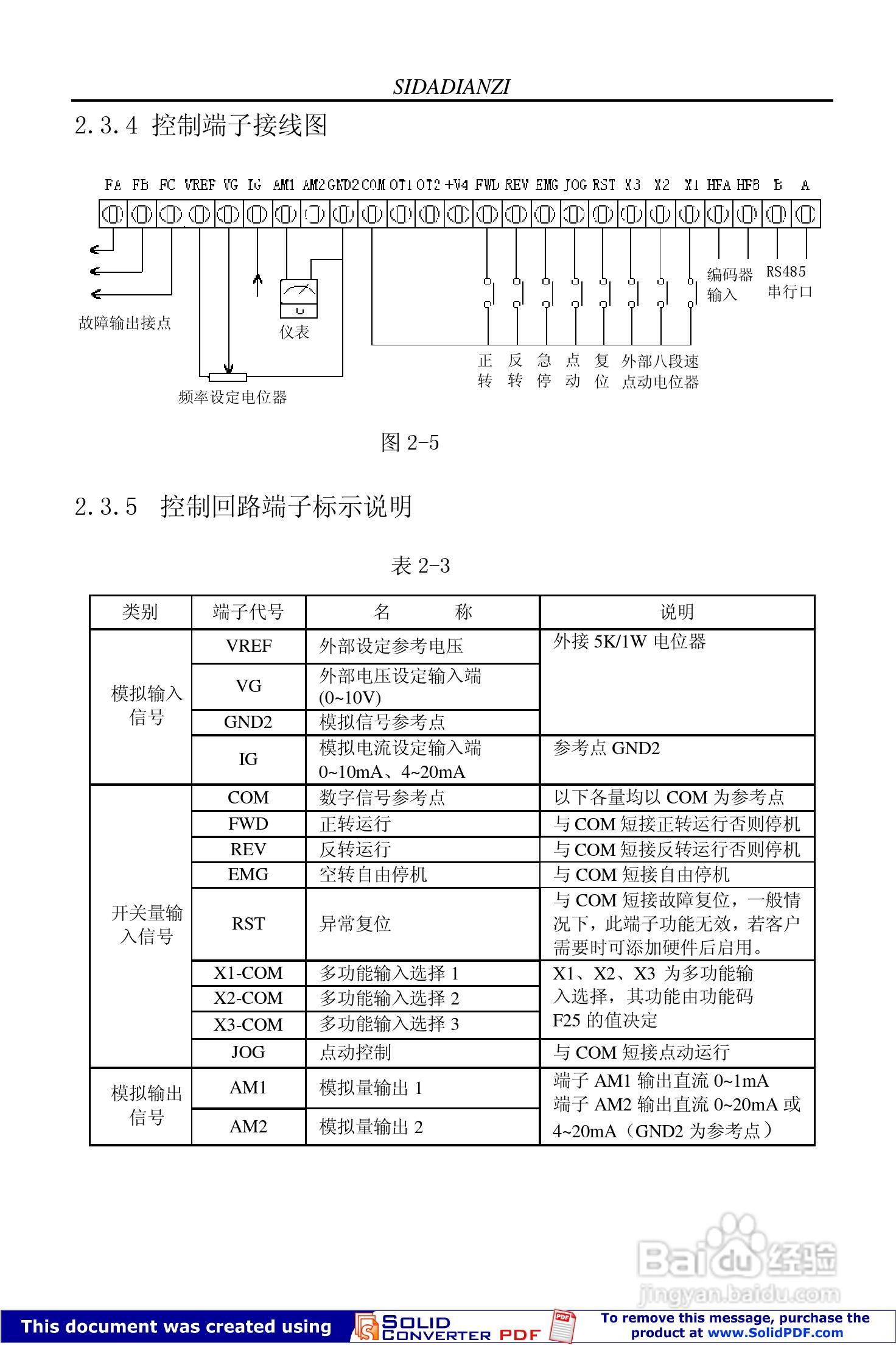
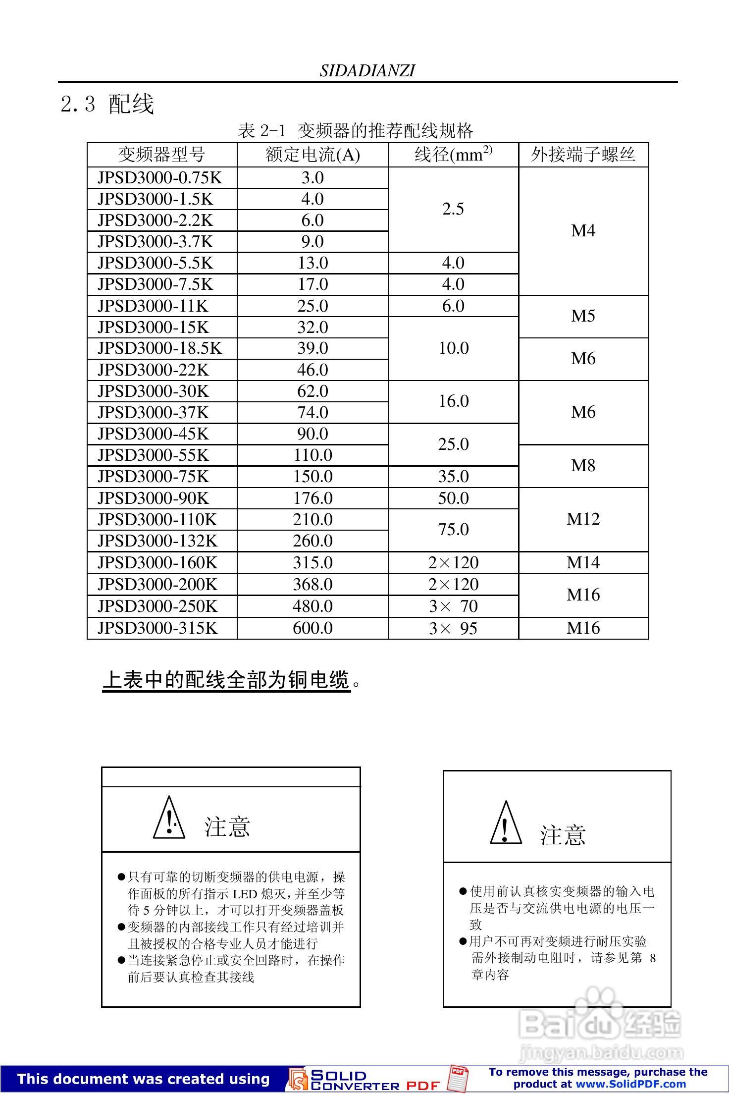
思达JPSD3000-G系列变频调速器用户说明书:[2]
2026-03-31 03:39:14
本篇为《思达JPSD3000-G系列变频调速器用户说明书》,主要介绍该产品的使用方法以及常见故障解决方案。
(共篇)
上一篇:
|
下一篇:
声明:
本网站引用、摘录或转载内容仅供网站访问者交流或参考,不代表本站立场,如存在版权或非法内容,请联系站长删除,联系邮箱:site.kefu@qq.com。
相关推荐
思达JPSD3000-P系列系列变频调速器用户说明书:[2]
阅读量:56
思达JPSD3000-P系列系列变频调速器用户说明书:[1]
阅读量:63
思达JPSD3000-P系列系列变频调速器用户说明书:[4]
阅读量:40
思达JPSD3000-P系列系列变频调速器用户说明书:[7]
阅读量:174
思达JPSD3000-P系列系列变频调速器用户说明书:[5]
阅读量:178
猜你喜欢
草莓鼻怎么办
谷歌浏览器怎么用
怎么唱高音
照片大小怎么改到20k
浙江大学怎么样
音符怎么画
怀孕了不想要怎么办
嘴苦是怎么回事
耳朵进水出不来怎么办
怎么开通微信公众号
猜你喜欢
土豆怎么做
excel函数怎么用
第一次进不去怎么办
后背痛是怎么回事
精华液怎么用
优速快递怎么样
杨梅怎么吃
元芳你怎么看下一句
没关系英语怎么说
羽字五笔怎么打